电脑桌面
添加小米粒文库到电脑桌面
安装后可以在桌面快捷访问

09-10学年度九年级物理第一学期期末考试试卷-人教新课标版VIP免费

09-10学年度九年级物理第一学期期末考试试卷-人教新课标版_第1页
1/8
09-10学年度九年级物理第一学期期末考试试卷-人教新课标版_第2页
2/8
09-10学年度九年级物理第一学期期末考试试卷-人教新课标版_第3页
3/8
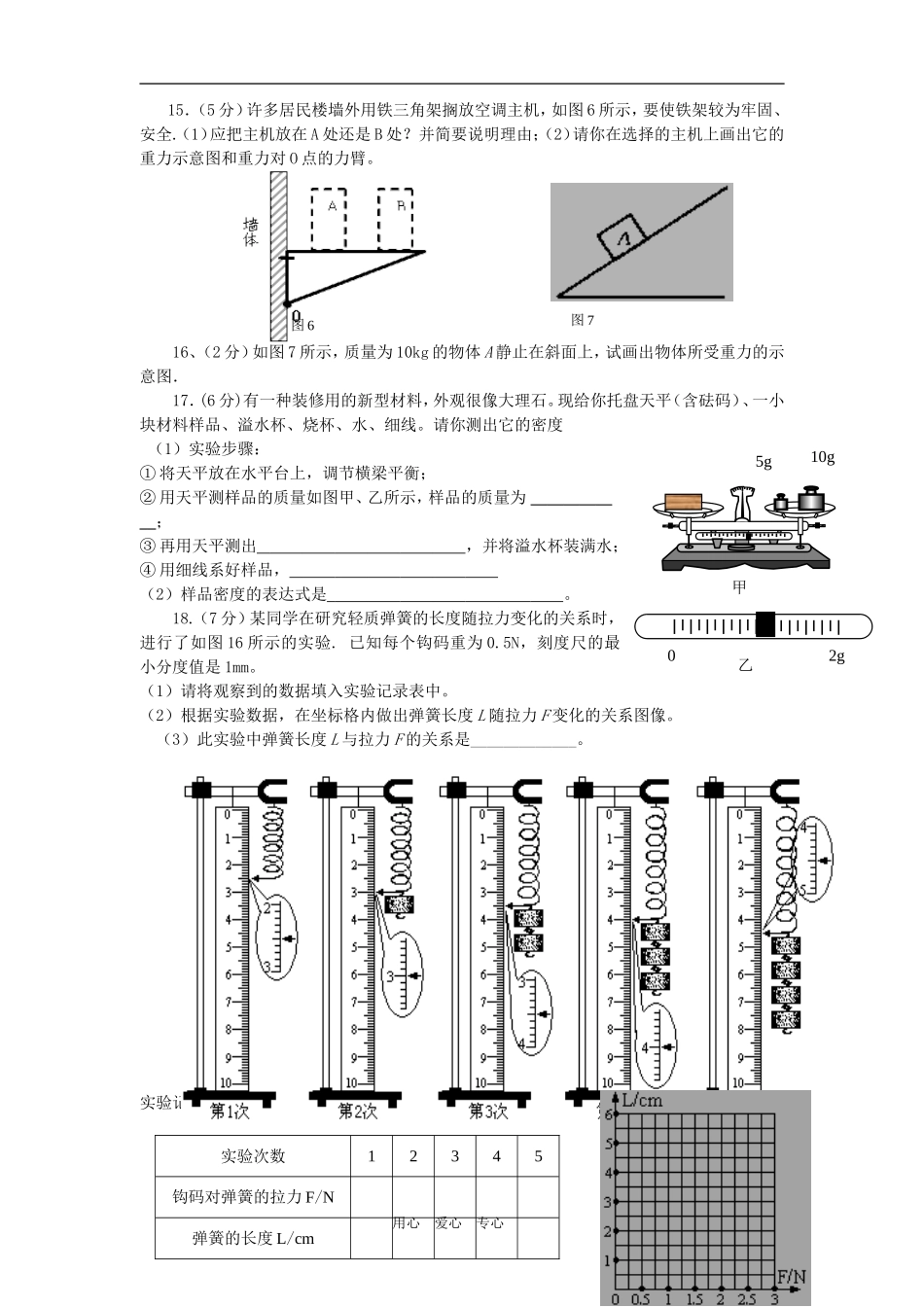
质量m/g体积V/cm3102030405001020304050甲乙ABCD人教版2009-2010学年度九年级物理第一学期期末考试试卷一、理解和应用(本题1--7小题,每小题3分,共21分。在每小题列出的四个选项中,只有一项是正确的,请将正确选项的字母写在该题后的括号内)1.某老师在引导学生理解固体、液体和气体的微观结构时,带领学生做游戏,用人群的状态类比物体的状态.如图1所示甲、乙、丙三种情景分别对应的是()图1A.固态、液态、气态B.气态、固态、液态C.液态、气态、固态D.固态、气态、液态2.如图2为探究甲、乙两种物质质量跟体积的关系时作出的图象。以下分析正确的是()A.同种物质的质量跟体积的比值是不同的B.不同物质的质量跟体积的比值是相同的C.甲物质的质量跟体积的比值比乙物质大D.甲物质的质量跟体积的比值比乙物质小3.图3所示的情景中,属于二力平衡的是()图34.大气压强与人们的日常生活关系密切.以下事实属于大气压强应用的是()A.载重量较大的汽车有许多车轮B.用吸管很容易从瓶中吸取饮料C.啄木鸟嘴很尖D.拦河坝的截面上窄下宽呈梯形5.完全相同的甲、乙两个长方形容器,都装满水,如图4所示放置,则甲、乙两个容器底部受到水的压力F甲和F乙、压强P甲和P乙,它们的关系正确的是()A.F甲=F乙P甲=P乙B.F甲F乙P甲>P乙6.下列说法中正确的是()A.物体的运动和静止都是绝对的B.只能选静止不动的物体作为参照物C.宇宙中除机械运动外,再也没有其他形式的运动D.选择不同参照物,同一物体在同一时刻可能是运动的也可能是静止的7.下列措施中,为了减小摩擦的是()用心爱心专心1图4A.鞋底和轮胎有凹凸不平的花纹B.皮带传动中,在皮带上涂“皮带蜡C.自行车刹车时,闸皮紧压在车圈上D.在机器的转动部分安装滚动轴承并加润滑油8.填写物理量的单位或数值:(1)小明同学的身高为160;(2)水的密度是__________,它表示的物理意义是____________________。9.今年5月20日,我国举世瞩目的三峡大坝全线建成。拦河大坝之所以修成“上窄下宽”的形状,是因为。当它蓄水达到130m高的水位时,水对坝底的压强是,三峡大坝的船闸是___(模型)在实际中的具体运用,它能让大型轮船在上下游之间顺利往返航行。10.使用定滑轮的好处是使用动滑轮的好处是,在如图5所示的各种情况中,用同样大小的力将重物匀速提升,若不计摩擦和滑轮重,物重最大的是,11.一艘远洋货轮在装上货物后,发现船身下沉了一些,则它受到的浮力(填“变大”、“变小”或“不变”)。当船由长江驶入大海后,船受到的浮力,船身相对于水面将(填“上浮”、“下沉”或“不变”)。12.有一杠杆,动力臂是阻力臂的3倍,则动力大小是阻力大小的______倍,这是______(填省、费)力杠杆,天平是动力臂(填等于、大于、小于)阻力臂的杠杆。13.随着人民生活水平的提高,轿车已逐渐进入百姓家庭,如图是小华家购买的一辆小轿车,他发现轿车的外形类似于飞机的机翼。则轿车在快速行驶过程中,车子上方空气的流速车子下方空气的流速,因而车子上方气体的压强车子下方气体的压强,从而使得轿车对地面的压力车的重力。(均填“大于”、“等于”或“小于”)14.某兴趣小组对“滑动摩擦力的大小跟物体的接触面积大小、物体接触面的粗糙程度是否有关”的问题进行了实验探究。下图是他们的实验过程和情景,请你根据所学的物理知识和图中的信息回答下列问题:(1)在实验中,用弹簧测力计拉着木块时,应水平地拉动且使它在固定的水平面上做运动,根据条件可知,木块所受摩擦力的大小等于弹簧测力计的示数。(2)比较图甲和图乙两次实验可知,滑动摩擦力的大小与_______无关。(3)比较图甲和图丙两次实验可知,滑动摩擦力的大小与___________有关。二。探究与体会(26分)用心爱心专心2图5图615.(5分)许多居民楼墙外用铁三角架搁放空调主机,如图6所示,要使铁架较为牢固、安全.(1)应把主机放在A处还是B处?并简要说明理由;(2)请你在选择的主机上画出它的重力示意图和重力对O点的力臂。16、(2分)如图7所示,质量为10kg的物体A静止在斜面上,试画出物体所受重力的示意图....

1、当您付费下载文档后,您只拥有了使用权限,并不意味着购买了版权,文档只能用于自身使用,不得用于其他商业用途(如 [转卖]进行直接盈利或[编辑后售卖]进行间接盈利)。
2、本站所有内容均由合作方或网友上传,本站不对文档的完整性、权威性及其观点立场正确性做任何保证或承诺!文档内容仅供研究参考,付费前请自行鉴别。
3、如文档内容存在违规,或者侵犯商业秘密、侵犯著作权等,请点击“违规举报”。

碎片内容

09-10学年度九年级物理第一学期期末考试试卷-人教新课标版

您可能关注的文档

精品文库+ 关注
实名认证
内容提供者

超级好的教育资料

确认删除?
VIP
微信客服
  • 扫码咨询
会员Q群
  • 会员专属群点击这里加入QQ群
客服邮箱
回到顶部