电脑桌面
添加小米粒文库到电脑桌面
安装后可以在桌面快捷访问

郑州中州大道北三环交叉口顶管专项方案VIP免费

郑州中州大道北三环交叉口顶管专项方案_第1页
1/10
郑州中州大道北三环交叉口顶管专项方案_第2页
2/10
郑州中州大道北三环交叉口顶管专项方案_第3页
3/10
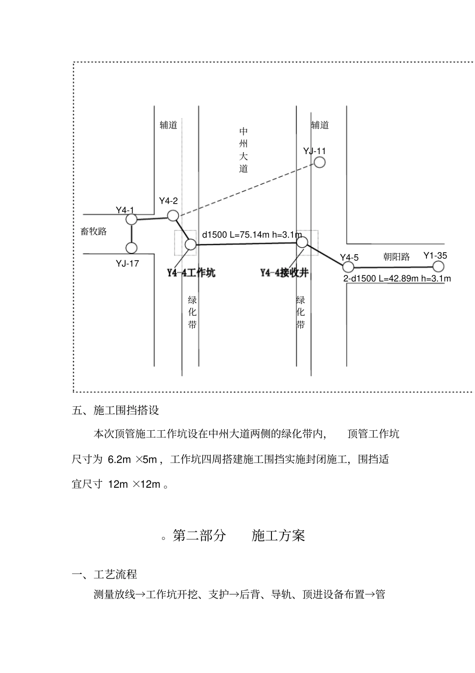
郑州市中州大道北三环交叉口积水区改造工程(Y4-3—Y4-4)顶管施工专项方案编制人:审核人:审批人:河南国基建设集团有限公司2011年3月18日第一部分工程概述一、工程概况顶管施工坡度不变,仍然按照原图纸设计坡度进行施工。顶管工程工作量:50米管道顶进(φ1500mm)、1个顶管工作坑、1个接收井二、编制依据《地基与基础工程施工及验收规范》GBJ202-83《混凝土结构工程施工及验收规范》GBJ50204-90《市政工程施工及验收技术规程》DBJ08-217-95《市政排水构筑物工程施工和验收规范》DBJ08-224-96《市政排水管道施工及验收规范》DBJ08-220-96《给水排水构筑物施工及验收规范》GBJ-141-90三、施工工期本工程顶管工期为15天。四、施工平面图五、施工围挡搭设本次顶管施工工作坑设在中州大道两侧的绿化带内,顶管工作坑尺寸为6.2m×5m,工作坑四周搭建施工围挡实施封闭施工,围挡适宜尺寸12m×12m。。第二部分施工方案一、工艺流程测量放线→工作坑开挖、支护→后背、导轨、顶进设备布置→管d1500L=75.14mh=3.1m2-d1500L=42.89mh=3.1m中州大道辅道辅道畜牧路朝阳路Y4-2Y4-1YJ-17Y4-5YJ-11绿化带绿化带Y1-35道顶进→检查井砌筑→土方回填。二、测量放线采用经监理工程师批复的测量控制点进行施工放样,固定保护好控制点,并经常复核。工作坑定位采用全站仪,管道中线控制采用经纬仪,标高控制采用水准仪。地面坐标点导入井下采用直接导入法,利用坑口埋设的坐标点和测量控制网控制点,以支导线的形式,建立井下顶管掘进使用控制点。地面高程点导入井下采用悬挂刚卷尺,导入标高时,用两台S3水准仪同时进行,并独立导入三次,其互差不超过井筒深度的1/8000。每一个工作坑设置三个水准点。三、顶管工作坑平面尺寸:四、顶管工作坑基础和导轨工作坑基础采用30cm灰土垫层、20cm混凝土垫层。将工作坑底部平整后,在坑底做30cm灰土垫层,灰土垫层电夯夯实,压实度达到95%。在灰土垫层上做20cmC20混凝土垫层,将导轨埋设在混凝土垫层内,导轨面标高与管子内管底的标高相等,两导轨间混凝土垫层人工抹面,抹成弧形。防止混凝土管顶进施工时,因混凝土垫层过高,无法贴紧导轨。两导轨要顺直、平行、等高,其纵坡与管道设计坡度一致。安装后的导轨要牢固,不得在使用中产生位移,并应经常检查校核。导轨安装允许偏差为轴线位置:左右3mm;顶面高程:0-+3mm;两轨内距:±2mm。污水管道两导轨净距计算B=2((D2-d2)0.5)其中:B——基坑导轨间距(mm)D——管外径一半(mm)d——管内径一半(mm)B=2((9002-7502)0.5)=995mm按上述公式求出D1500顶管导轨之间的宽度为995mm。五、顶管后背墙设计六、起重设备及顶管平台搭设1、起重设备出土采用2T电葫芦,专业配套支架及滑轨。支架固定在平台的主梁之上,支架与滑轨之间使用焊接,对滑轨两端使用锁扣锁死,防止电葫芦滑出滑轨。管道吊装使用18T吊车,吊车设有专人指挥。2、平台主梁使用直径不小于20cm圆木四根,其上满铺150*150方木,留出下管管口位置,使用扒钉扒牢使其稳定。下管及出土口尺寸为3.5*2.5m,三面用架子管焊出围栏。七、设备安装1、千斤顶固定在混凝土基础上,并与管道中心的垂线对称,其合力作用点在管道中心的垂直线上。2、油泵宜设置在千斤顶附近,油管要顺直、转弯少,油泵与千斤顶相匹配,并有备用油泵,油泵安装完毕,进行试运转。3、安装后的顶铁轴线与管道轴线平行、对称,顶铁与导轨和顶铁之间的接触面不得有泥土、油污。顶铁要原地足够的刚度,顶铁单块放置时能够保护稳定。顶铁的相邻面互相垂直,顶铁上有锁定装置。顶铁与管口之间采用缓冲材料衬垫。4、管节未进入土层前,接口外侧垫木垫板,管口内侧留有10-20mm的空隙;顶紧后两管间的孔隙宜为10-15mm。八、顶铁布置顶铁选用1组4000kN(400t)级专用配套顶铁(顺铁)。每组配套顶铁的规格为200*300顶铁L=mm600250备注顶铁数量(块)22九、顶进作业1、施工顺序导轨、后背完成顶管设备安装就位后,即可进行顶进工作。将第一节管下至导轨上,校核导轨的中线和高程以及坡度,合格后即可顶进。第一节管安放合格后,管前端安装钢刃角→开启高压油泵、千斤顶工作→管道顶入土内...

1、当您付费下载文档后,您只拥有了使用权限,并不意味着购买了版权,文档只能用于自身使用,不得用于其他商业用途(如 [转卖]进行直接盈利或[编辑后售卖]进行间接盈利)。
2、本站所有内容均由合作方或网友上传,本站不对文档的完整性、权威性及其观点立场正确性做任何保证或承诺!文档内容仅供研究参考,付费前请自行鉴别。
3、如文档内容存在违规,或者侵犯商业秘密、侵犯著作权等,请点击“违规举报”。

碎片内容

郑州中州大道北三环交叉口顶管专项方案

您可能关注的文档

确认删除?
VIP
微信客服
  • 扫码咨询
会员Q群
  • 会员专属群点击这里加入QQ群
客服邮箱
回到顶部