电脑桌面
添加小米粒文库到电脑桌面
安装后可以在桌面快捷访问

钢构件地优化排料问题VIP免费

钢构件地优化排料问题_第1页
1/21
钢构件地优化排料问题_第2页
2/21
钢构件地优化排料问题_第3页
3/21
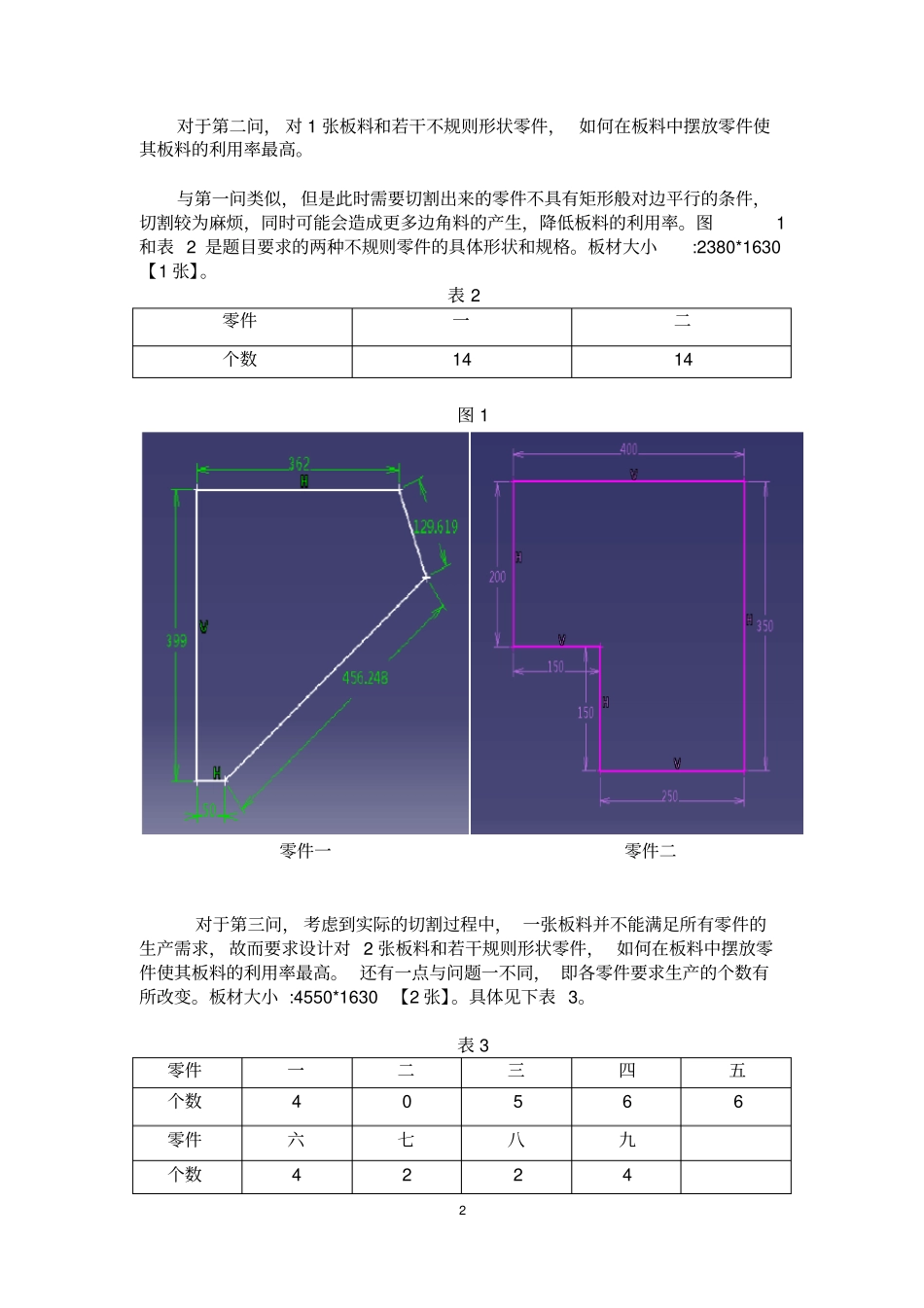
实用标准文档文案大全钢构件的优化排料问题1、问题的重述1.1背景在当今激烈的市场竞争中,降低生产成本、提高生产效率和增强对市场的应变能力,是企业保持竞争力的主要实现手段。在钢构件制造产品的生产过程中,依照产品零件尺寸从板料中截取大小适当的零件过程称之为排料,也称之为下料。排料是钢构件制造的第一道工序。在这道工序中,不同的排料方案具有不同的材料利用率,而原材料的利用率直接影响产品的成本。材料费用是制造企业主要的生产成本,一般占总成本的60%~80%,在大批量生产中,材料的利用率即使提高1%,所创造的经济效益也相当可观。据调查,优化下料后,制造企业材料利用率可平均提高5%~10%。另外由于切割工艺的要求,切割只能实行“一刀切”的工艺(在整料或余料中,从一边的某点到另外一边某点的连线一次切割,但可以在切割下来的板料中再次切割)。板材的利用率就是所有零件面积之和与在一刀切工艺后继续切割的那部分板材面积的比值。1.2问题对于第一问,对1张板料和若干规则形状零件,求如何在板料中摆放零件使其板料的利用率最高。规则形状零件即指矩形零件。其描述一般只需用矩形的长和宽。规则形状零件的排料问题的实质是研究如何组合零件摆放问题,使得在整个原料上摆放大量的不同长和宽的零件产生的废料最少、整料和余料的利用率最高。排放时,其零件间的搭接关系的处理相对容易,只需考虑长、宽两个因素(含预留的损耗量)。板材大小:2350*900【1张】。表1是九个规则形状零件的具体规格。表1零件一二三四五长(mm)350350500500500宽(mm)300200240210350个数22222零件六七八九长(mm)300250500500宽(mm)250200400200个数22222对于第二问,对1张板料和若干不规则形状零件,如何在板料中摆放零件使其板料的利用率最高。与第一问类似,但是此时需要切割出来的零件不具有矩形般对边平行的条件,切割较为麻烦,同时可能会造成更多边角料的产生,降低板料的利用率。图1和表2是题目要求的两种不规则零件的具体形状和规格。板材大小:2380*1630【1张】。表2零件一二个数1414图1零件一零件二对于第三问,考虑到实际的切割过程中,一张板料并不能满足所有零件的生产需求,故而要求设计对2张板料和若干规则形状零件,如何在板料中摆放零件使其板料的利用率最高。还有一点与问题一不同,即各零件要求生产的个数有所改变。板材大小:4550*1630【2张】。具体见下表3。表3零件一二三四五个数40566零件六七八九个数422432、符号规定与模型假设2.1符号规定符号表示意义L板材的长度W板材的宽度?矩形件的长,i=1,2,3⋯w矩形件的宽,i=1,2,3⋯矩形件的数量,i=1,2,3⋯η板材利用率零件的种类,i=1,2,3⋯2.2模型假设1.切割机垂直切割,不考虑料板的厚度,即将问题转化为二维平面问题;2.切割不会导致料板的长度或宽度减小,忽略切割损耗;3.切割方式为一刀切,即在整料或余料中,从一边的某点到另外一边某点的连线一次切割;4.忽略切割效率,本文着眼点在于料板利用率的提高;5.对于问题二中的六边形,可看作是矩形一角删去一个150×150的正方形,而这一步骤利用一刀切不可能实现,故而假设六边形ABCDEF当作五边形ABCDE对待(图2),该零件的后续加工后文不予考虑。图243、问题分析本题目三个问题所研究的是一刀切下料,问题一和问题三属于二维规则图形的优化排料问题,问题二属于二维不规则图形的优化排料问题。排料问题是典型的优化组合问题,具有很高的计算复杂性,属于NP完全问题。“一刀切”的实际现象给了本问题一个最基础的约束,使得排样有了一个这样一个基础:每次切割都将板材一分为二。图3给出了一刀切下料与非一刀切下料的比较。图3问题一和问题三要求制作的零件规格有9种,因此属于多零件下料问题。多种零件,需要解决如何选择将零件合理高效的布置在板材上。本文的研究目的是在这些约束条件下实现优化排样,提高板材利用率。排样目标为:尽可能提高一块板的利用率。排料需要满足的基本约束条件有:①零件之间互不重叠;②零件的排布不得超出板材边缘;③满足一刀切条件。4、模型建立4.1模型的准备由于问题一和二要求在一张料板上规划,问题三要求在两张规格相同的...

1、当您付费下载文档后,您只拥有了使用权限,并不意味着购买了版权,文档只能用于自身使用,不得用于其他商业用途(如 [转卖]进行直接盈利或[编辑后售卖]进行间接盈利)。
2、本站所有内容均由合作方或网友上传,本站不对文档的完整性、权威性及其观点立场正确性做任何保证或承诺!文档内容仅供研究参考,付费前请自行鉴别。
3、如文档内容存在违规,或者侵犯商业秘密、侵犯著作权等,请点击“违规举报”。

碎片内容

钢构件地优化排料问题

文库响当当+ 关注
实名认证
内容提供者

该用户很懒,什么也没介绍

确认删除?
VIP
微信客服
  • 扫码咨询
会员Q群
  • 会员专属群点击这里加入QQ群
客服邮箱
回到顶部