电脑桌面
添加小米粒文库到电脑桌面
安装后可以在桌面快捷访问

钢筋焊接的及验收规程JGJ18-2003要点VIP专享VIP免费

钢筋焊接的及验收规程JGJ18-2003要点_第1页
1/13
钢筋焊接的及验收规程JGJ18-2003要点_第2页
2/13
钢筋焊接的及验收规程JGJ18-2003要点_第3页
3/13
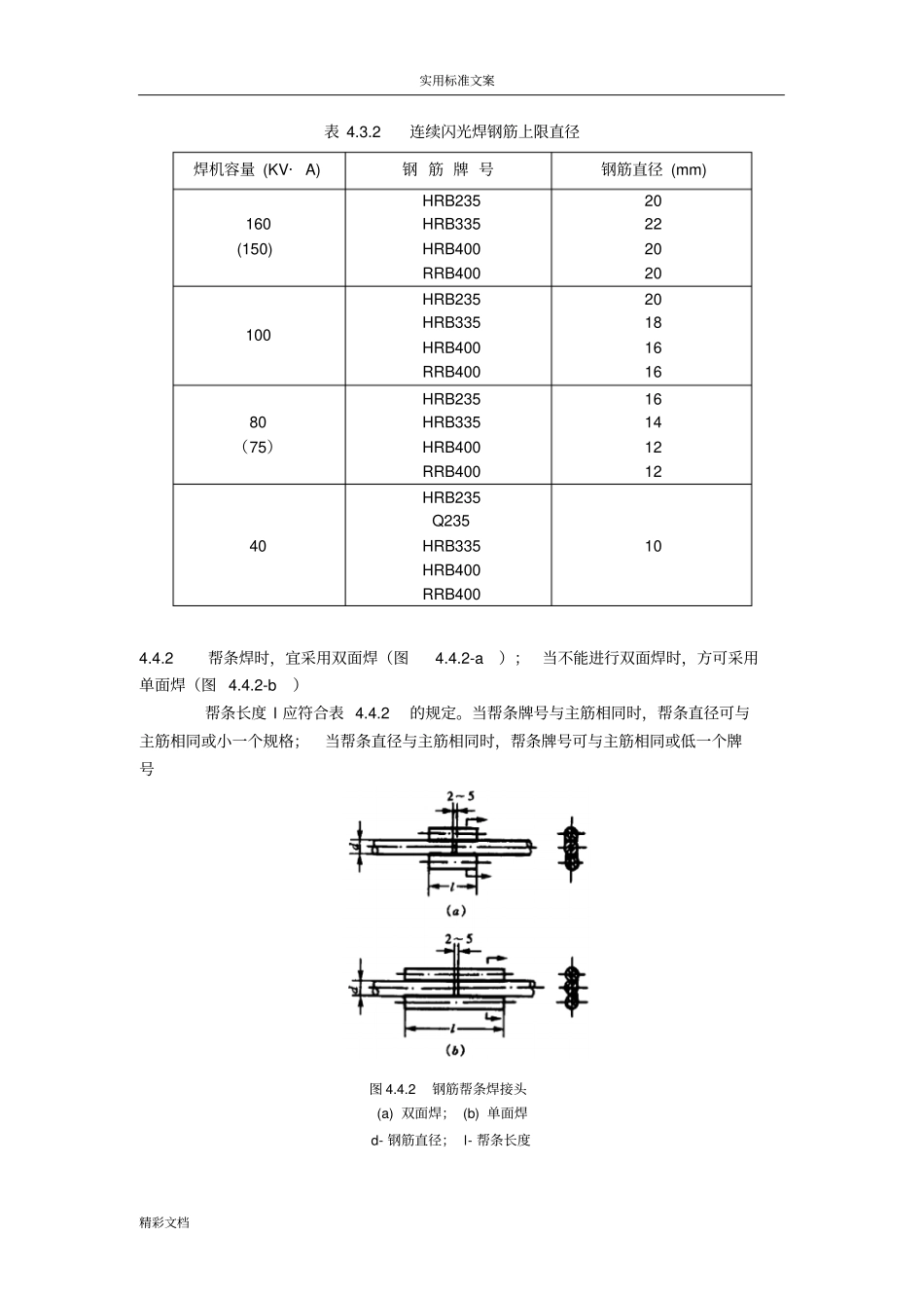
实用标准文案精彩文档《钢筋焊接及验收规程》JGJ18-20033.0.3电弧焊所采用的焊条,应符合现行国家标准《碳钢焊条》GB/T5117或《低合金钢焊条》GB/T5118的规定,其型号应根据设计确定;若设计无规定时,可按表3.0.3选用。表3.0.3钢筋电弧焊焊条型号钢筋牌号电弧焊接头形式帮条焊搭接焊坡口焊溶槽帮条焊预埋件穿孔塞焊窄间隙焊钢筋与钢板搭接焊预预埋件T型角焊HPB235E4303E4303E4316E4315E4303HRB335E4303E5003E5016E5015E4303HRB400E5003E5503E6016E6015E5003RRB400E5003E5503——4.1.1钢筋焊接时,各种焊接方法的适用范围应符合表4.1.1的规定。表4.1.1钢筋焊接方法的运用范围钢筋牌号钢筋直径(mm)HPB2358~16HRB3356~16HRB4006~16CRB5504~12HPB2358~20HRB3356~40HRB4006~40RRB40010~32HRB50010~40Q2356~14HPB23510~20HRB33510~40HRB40010~40RRB40010~25HPB23510~20HRB33510~40HRB40010~40RRB40010~25HPB23510~20HRB33510~40HRB40010~40RRB40010~25HPB23510~20HRB33510~40HRB40010~40RRB40010~25搭接焊单面焊电弧焊搭接焊双面焊双面焊单面焊帮条焊适用范围电阻电焊闪光点焊焊接方法接头形式实用标准文案精彩文档续表4.1.1钢筋焊接方法的运用范围钢筋牌号钢筋直径(mm)HPB23520HRB33520~40HRB40020~40RRB40020~25HPB23518~20HRB33518~40HRB40018~40RRB40018~25HPB23518~20HRB33518~40HRB40018~40RRB40018~25HPB2358~20HRB3358~40HRB4008~25HPB23516~20HRB33516~40HRB40016~40HPB2358~20HRB3356~25HRB4006~25HPB23520HRB33520~25HRB40020~25HPB23514~20HRB33514~32HRB40014~32HPB23514~20HRB33514~40HRB40014~40HPB2358~20HRB3356~25HRB4006~25气压焊预埋件钢筋埋弧压力焊角焊穿孔塞焊预埋件电弧焊电渣压力焊电弧焊适用范围熔槽帮条焊平焊平口焊焊接方法接头形式立焊钢筋与钢板搭接焊窄间隙焊注:1电阻电焊时,使用范围的钢筋直径系指2根不同直径钢筋交叉叠接中较小的钢筋直径;2当设计图纸规定对冷拔低碳钢丝焊接网进行电阻点焊,或对原RL540钢筋(Ⅳ级)进行闪光对焊时,可按本规程相关条款的规定实施;3钢筋闪光对焊含封闭环式箍筋闪光对焊。4.3.2连续闪光焊所能焊接的钢筋上限直径,应根据焊机容量、钢筋牌号等具体情况而定,并应符合表4.3.2的规定。实用标准文案精彩文档表4.3.2连续闪光焊钢筋上限直径焊机容量(KV·A)钢筋牌号钢筋直径(mm)160(150)HRB235HRB335HRB400RRB40020222020100HRB235HRB335HRB400RRB4002018161680(75)HRB235HRB335HRB400RRB4001614121240HRB235Q235HRB335HRB400RRB400104.4.2帮条焊时,宜采用双面焊(图4.4.2-a);当不能进行双面焊时,方可采用单面焊(图4.4.2-b)帮条长度l应符合表4.4.2的规定。当帮条牌号与主筋相同时,帮条直径可与主筋相同或小一个规格;当帮条直径与主筋相同时,帮条牌号可与主筋相同或低一个牌号图4.4.2钢筋帮条焊接头(a)双面焊;(b)单面焊d-钢筋直径;l-帮条长度实用标准文案精彩文档表4.4.2钢筋帮条长度钢筋牌号焊缝型式帮条长度lHPB235单面焊≥8d双面焊≥4dHRB335HRB400RRB400单面焊≥10d双面焊≥5d注:d为主筋直径(mm)4.4.8预埋件钢筋电弧焊T型接头可分为角焊和穿孔塞焊两种(图4.4.8)。装配和焊接时,应符合下列要求:1当采用HPB235钢筋时,角焊缝焊脚(k)不得小于钢筋直径的0.5倍;采用HRB335和HRB400钢筋时,焊脚(k)不得小于钢筋直径的0.6倍;2施焊中,不得使钢筋咬边和烧伤。图4.4.8预埋件钢筋电弧焊T型接头(a)角焊;(b)穿孔塞焊k-焊脚4.4.9钢筋与钢板搭接焊时,焊接接头(图4.4.9)应符合下列要求:1HPB235钢筋的搭接长度(l)不得小于4倍钢筋直径,HRB335和HRB400钢筋搭接长度(l)不得小于5倍钢筋直径;2焊缝宽度不得小于钢筋直径的0.6倍,焊缝厚度不得小于钢筋直图4.4.9钢筋与钢板搭接焊接头d-钢筋直径;l-搭接长度;b-焊缝宽度;s-焊缝厚度实用标准文案精彩文档径的0.35倍。5.1.8闪光对焊接头、气压焊接头进行弯曲试验时,应将受压面的全面毛刺和镦粗敦凸起部分消除,且应与钢筋的外表齐平。弯曲试验可在万能试验机、手动或电动液压弯曲试验器上进行,...

1、当您付费下载文档后,您只拥有了使用权限,并不意味着购买了版权,文档只能用于自身使用,不得用于其他商业用途(如 [转卖]进行直接盈利或[编辑后售卖]进行间接盈利)。
2、本站所有内容均由合作方或网友上传,本站不对文档的完整性、权威性及其观点立场正确性做任何保证或承诺!文档内容仅供研究参考,付费前请自行鉴别。
3、如文档内容存在违规,或者侵犯商业秘密、侵犯著作权等,请点击“违规举报”。

碎片内容

钢筋焊接的及验收规程JGJ18-2003要点

确认删除?
VIP
微信客服
  • 扫码咨询
会员Q群
  • 会员专属群点击这里加入QQ群
客服邮箱
回到顶部