电脑桌面
添加小米粒文库到电脑桌面
安装后可以在桌面快捷访问

上海环巨阀门有限公司-bzbs不锈钢电磁阀VIP免费

上海环巨阀门有限公司-bzbs不锈钢电磁阀_第1页
1/2
上海环巨阀门有限公司-bzbs不锈钢电磁阀_第2页
2/2
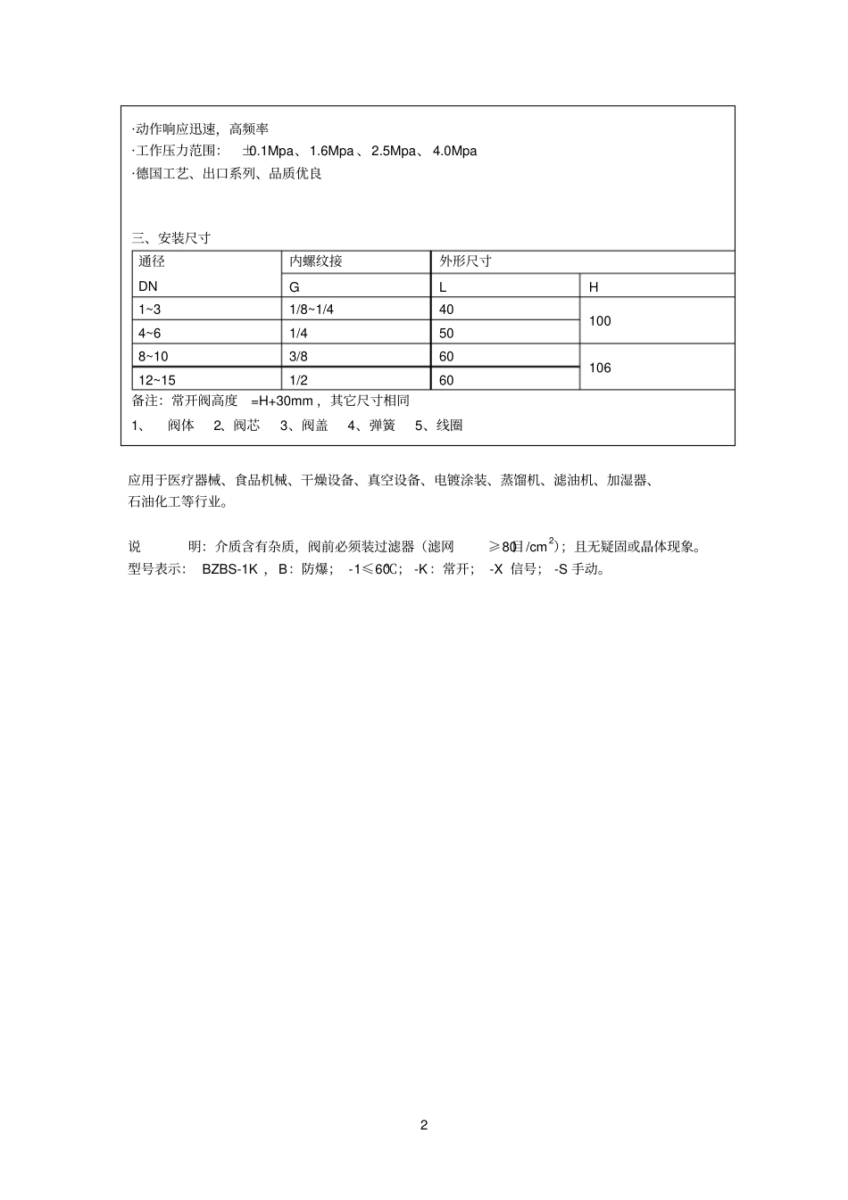
1产品名称:BZBS系列不锈钢电磁阀公称通径:DN1-15mm压力范围:0-16kg介质温度:-20-220℃阀体材料:不锈钢功能选项:防爆、常闭、常开、信号反馈【产品详情】一、技术参数操作方法常闭通电打开、断电关闭常开通电关闭、断电打开(型号后加“-K”表示)参数↓型号→ZBS-1·ZBS-2介质温度1型:≤60℃·2型:≤220℃使用介质1型水、柴油、汽油、煤油、氮气、空气、真空、臭氧、乙二醇等2型蒸汽、热水、热油、热空气等高温液体或气体通径(mm)1~34~68~1012~15连接尺寸(G)1/8~1/41/43/81/2压力(Mpa)0~1.6功率AC:20WDC:30W电压偏差允许波动±10%材料阀体不锈钢密封丁晴像胶NBR·氟像胶FKM·聚四氟乙烯PTEE环境温度-20~60℃连接方式内螺纹电气连接接线盒电缆插座,接线方式详见68页图三所示,防护等级IP65使用电压AC220V50Hz/60Hz、DC:24V其余根据要求特殊选配BZBS防爆电磁阀ZBS-X信号反馈ZBS-S手动功能防爆等级:ExmI/IIT4(浇封型)、dIIBT4、dIICT5(含氢气)反馈电磁阀启闭状态及介质流动情况的开关信号手动开启、关闭节省旁通安装提示可任意安装,优先采用线圈竖直向上备注阀门完全打开或关闭,至少需要0.05Mpa压差二、产品特点·分布直动活塞式·空军、海军配套产品·活塞结构,经久耐磨·温升低,无燥音,零泄漏2·动作响应迅速,高频率·工作压力范围:±0.1Mpa、1.6Mpa、2.5Mpa、4.0Mpa·德国工艺、出口系列、品质优良三、安装尺寸通径DN内螺纹接外形尺寸GLH1~31/8~1/4401004~61/4508~103/86010612~151/260备注:常开阀高度=H+30mm,其它尺寸相同1、阀体2、阀芯3、阀盖4、弹簧5、线圈应用于医疗器械、食品机械、干燥设备、真空设备、电镀涂装、蒸馏机、滤油机、加湿器、石油化工等行业。说明:介质含有杂质,阀前必须装过滤器(滤网≥80目/cm2);且无疑固或晶体现象。型号表示:BZBS-1K,B:防爆;-1≤60℃;-K:常开;-X信号;-S手动。

1、当您付费下载文档后,您只拥有了使用权限,并不意味着购买了版权,文档只能用于自身使用,不得用于其他商业用途(如 [转卖]进行直接盈利或[编辑后售卖]进行间接盈利)。
2、本站所有内容均由合作方或网友上传,本站不对文档的完整性、权威性及其观点立场正确性做任何保证或承诺!文档内容仅供研究参考,付费前请自行鉴别。
3、如文档内容存在违规,或者侵犯商业秘密、侵犯著作权等,请点击“违规举报”。

碎片内容

上海环巨阀门有限公司-bzbs不锈钢电磁阀

文库响当当+ 关注
实名认证
内容提供者

该用户很懒,什么也没介绍

确认删除?
VIP
微信客服
  • 扫码咨询
会员Q群
  • 会员专属群点击这里加入QQ群
客服邮箱
回到顶部