电脑桌面
添加小米粒文库到电脑桌面
安装后可以在桌面快捷访问

GB 9706.1 110项检测项目内容 (2)VIP免费

GB 9706.1 110项检测项目内容 (2)_第1页
1/12
GB 9706.1 110项检测项目内容 (2)_第2页
2/12
GB 9706.1 110项检测项目内容 (2)_第3页
3/12
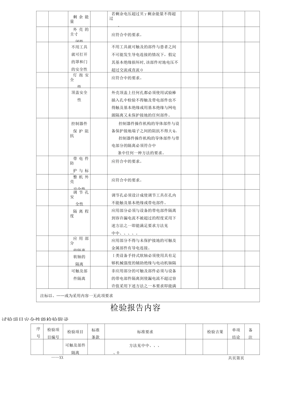
试验项目安全性能检验附录共页第页检验报告内容试验项目安全性能总检验附录共页第页序号检验项目编号检验项目标准条款标准要求检验吉果单项结论备注外部标记设备外表及随机文件应有下列清楚易认,位置显着的标记或说明:标记永久贴牢,具有耐久性。生产、供应单位;型式标记;与电源连接;电源频率;输入功率;网电源功率输出;分类;工作制;熔断器;输出;生理效应;类设备高压接线端子装置;淤卩条件;机械稳定性;肋性包装;接地端子;可拆卸的保护装置。内部标记设备内部应有下列清楚易认的标记:永久性安装设备标称电压的标记;电热元件或加热灯座的最大负载功率;高压部件必须标以危险电压的符号;必须标明电池型号及装入方法;在熔断器附近标上其型号和额定值;册接地端子必须标以规定的符号;功能接地端子必须标以规定符号;永久性安装设备的电源中性线连接端子必须标以规定符号;榊记不得标在接线时要拆动的割牛上;用接线端子的标记来正确表明电源线正确的接线方法;永久性设备的电源接线盒内温度达C以上设备必须有说明;注标以、……或为采用内容一无此项要求、检验报告内容序号检验项目编号检验项目标准条款标准要求检验吉果单项结论备注内部标记续前电容器和所接的元件必须按的要求标记。控制器件和仪表的标记应符合中的要求。符号用作标记的符号必须与中附录的要求一致。导线绝缘的颜色应符合中的要求。气体识别医用气瓶内气体的识别必须符合中的要求。气瓶连接点的识别气瓶上的连接点,必须在设备上作出标记。指示灯颜色指示灯颜色必须符合中的要求。按钮颜色红色必须只用于紧急时中断功能的按钮。随机文件必须附有使用说明书、技术说明书和供用户可查询的地址在内的文件组成。使用说明书使用说明书必须符合中的要求的要求的要求的要求的要求的要求的要求。技术说明书技术说明书必须包括中的要求的要求的要求的要求。输入功率输入功率WXXX或XX%环境条件应符合中第章的要求。安全类型类、型乘除电压拔断插头后时各电源插脚之间或每一电源插脚与设备之间的电压不超过O注标以、、一……?为采用内容必鈕项要求出血检验报「告内容试验项目安全性能检验附录序号检验项目编号检验项目标准条款标准要求检验结果单项结论备注——XX共页第页试验项目安全性能检验附录剩余能量若剩余电压超过贝y剩余能量不得超过。外壳的圭寸闭性应符合中的要求。不用工具就可打开的罩和门的安全性不用工具就可触及的部件与患者之间不可能发生导电连接的情况下,假定其基本绝缘损坏时,该部件对地电压不超过交流或直流O灯泡安全性应符合中的要求。顶盖安全性外壳顶盖上任何孔都必须使用试验棒插入孔中检验不得触及带电部件也不得触及基本绝缘或用基本绝缘与网电源隔离又未保护接地的任何部件。控制器件保护阻抗控制器件操作机构的导体部件与设备保护接地端子之间的阻抗不得大Q。控制器件操作机构的导体部件与带电部分的隔离必须符合中条中任何一种方法的要求。带电件防护与标记应符合中的要求。整机外壳安全性应符合中的要求。调节孔安全性调节孔必须设计成使调节工具在孔内不能触及基本绝缘或带电部件。隔离程度应用部分必须与设备的带电部件隔离到容许漏电流不被超过的程度采用下述方法之一即能满足要求方法见中中、、、、。应用部分的隔离应用部分不得与未保护接地的可触及金属部件有导电连接。软轴的隔离I类设备手持式软轴必须使用具有足够机械强度的辅助绝缘与电动机轴隔离。可触及部件隔离非应用部分的可触及部件必须与设备的带电部件隔离到使漏电流不超过容许值采用下述方法之一本要求即能满注标以、……或为采用内容一无此项要求检验报告内容序号检验项目编号检验项目标准条款标准要求检验吉果单项结论备注可触及部件隔离方法见中中、、、、O——XX共页第页续前电位均衡导线连接装应符合中的要求。保护接地阻抗带有电源输入插口设备在插口中保护接地端子与保护接地的所有可能触及金属部件之间的阻抗不得超过Q。带有不可拆卸电源软电线的设备网电源插头中的保护接地脚和已保护接地的所有可能触及金属部件之间的阻抗不得超过Q。其它设备保护接地阻抗不大于Q。功f能接地端子功能接地端子不...

1、当您付费下载文档后,您只拥有了使用权限,并不意味着购买了版权,文档只能用于自身使用,不得用于其他商业用途(如 [转卖]进行直接盈利或[编辑后售卖]进行间接盈利)。
2、本站所有内容均由合作方或网友上传,本站不对文档的完整性、权威性及其观点立场正确性做任何保证或承诺!文档内容仅供研究参考,付费前请自行鉴别。
3、如文档内容存在违规,或者侵犯商业秘密、侵犯著作权等,请点击“违规举报”。

碎片内容

GB 9706.1 110项检测项目内容 (2)

确认删除?
VIP
微信客服
  • 扫码咨询
会员Q群
  • 会员专属群点击这里加入QQ群
客服邮箱
回到顶部