电脑桌面
添加小米粒文库到电脑桌面
安装后可以在桌面快捷访问

实验设计与评价VIP免费

实验设计与评价_第1页
1/9
实验设计与评价_第2页
2/9
实验设计与评价_第3页
3/9
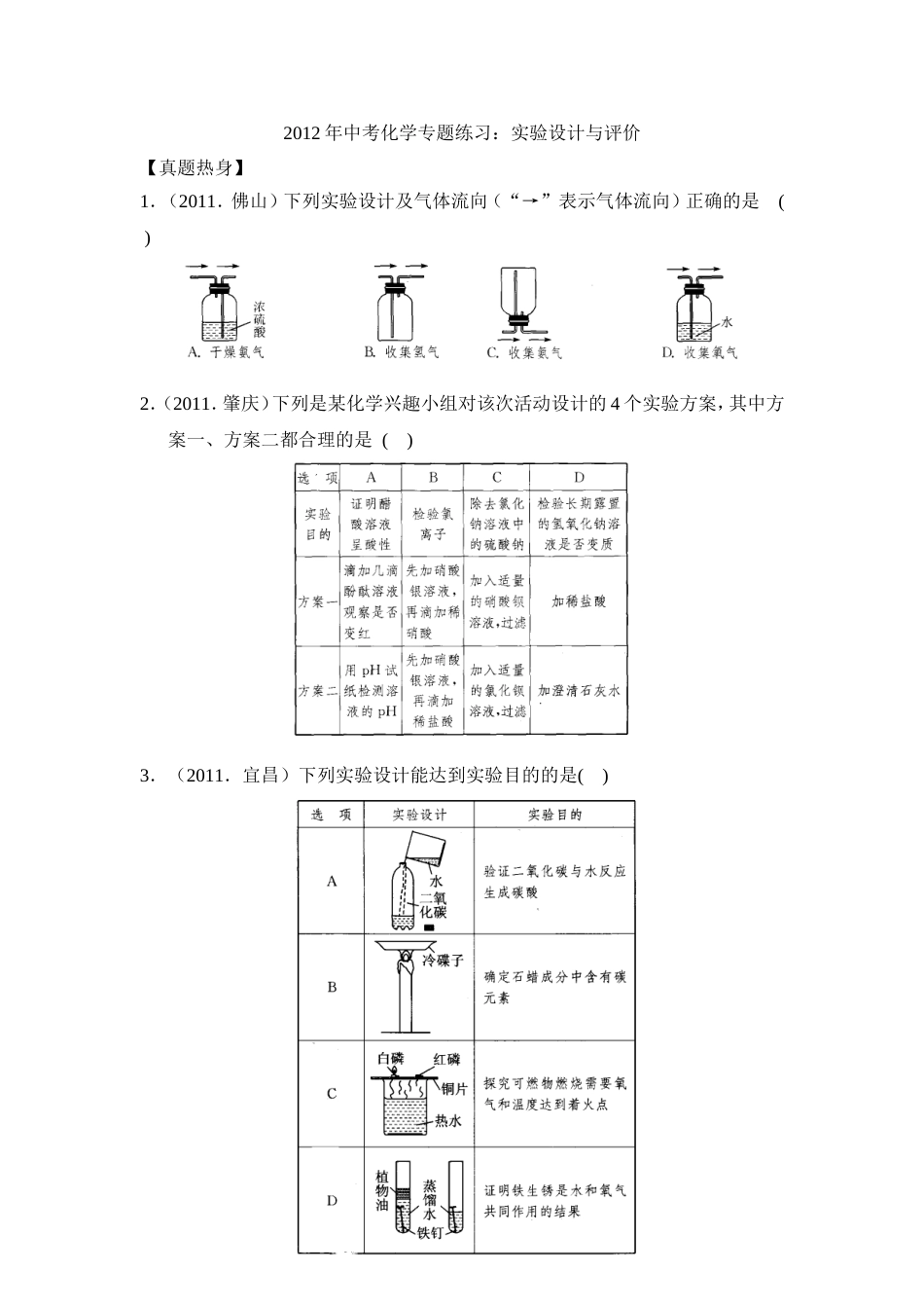
2012年中考化学专题练习:实验设计与评价【真题热身】1.(2011.佛山)下列实验设计及气体流向(“→”表示气体流向)正确的是()2.(2011.肇庆)下列是某化学兴趣小组对该次活动设计的4个实验方案,其中方案一、方案二都合理的是()3.(2011.宜昌)下列实验设计能达到实验目的的是()1/94.(2011.乐山)下列每组对比实验不能达到实验目的的是()5.(2011.龙东)下列实验方案中,设计合理的是()A.稀释浓硫酸时,将水沿器壁缓缓注入浓硫酸中B.测溶液pH时,将待测液滴到pH试纸上,待试纸显色后立即与标准比色卡比较C.在验证空气中氧气含量的实验中用木炭来代替红磷D.CO还原Fe2O3的实验,开始时先加热试管,再通入CO气体6.(2011.桂林)下列有关化学实验的“目的→操作→现象→结论”的描述都正确的是()2/97.(2011.江西)为测定氯化钠和碳酸钠固体混合物中氯化钠的质量分数,有以下两个实验方案:(1)方案1:①操作Ⅰ的名称是_______。要计算样品中氯化钠的质量分数,实验中必须测量的数据是:碳酸钡的质量和_______。②若过滤所得固体未经洗涤即烘干称量,测得样品中氯化钠的质量分数将_______(填“偏高”、“偏低”或“不变”)。(2)方案2:通过测定样品和足量硫酸溶液反应产生气体的质量来计算样品中氯化钠的质量分数。若测得各物质的质量(单位:g):样品质量为a,所用硫酸溶液质量为b,完全反应后混合溶液质量为c,则生成气体的质量为_______g。(用a、b、c、表示)8.(2011.成都)葡萄糖是生命体所需能量的主要来源。【提出问题】葡萄糖的燃烧产物是CO2和H2O.南此能否证明葡萄糖是只由碳元素和氢元素3/9组成的有机物?【实验设计】为了确定葡萄糖的元素组成,某小组设计了如下实验(其中浓硫酸、无水CaCl2均为常用干燥剂,部分固定装置省略)。(1)装置A中发生反应的化学方程式是______________。(2)装置B中浓硫酸的作用是______________。(3)装置C处氧化铜的作用是______________。【方案评价】(1)用充有空气的储气球代替装置A,是否更有利于实验的进行?_______(填“是”或“否”),原因是______________。(2)装置C处葡萄糖燃烧的设计特点是______________(至少写1条)。【数据处理】下表是同学们填写的实验报告,请你帮助完成。【讨论交流】为了尽量减少误差:(1)该实验在进行过程中应注意的问题是_______(写出1条即可)。(2)从定量实验的角度看,该实验是否可进一步改进?请简要写出一个改进意见:________________________________________________________。【中考预测】4/91.下列家庭小实验不能成功的是()A.用6H铅笔芯代替石墨做导电性实验B.用小颗粒明矾制明矾大晶体C.用紫卷心菜自制酸碱指示剂D.用灼烧闻气味的方法区分棉纤维和羊毛纤维2.某同学想用实验证明FeCl3溶液显黄色不是Cl-造成的.下列实验中无意义的是()A.观察KCl溶液没有颜色B.加水稀释后FeCl3溶液黄色变浅C.向FeCl3溶液中滴加适量无色硝酸银溶液,振荡后静置,溶液黄色未消失D.向FeCl3溶液中滴加适量氢氧化钠溶液,振荡后静置,溶液黄色消失3.某同学设计了实验方案探究排空气法收集二氧化碳时集气瓶口的合理方向(如图)。分别向a、b两集气瓶中通入1分钟等流量的二氧化碳气体,可观察到集气瓶a中湿润的蓝色石蕊试纸从下往上逐渐变红,集气瓶b中湿润的蓝色石蕊试纸基本上是整体逐渐变红。根据该实验现象不能得出的结论是()A.二氧化碳与水反应生成了酸性物质B.在相同状态下,二氧化碳气体的密度比空气大C.收集二氧化碳气体集气瓶口应向上D.集气瓶b中收集到的二氧化碳比集气瓶a纯4.下列是分析已变质氢氧化钠溶液的相关实验,其中合理的是()5/9A.②③B.①③C.②④D.①④5.同一化学反应进行的快慢跟很多因素有关。实验室用100g溶质质量分数20%的双氧水与一定质量的二氧化锰混合制取氧气,为使反应慢点进行而又不影响生成氧气的质量,则下列操作不能达到目的的是()A.逐滴加入双氧水B.加水稀释C.减少双氧水的用量D.降低温度6.把盛有甲、乙、丙三种气体的试管分别同时倒插入盛有水的烧杯中,一段时间后,观察到如图所示的现象,对甲、乙、丙气体的分析正确的是(...

1、当您付费下载文档后,您只拥有了使用权限,并不意味着购买了版权,文档只能用于自身使用,不得用于其他商业用途(如 [转卖]进行直接盈利或[编辑后售卖]进行间接盈利)。
2、本站所有内容均由合作方或网友上传,本站不对文档的完整性、权威性及其观点立场正确性做任何保证或承诺!文档内容仅供研究参考,付费前请自行鉴别。
3、如文档内容存在违规,或者侵犯商业秘密、侵犯著作权等,请点击“违规举报”。

碎片内容

实验设计与评价

您可能关注的文档

中小学教育精品资料+ 关注
实名认证
内容提供者

中小学教育资料,优质文档创作者

确认删除?
VIP
微信客服
  • 扫码咨询
会员Q群
  • 会员专属群点击这里加入QQ群
客服邮箱
回到顶部