电脑桌面
添加小米粒文库到电脑桌面
安装后可以在桌面快捷访问

电化学原理复习VIP免费

电化学原理复习_第1页
1/9
电化学原理复习_第2页
2/9
电化学原理复习_第3页
3/9
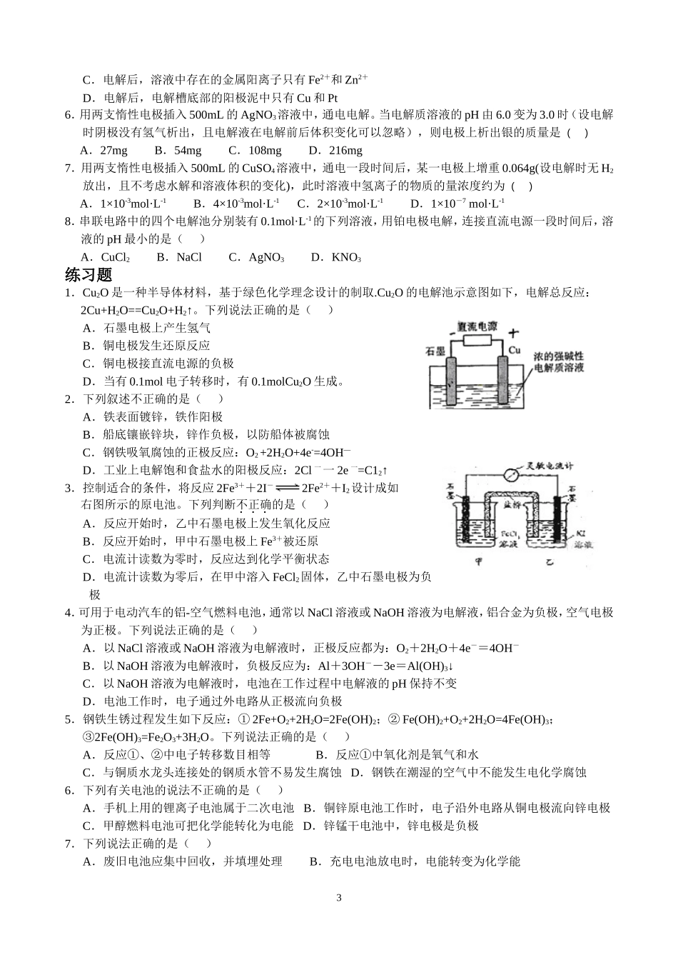
电化学原理复习知识点提要:1.原电池:电极构成:负极:较活泼金属(电子______的极);正极:较不活泼的金属(或能导电的非金属)(电子_______的极)。电极反应:___极:氧化反应,一般是金属____电子;___极:还原反应,溶液中的___离子得电子或者氧气得电子(吸氧腐蚀)。溶液中带电粒子移动:____离子向正极移动;_____离子向负极移动。燃料电池:负极____________、正极___________;复杂电极反应式=总反应式-简单电极反应式:如甲烷酸性电池中,总反应式,正极反应式,负极反应式为。如甲烷碱性电池中,总反应式,正极反应式,负极反应式为。2.电解池电极构成:阳极:与电源___极相连的极;阴极:与电源____极相连的极。电极反应:阳极:______反应,溶液中的阴离子_______,或电极金属_______;阴极:_____反应,溶液中的阳离子得电子。溶液中带电粒子移动:____离子向阴极移动;_____离子向阳极移动。电池的两极是,_____极,电解池的两极则是_____,______极。实际上,负极和阳极是起氧化反应的电极;正极和阴极则是起还原反应的电极。3.原电池、电解池、电镀池判定规律若无外接电源,可能是原电池,然后依据原电池的形成条件分析判定,主要思路是“三看”。先看电极:两极为_____且活泼性不同。再看溶液:两极______电解质溶液中。后看回路:形成________或______接触。若有外接电源,两极插入电解质溶液中,则可能是______池或电镀池。当阳极金属与电解质溶液中的金属阳离子相同则为______池,其余情况为电解池。4.酸、碱、盐溶液电解规律(惰性电极)(1)电解水型:含氧酸、强碱、活泼金属的含氧酸盐(如NaOH、H2SO4、K2SO4等)的电解。阴极:___________________阳极:4OH--4e-=O2↑+2H2O总反应:2H2O2H2↑+O2↑1阴极产物:_____;阳极产物:O2。电解质溶液复原加入物质:________。pH变化情况:原来酸性的溶液pH变____,原来碱性的溶液pH变_____,强酸(含氧酸)强碱的正盐溶液pH_______。(2)电解电解质型:无氧酸(除HF外)、不活泼金属的无氧酸盐(氟化物除外)的电解,如HCl、CuCl2等。阴极:Cu2++2e-=Cu阳极:_____________________。总反应:CuCl2Cu+Cl2↑阴极产物:酸为H2,盐为金属;阳极产物:_____________________。电解液复原加入物质为原溶质,如电解CuCl2溶液,需加CuCl2。pH变化情况:如电解无氧酸溶液pH变大但不会超过7;如为盐溶液的电解则视无氧酸根的情况而定。(3)放氢生碱型:活泼金属的无氧酸盐(氟化物除外)溶液的电解,如NaCl、MgBr2等。阴极:2H++2e-=H2↑阳极:2Cl--2e-=Cl2↑总反应:_________________________________________。阴极产物:碱和H2;阳极产物:_________________________。电解液复原加入物质___________。电解饱和食盐水,要使电解质溶液复原需加入________________。pH变化情况:电解液pH显著变_______。(4)放氧生酸型:不活泼金属的含氧酸盐溶液的电解,如CuSO4、AgNO3等。阴极:2Cu2++4e-=Cu阳极:___________________________。总反应:2CuSO4+2H2O2Cu+O2↑+2H2SO4阴极产物:析出_____________________;阳极产物是该盐对应的____________,电解液复原加入物质为不活泼金属的________(金属价态与原盐中相同)。如电解CuSO4溶液,复原需加入_________。pH变化情况:溶液pH显著变_____。例题1.在原电池和电解池的电极上所发生的反应,同属氧化反应或同属还原反应的是()A.原电池正极和电解池阳极所发生的反应B.原电池正极和电解池阴极所发生的反应C.原电池负极和电解池阳极所发生的反应D.原电池负极和电解池阴极所发生的反应2.下列关于实验现象的描述不正确的是()A.把铜片和铁片紧靠在一起浸入稀硫酸中,铜片表面出现气泡B.用锌片做阳极,铁片做阴极,电解氯化锌溶液,铁片表面出现一层锌C.把铜片插入三氯化铁溶液中,在铜片表面出现一层铁D.把锌粒放入盛有盐酸的试管中,加入几滴氯化铜溶液,气泡放出速率加快3.用惰性电极电解M(NO3)x的水溶液,当阴极上增重ag时,在阳极上同时产生bL氧气(标准状况),从而可知M的相对原子质量是()A.B.C.D.4.X、Y、Z、M代表四种金属元素,金...

1、当您付费下载文档后,您只拥有了使用权限,并不意味着购买了版权,文档只能用于自身使用,不得用于其他商业用途(如 [转卖]进行直接盈利或[编辑后售卖]进行间接盈利)。
2、本站所有内容均由合作方或网友上传,本站不对文档的完整性、权威性及其观点立场正确性做任何保证或承诺!文档内容仅供研究参考,付费前请自行鉴别。
3、如文档内容存在违规,或者侵犯商业秘密、侵犯著作权等,请点击“违规举报”。

碎片内容

电化学原理复习

您可能关注的文档

精品文档+ 关注
实名认证
内容提供者

中小学学习资料大全

相关文档

确认删除?
VIP
微信客服
  • 扫码咨询
会员Q群
  • 会员专属群点击这里加入QQ群
客服邮箱
回到顶部