电脑桌面
添加小米粒文库到电脑桌面
安装后可以在桌面快捷访问

初三物理《电路故障分析》试题VIP专享VIP免费

初三物理《电路故障分析》试题_第1页
1/5
初三物理《电路故障分析》试题_第2页
2/5
初三物理《电路故障分析》试题_第3页
3/5
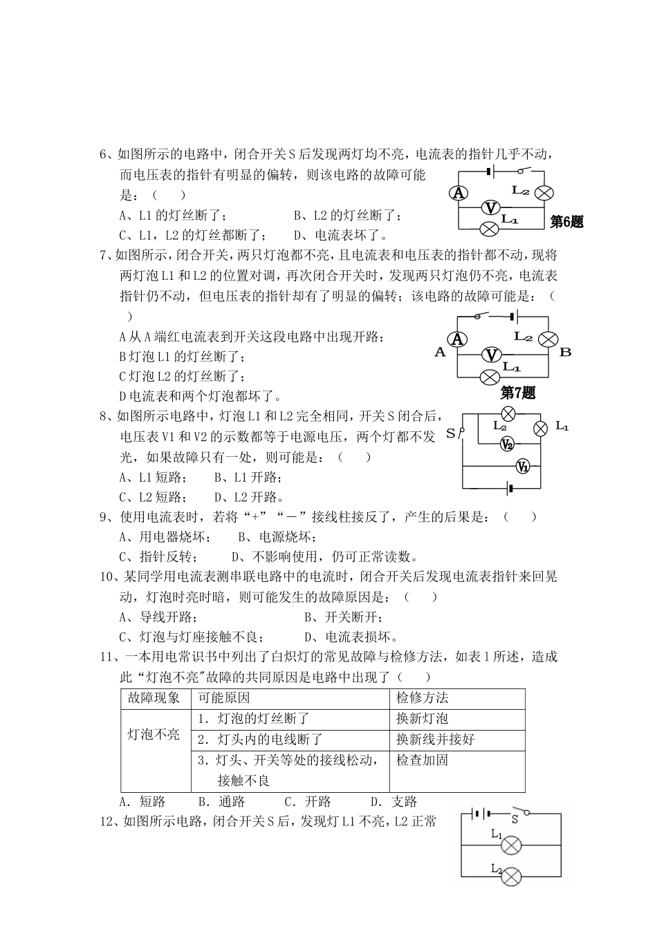
初中物理电路故障分析一、串联电路中的故障分析:(以电路中两盏为例子)①闭合开关发现只有一盏灯亮。故障分析:既然有灯亮,说明电路是通路的,那盏不亮的灯可能被短路了。例:如图当闭合开关时,L1亮,L2不亮。电压表和电流表均有示数。故障可能原因是()A.L1短路B.L2短路C.L1断路D.L2断路【题目变式1:】如上图,当闭合开关时,L1不亮,L2亮。电压表无示数,电流表有示数。故障可能原因是()A.L1短路B.L2短路C.L1断路D.L2断路【题目变式2:】如上图,当闭合开关时,L1不亮,L2亮。电路中可能存在的故障原因和两表示数的情况可能是()A.L1短路,电压表有示数,电流表无示数B.L1短路,电压表无示数,电流表有示数C.L2短路,两表都无示数D.L2短路,两表都有示数②开始时两盏灯都亮,一段时间后发现两盏都不亮。故障分析:既然所有灯都不亮了,说明电路中存在断路现象。即此时电路是开路的。常用判断方法:用电压表依次测试某段两端,有读数或者无读数,以此判断故障的原因。电压表有读数:说明有电流通过电压表,此时连接电压表的电路应该是通路的。电压表无读数:说明没有电流通过电压表,此时连接电压表的电路是开路的。例:如图6所示的电路,开关S闭合时,发现L1、L2都不亮,用电压表逐段测量,结果是Uad=6v,Uab=0,Ubc=0,Ucd=6V,该电路的故障可能是()A、开关S接触不良;B、灯L1断路;C、灯L2短路;D、灯L2的灯丝断了总结:1.串联电路中如果有一盏灯亮,另外一盏灯不亮。说明这个电路可能发生了短路现象,谁不亮谁短路。2.串联电路中如果所有灯都不亮,说明电路可能中发生了开路现象。二、并联电路中的故障分析:(以电路中两盏为例子)①闭合开关发现只有一盏灯亮。故障分析:既然有一灯亮,说明这一灯亮的电路是通路的,那盏不亮的灯一定是开路。(因为如果短路,会烧坏电源所有灯都不亮了)例:如图所示电路中,电源电压不变,闭合开关S后,L1,L2都发光,一段时间后,其中一灯突然熄灭,而电流表电压表的示数都不变,产生这现象的原因是:()A、灯L1知路;B、灯L2短路;C、灯L1开路;D、灯L2开路。【题目变式】如图所示电路中,电源电压保持不变,当开关S闭合后,电路正常工作。一段时间后,其中一盏灯突然熄灭,两只电表中一只电表示数变小,另一只电表示数不变。出现这种现象的可能原因是:()A.L1开路B.L2开路C.L1短路D.L2短路②并联两灯都不亮的情况比较复杂在这里就不做详细的研究了。总结:并联一灯亮一灯不亮,是开路(因为如果短路,会烧坏电源所有灯都不亮了)回馈练习:1、如图所示,当开关S闭合,两表均有示数,过一会儿发现电压表示数突然变小,电流表示数突然变大,下列故障判断可能是()A、L1短路;B、L2灯短路;C、L1灯丝断开;D、L2灯丝断开。2、如图所示电路中,当开关S1,S2都闭合时,下列判断正确的是:()A、只有L1发光;B、只L2发光;C、L1,L2都发光;D、L1,L2都不发光。3、如图所示三只灯泡的额定电压均为2。5V,当开关S断开时,三只灯泡全发光,那么当S闭合时:()A、L1,L2不亮,L3亮;B、三灯都亮;C、L1不亮,L2,L3亮;D、三灯都不亮。4、如图所示电路中,电源电压不变,闭合开关S后,灯泡L1,L2都发光,一段时间后,其中一只灯泡突然熄灭,另一只灯泡仍然发光,而电压表V1的示数变小,V2的示数变大,则产生这一现象的原因是:()A、灯L1开路;B、灯L2开路;C、灯L1短路;D、灯L2短路。5、如图所示电路中,电源电压不变,闭合开关S后,L1,L2都发光,一段时间后,其中一灯突然熄灭,而电流表电压表的示数都不变,产生这现象的原因是:()A、灯L1知路;B、灯L2短路;C、灯L1开路;D、灯L2开路。6、如图所示的电路中,闭合开关S后发现两灯均不亮,电流表的指针几乎不动,而电压表的指针有明显的偏转,则该电路的故障可能是:()A、L1的灯丝断了;B、L2的灯丝断了;C、L1,L2的灯丝都断了;D、电流表坏了。7、如图所示,闭合开关,两只灯泡都不亮,且电流表和电压表的指针都不动,现将两灯泡L1和L2的位置对调,再次闭合开关时,发现两只灯泡仍不亮,电流表指针仍不动,但电压表的指针却有了明显的偏转;该电路的故障可能是:()A...

1、当您付费下载文档后,您只拥有了使用权限,并不意味着购买了版权,文档只能用于自身使用,不得用于其他商业用途(如 [转卖]进行直接盈利或[编辑后售卖]进行间接盈利)。
2、本站所有内容均由合作方或网友上传,本站不对文档的完整性、权威性及其观点立场正确性做任何保证或承诺!文档内容仅供研究参考,付费前请自行鉴别。
3、如文档内容存在违规,或者侵犯商业秘密、侵犯著作权等,请点击“违规举报”。

碎片内容

初三物理《电路故障分析》试题

确认删除?
VIP
微信客服
  • 扫码咨询
会员Q群
  • 会员专属群点击这里加入QQ群
客服邮箱
回到顶部