电脑桌面
添加小米粒文库到电脑桌面
安装后可以在桌面快捷访问

差压流量计计算公式VIP免费

差压流量计计算公式_第1页
1/5
差压流量计计算公式_第2页
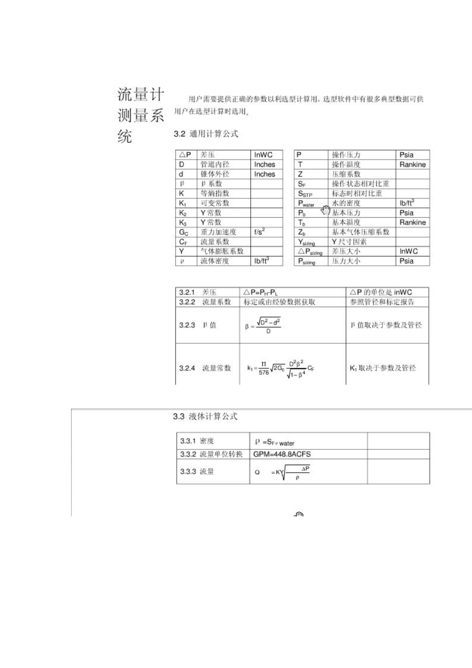
2/5
差压流量计计算公式_第3页
3/5
已知工艺管道的直径,管道内介质的密度,怎么算出差压变送器的压力.差压变送器是配合弯管流量计一起安装的.尽量说详细点,谢谢差压式流量计的测量原理是基于流体的机械能相互转换的原理。在水平管道中流动的流体,具有动压能和静压能(位能相等),在一定条件下,这两种形式的能量可以相互转换,但能量总和不变。以体积流量公式为例:Qv=CεΑ/sqr(2ΔP/(1-β^4)/ρ1)其中:C流出系数;ε可膨胀系数Α节流件开孔截面积,M^2ΔP节流装置输出的差压,Pa;β直径比ρ1被测流体在I-I处的密度,kg/m3;Qv体积流量,m3/h按照补偿要求,需要加入温度和压力的补偿,根据计算书,计算思路是以50度下的工艺参数为基准,计算出任意温度任意压力下的流量。其实重要是密度的转换。计算公式如下:Q=0.004714187*d^2*ε*@sqr(ΔP/ρ)Nm3/h0C101.325kPa也即是画面要求显示的0度标准大气压下的体积流量。在根据密度公式:ρ=P*T50/(P50*T)*ρ50其中:ρ、P、T表示任意温度、压力下的值ρ50、P50、T50表示50度表压为0.04MPa下的工艺基准点结合这两个公式即可在程序中完成编制。二.煤气计算书(省略)三.程序分析1.瞬时量温度量:必须转换成绝对摄氏温度;即+273.15压力量:必须转换成绝对压力进行计算。即表压+大气压力补偿计算根据计算公式,数据保存在PLC的寄存器内。同时在intouch画面上做监视。2.累积量采用2秒中一个扫描上升沿触发进行累积,即将补偿流量值(Nm3/h)比上1800单位转换成每2S的流量值,进行累积求和,画面带复位清零功能。差压流量计的通用计算公式如下图所示,由式1推导可得到式2。式中Q代表流量,△P代表差压,ρ代表流体密度,K是仪表系数,由流量计出厂标定时得到。流量与差压的平方根成正比。差压式流量计是根据安装于管道中流量检测件产生的差压,已知的流体条件和检测件与管道的几何尺寸来计算流量的仪表。差压式流量计由一次装置(检测件)和二次装置(差压转换和流量显示仪表)组成

1、当您付费下载文档后,您只拥有了使用权限,并不意味着购买了版权,文档只能用于自身使用,不得用于其他商业用途(如 [转卖]进行直接盈利或[编辑后售卖]进行间接盈利)。
2、本站所有内容均由合作方或网友上传,本站不对文档的完整性、权威性及其观点立场正确性做任何保证或承诺!文档内容仅供研究参考,付费前请自行鉴别。
3、如文档内容存在违规,或者侵犯商业秘密、侵犯著作权等,请点击“违规举报”。

碎片内容

差压流量计计算公式

慧源书苑+ 关注
实名认证
内容提供者

热爱教育事业,爱好互联网行业

相关文档

确认删除?
VIP
微信客服
  • 扫码咨询
会员Q群
  • 会员专属群点击这里加入QQ群
客服邮箱
回到顶部