电脑桌面
添加小米粒文库到电脑桌面
安装后可以在桌面快捷访问

除盐水箱喷聚脲施VIP专享VIP免费

除盐水箱喷聚脲施_第1页
1/25
除盐水箱喷聚脲施_第2页
2/25
除盐水箱喷聚脲施_第3页
3/25
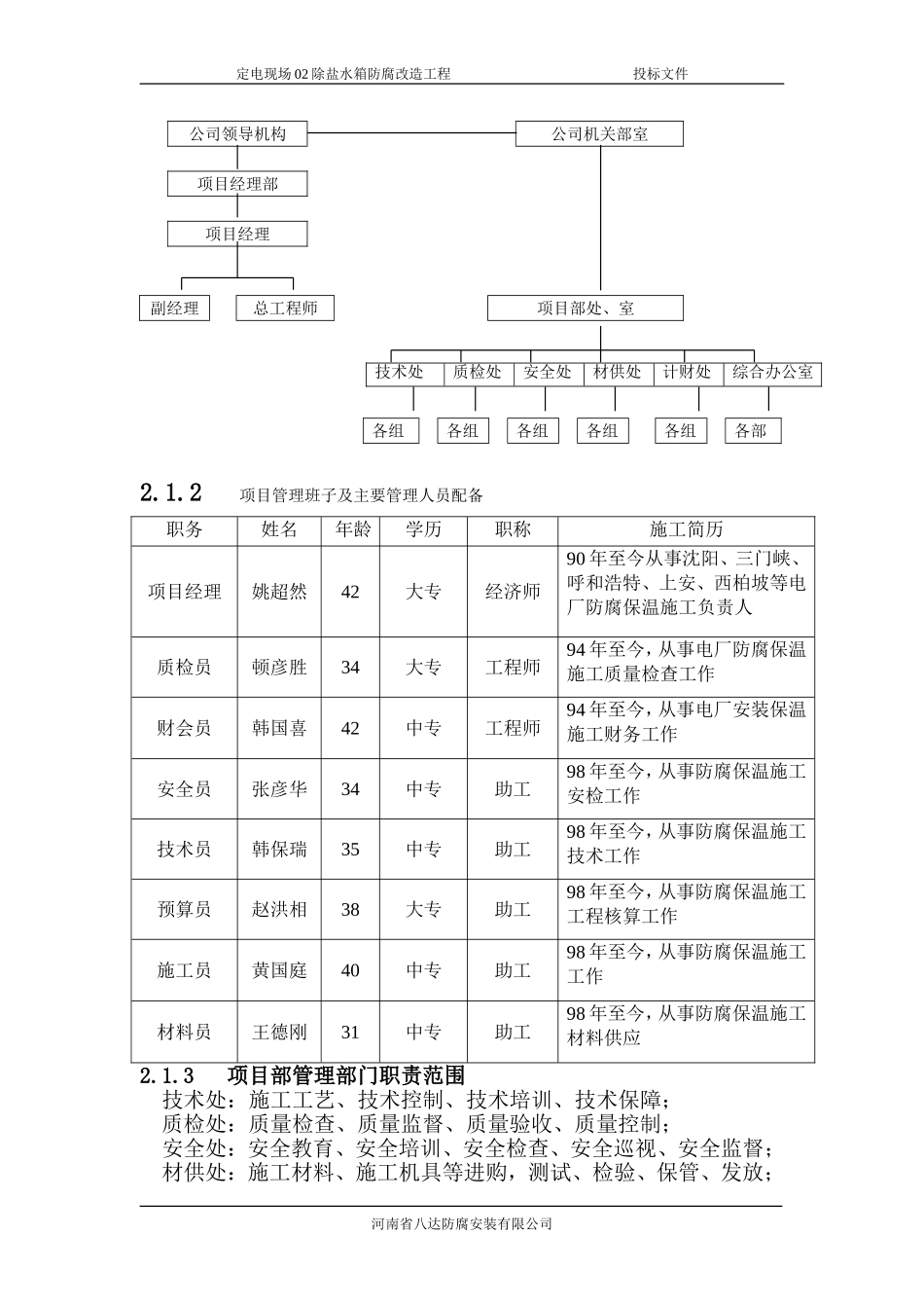
定电现场02除盐水箱防腐改造工程投标文件施工组织设计一、设计编制项目名称:河北国华定洲发电有限公司化学补给水处理02除盐水箱防腐改造工程建设地点:河北定洲市开元镇工程内容:1、将现有的定电化学补给水处理02除盐水箱原防腐层进行拆除并进行喷砂除锈;2、将化学补给水处理02除盐水箱内部喷涂聚脲防腐层。适用范围:本设计只针对河北国华定洲发电有限公司化学补给水处理02除盐水箱防腐改造工程。编制依据:《招标文件》《涂装前钢材表现预处理规范》SY/T0407-97《钢制容器防腐、保温工程施工及验收标准》SY/T4059-93《涂装前钢铁表面锈蚀等级和除锈等级》GB/T8923-88《涂装作业安全规程-劳动安全和劳动卫生管理》GB7691—87《涂装作业安全规程-涂漆前处理工艺安全》GB7692—87《涂装作业安全规程-涂漆前处理工艺通风净化》GB7693—87“ISO9001质量控制体系”“HSE施工控制”承包商类似工程施工经验二、施工组织机构及人员人员组成配备以从事防腐工程施工多年,专业技术水平高,施工经验丰富,责任心强的劳动熟练工人和技术管理骨干组成。所组织配备的人员,对质量、进度、安全管理的高标准、严要求已有充分的认识和准备,完全能胜任此项工程的施工。2.1.施工组织机构说明及网络2.1.1项目部设立根据该项目的特点,结合承包商的情况,承包商决定在施工现场设立“工程施工项目部”,项目部代表承包商单位履行工程承包合同,负责对工程现场施工全过程的组织控制与管理。项目部实行项目经理负责制,设项目经理一名,对现场施工、经营、人事负全面责任;设项目副经理、技术总负责(项目总工)各1人负责工程施工调度、工程技术、质量、安全监控分项工作;项目部下设“五处一室”,各处室按照职责行使管理职能。组织机构网络图河南省八达防腐安装有限公司定电现场02除盐水箱防腐改造工程投标文件公司领导机构公司机关部室项目经理部项目经理副经理总工程师项目部处、室各组各组各组各组各组各部2.1.2项目管理班子及主要管理人员配备职务姓名年龄学历职称施工简历项目经理姚超然42大专经济师90年至今从事沈阳、三门峡、呼和浩特、上安、西柏坡等电厂防腐保温施工负责人质检员顿彦胜34大专工程师94年至今,从事电厂防腐保温施工质量检查工作财会员韩国喜42中专工程师94年至今,从事电厂安装保温施工财务工作安全员张彦华34中专助工98年至今,从事防腐保温施工安检工作技术员韩保瑞35中专助工98年至今,从事防腐保温施工技术工作预算员赵洪相38大专助工98年至今,从事防腐保温施工工程核算工作施工员黄国庭40中专助工98年至今,从事防腐保温施工工作材料员王德刚31中专助工98年至今,从事防腐保温施工材料供应2.1.3项目部管理部门职责范围技术处:施工工艺、技术控制、技术培训、技术保障;质检处:质量检查、质量监督、质量验收、质量控制;安全处:安全教育、安全培训、安全检查、安全巡视、安全监督;材供处:施工材料、施工机具等进购,测试、检验、保管、发放;河南省八达防腐安装有限公司技术处质检处安全处材供处计财处综合办公室定电现场02除盐水箱防腐改造工程投标文件计财处:工程预、结算、财务报表、工资发放、劳保等;综合办公室:人员调配、机具调运、文秘、企管、宣传、接待、文件资料、车辆、食宿等。2.2劳动力组织及计划安排2.2.1劳动力组织根据工程实际需要,选派多年从事喷涂施工、架子搭设等精干技工,组建相应的作业班组。作业班组设置为:涂装班、机电组、架子班。2.2.2劳动力需量及工种构成根据标书中的工作内容,为确保优质,安全,按期完成施工任务。工作及劳动力安排如下:劳动力配备计划表工种工程名称涂装架子工15涂装工8机电工2材料员1质检员1安全员1司机1普工3维修1合计332.3设备及施工平面布置施工区本着满足施工、现场临办公、仓储的需要、确工期的顺利完成。为依据需用项目办公室之间,综合办公室外1间,现场临时仓库2间。具体施工布置以甲方指定区域布置。三、SPUA(聚脲喷涂)技术喷涂聚脲弹性体技术是由聚脲RIM发展而来的一种新型无污染喷涂技术(简称SPUA),它良好的工艺性、优异的理化性能和环保性,充分显示出传统涂装技术无与伦比的优越性,广...

1、当您付费下载文档后,您只拥有了使用权限,并不意味着购买了版权,文档只能用于自身使用,不得用于其他商业用途(如 [转卖]进行直接盈利或[编辑后售卖]进行间接盈利)。
2、本站所有内容均由合作方或网友上传,本站不对文档的完整性、权威性及其观点立场正确性做任何保证或承诺!文档内容仅供研究参考,付费前请自行鉴别。
3、如文档内容存在违规,或者侵犯商业秘密、侵犯著作权等,请点击“违规举报”。

碎片内容

除盐水箱喷聚脲施

确认删除?
VIP
微信客服
  • 扫码咨询
会员Q群
  • 会员专属群点击这里加入QQ群
客服邮箱
回到顶部