电脑桌面
添加小米粒文库到电脑桌面
安装后可以在桌面快捷访问

高三物理电学实验专题VIP专享VIP免费

高三物理电学实验专题_第1页
1/6
高三物理电学实验专题_第2页
2/6
高三物理电学实验专题_第3页
3/6
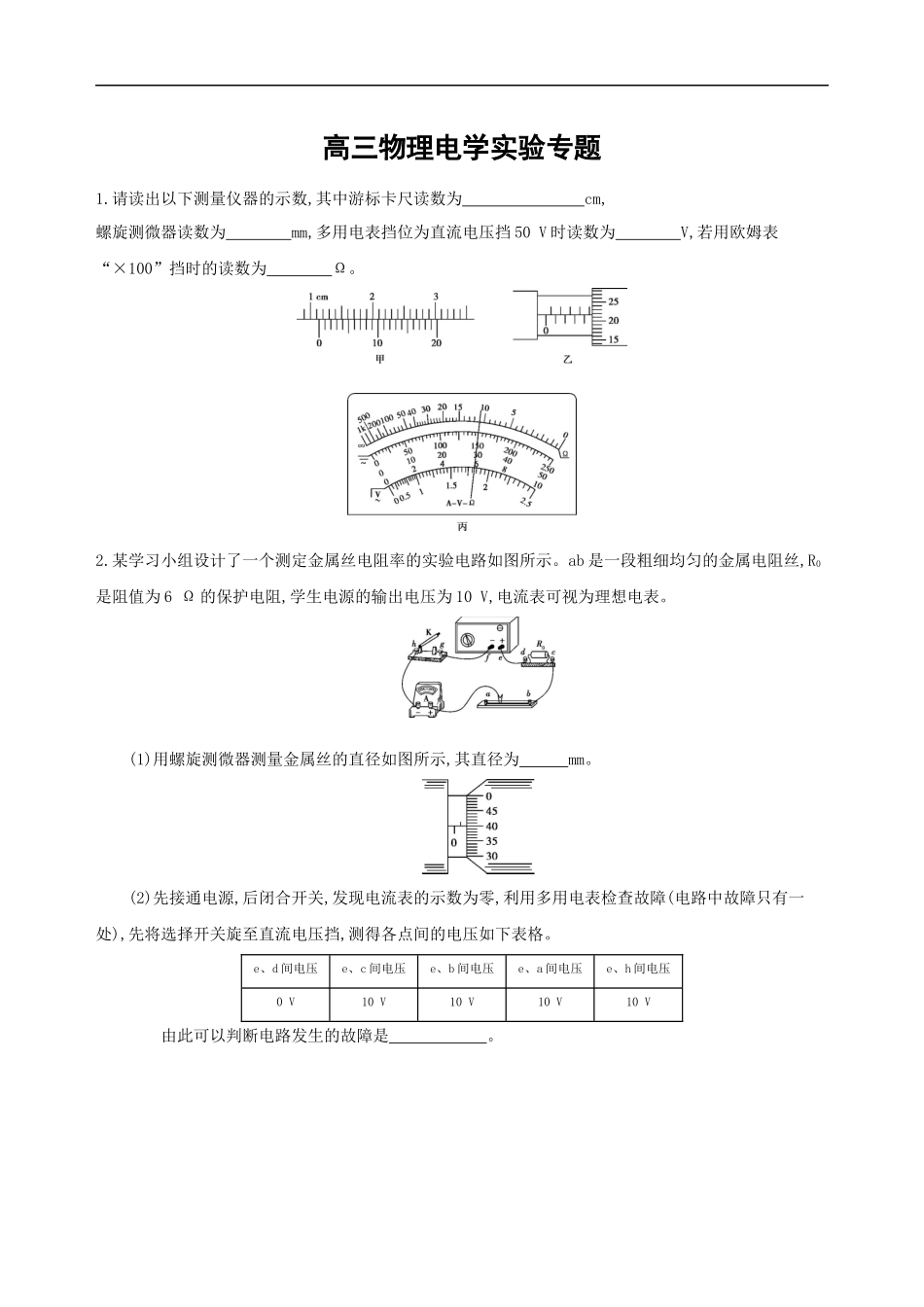
高三物理电学实验专题1.请读出以下测量仪器的示数,其中游标卡尺读数为cm,螺旋测微器读数为mm,多用电表挡位为直流电压挡50V时读数为V,若用欧姆表“×100”挡时的读数为Ω。2.某学习小组设计了一个测定金属丝电阻率的实验电路如图所示。ab是一段粗细均匀的金属电阻丝,R0是阻值为6Ω的保护电阻,学生电源的输出电压为10V,电流表可视为理想电表。(1)用螺旋测微器测量金属丝的直径如图所示,其直径为mm。(2)先接通电源,后闭合开关,发现电流表的示数为零,利用多用电表检查故障(电路中故障只有一处),先将选择开关旋至直流电压挡,测得各点间的电压如下表格。e、d间电压e、c间电压e、b间电压e、a间电压e、h间电压0V10V10V10V10V由此可以判断电路发生的故障是。(3)排除故障后进行实验,闭合开关K,调节线夹的位置,记录金属电阻丝ab接入电路的长度L和对应的电流表的示数I,根据得到的实验数据,作出了1I-L图像。由图像和测得的数据可估算出该金属丝的电阻率为Ω·m。(π取3,保留1位有效数字)(4)若电流表不能视为理想电表,考虑电流表的电阻,则电阻率的测量值真实值。(选填“大于”“等于”或“小于”)3.[2017北京海淀二模,21(2)]指针式多用电表是实验室中常用的测量仪器。①如图所示为某同学设计的多用电表的原理示意图。虚线框中S为一个单刀多掷开关,通过操作开关,接线柱B可以分别与触点1、2、3接通,从而实现使用多用电表测量不同物理量的不同功能。关于此多用电表,下列说法中正确的是。(选填选项前面的字母)A.当S接触点1时,多用电表处于测量电流的挡位,其中接线柱B接的是黑表笔B.当S接触点2时,多用电表处于测量电压的挡位,其中接线柱B接的是黑表笔C.当S接触点2时,多用电表处于测量电阻的挡位,其中接线柱B接的是黑表笔D.当S接触点3时,多用电表处于测量电压的挡位,其中接线柱B接的是红表笔②用实验室的多用电表进行某次测量时,指针在表盘的位置如图所示。A.若所选挡位为直流50mA挡,则示数为mA。B.若所选挡位为电阻×10Ω挡,则示数为Ω。③用表盘为图所示的多用电表正确测量了一个约15Ω的电阻后,需要继续测量一个阻值约2kΩ的电阻。在用红、黑表笔接触这个电阻两端之前,请选择以下必须的步骤,并按操作顺序逐一写出步骤的序号:。A.将红表笔和黑表笔接触B.把选择开关旋转到“×100”位置C.把选择开关旋转到“×1k”位置D.调节欧姆调零旋钮使表针指向欧姆零点④某小组同学们发现欧姆表的表盘刻线不均匀,分析在同一个挡位下通过待测电阻的电流I和它的阻值Rx关系,他们分别画出了如图所示的几种图像,其中可能正确的是。4.(2018·东北三省四市二模)某研究小组要测量电压表V1的内阻r1,要求方法简洁,有尽可能高的测量精度,并能测得多组数据,现提供如下器材:A.电压表(V1):量程3V,内阻r1待测(约2000Ω)B.电压表(V2):量程6V,内阻r2=4000ΩC.电压表(V3):量程4V,内阻r3=10000ΩD.电流表(A1):量程0.6A,内阻r4=0.05ΩE.滑动变阻器(R0):总电阻约50ΩF.电源(E):电动势15V,内阻很小G.电键(S)、导线若干(1)请从所给器材中选出适当的器材,设计电路,在方框中画出电路图,标明所用器材的符号;(2)根据所设计的电路图,写出待测电压表V1的内阻r1的表达式,即:r1=r2,式中各符号的意义是:U1表示电压表V1的示数,U2表示电压表V2的示数,r2表示电压表V2的内阻.5.现有一量程为3V的电压表,内阻约为5~6kΩ.为了较准确地测量其内阻,在没有电流表的情况下,某同学设计了如图甲所示的实验电路,按此电路可以测出电压表的内阻.(1)试根据图甲所示的电路图,完成如图乙所示的实物电路的连线.(2)若电源E、滑动变阻器R2、电阻箱R1各有两组可供选择:电源E:a.电动势2.0V,有内阻b.电动势5.0V,有内阻滑动变阻器R2:a.最大阻值20Ωb.最大阻值1700Ω电阻箱R1:a.0~999.9Ωb.0~9999.9Ω为了减小实验误差,电源E应选b(填序号“a”或“b”,下同),滑动变阻器R2应选a,电阻箱R1应选b.(3)该同学在开关都断开的情况下,检查电路连接无误后,接通电路前应将滑动变阻器的滑动头P置于A端.后续必要的实验操作步骤依次是:A、B、E、D、G或B、A、E、D、G.最后记录R1的阻值并整理好器材.(请按合理的实验...

1、当您付费下载文档后,您只拥有了使用权限,并不意味着购买了版权,文档只能用于自身使用,不得用于其他商业用途(如 [转卖]进行直接盈利或[编辑后售卖]进行间接盈利)。
2、本站所有内容均由合作方或网友上传,本站不对文档的完整性、权威性及其观点立场正确性做任何保证或承诺!文档内容仅供研究参考,付费前请自行鉴别。
3、如文档内容存在违规,或者侵犯商业秘密、侵犯著作权等,请点击“违规举报”。

碎片内容

高三物理电学实验专题

您可能关注的文档

确认删除?
VIP
微信客服
  • 扫码咨询
会员Q群
  • 会员专属群点击这里加入QQ群
客服邮箱
回到顶部