电脑桌面
添加小米粒文库到电脑桌面
安装后可以在桌面快捷访问

人教版九年级物理全册湖南娄底上学期第一次联考理科综合试题VIP免费

人教版九年级物理全册湖南娄底上学期第一次联考理科综合试题_第1页
1/6
人教版九年级物理全册湖南娄底上学期第一次联考理科综合试题_第2页
2/6
人教版九年级物理全册湖南娄底上学期第一次联考理科综合试题_第3页
3/6
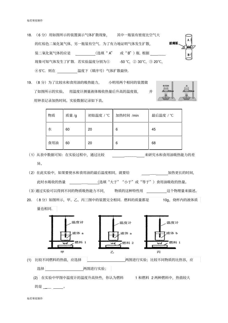
灿若寒星制作灿若寒星制作娄底市2015-2016学年上学期初三第一次大联考理科综合(物理)理科综合时量120分钟,物理满分100分一、单选题(本题共30分。每小题给出的选项中,只有一个是正确的,请把正确答案的序号填涂到答题卡相应的位置,写在其它地方的均不给分。每小题选对得3分,错选或未选的得0分。)1.在国际单位制中,热量的单位是()A.焦(J)B.帕(Pa)C.米/秒(m/s)D.瓦(W)2.下列现象说明分子之间存在斥力的是()A.煮茶叶蛋时,蛋壳会变成茶色B.要将固体和液体压缩感觉非常困难C.两块表面磨平、干净的铅块,压紧后在它下面能挂较重的物体而不被拉开D.挂衣服的塑料吸盘压紧在玻璃上,很难被拉开3.花开的时候,校园里到处都能闻花香,这是一种扩散现象。以下分析错误的是()A、扩散现象只发生在气体﹑液体之间B、扩散现象说明分子在不停地运动C、温度越高扩散现象越剧烈D、扩散现象说明分子间存在着间隙4.以下四种情形,不是通过做功改变物体内能的是()A.钻木取火B.锯木头木头发热C.烧水水变热D.两手摩擦发热5.两个物体紧靠在一起,而没有发生热传递,那么它们一定具有相同的()A.热量B.质量C.比热D.温度6.在内燃机的压缩冲程中,气体的温度和内能变化情况是()A.内能减少,温度升高B.内能减少,温度降低C.内能增加,温度降低D.内能增加,温度升高7.质量相等的两块金属同时从沸水中取出来放在冰上,能使冰熔化得较多的那块金属具有()A.较大的体积B.较大的面积C.较大的密度D.较大的比热容8.现有一瓶液体燃料,若倒掉一半后完全燃烧,则()A.热值减半,放出的热量不变B.热值减半,放出的热量减半C.热值不变,放出的热量不变D.热值不变,放出的热量减半9.铜的比热容是铅的比热容的3倍。质量相同的铜块和铅块,若它们升高的温度之比为1∶4,则它们吸热之比为()A.3∶4B.4∶3C.8∶1D.1∶810.一台柴油机,有mkg柴油完全燃烧时,放出8.0×108J的热量,要损失3.2×108J的热量,则该灿若寒星制作灿若寒星制作柴油机的效率是()A.30﹪B.40﹪C.50﹪D.60﹪二、填空题(本题共24分,每空2分,把答案填写在答题卡相应的位置)11.改变物体的内能有两种方法:做功和热传递。分别举出一个利用做功和热传递改变物体内能的实例:___________________和__________________。12.常见物质是由大量分子组成的。扩散现象是由于分子运动形成的;一定量的水和酒精混合总体积变小,是由于分子之间存在___________;固体和液体很难被压缩,是由于分子之间存在__________.13.砂石的比热容为0.92×103J/(kg·℃),它表示质量为___________的砂石,温度每升高1℃所吸收的热量为_________________。14.在如图所示的四幅图中,甲、乙是两个演示实验示意图;丙、丁是四冲程汽油机在工作过程中的两个冲程示意图。与压缩冲程原理相同的是(选填“甲”或“乙”)图所示的演示实验;汽油机利用内能来做功的冲程是(选填“丙”或“丁”)图。15.2013年6月11日,我国利用长征系列运载火箭把“神舟十号”飞船成功送人太空。当火箭在加速上升的过程中,燃料燃烧时的化学能转化为___能,部分内能再转化为机械能,从而使火箭的机械能增大;当飞船在环绕地球运行的轨道上从近地点向远地点运动时,动能减小,重力势能。16.一台四冲程内燃机转速为600r/min,则在1s内,内燃机完成___个冲程;对外做功的次数是___.三、作图与实验探究(26分,其中17题4分,18题6分,19题8分,20题8分)17.(4分)如图所示,拿一个大口玻璃瓶,瓶内装少量的水,用塞子塞紧,通过塞子上的开口往瓶里打气。(1)当塞子从瓶口跳起来时,可以看到瓶内会出现。(2)产生上述现象的原因是:瓶内的空气膨胀做功时,内能减少,温度,使瓶内空气中的水蒸气液化成小水珠。灿若寒星制作灿若寒星制作18.(6分)用如图所示的装置演示气体扩散现象,其中一瓶装有密度比空气大的红棕色二氧化氮气体,另一瓶装有空气.为了有力地证明气体发生扩散,装二氧化氮气体的应是(选填“A”或“B”)瓶.根据___现象可知气体发生了扩散.若实验温度分别为①-50℃,②30℃,③20℃,④5℃.则在温度下(填序号)气体扩散最快....

1、当您付费下载文档后,您只拥有了使用权限,并不意味着购买了版权,文档只能用于自身使用,不得用于其他商业用途(如 [转卖]进行直接盈利或[编辑后售卖]进行间接盈利)。
2、本站所有内容均由合作方或网友上传,本站不对文档的完整性、权威性及其观点立场正确性做任何保证或承诺!文档内容仅供研究参考,付费前请自行鉴别。
3、如文档内容存在违规,或者侵犯商业秘密、侵犯著作权等,请点击“违规举报”。

碎片内容

人教版九年级物理全册湖南娄底上学期第一次联考理科综合试题

爱的疯狂+ 关注
实名认证
内容提供者

该用户很懒,什么也没介绍

相关文档

确认删除?
VIP
微信客服
  • 扫码咨询
会员Q群
  • 会员专属群点击这里加入QQ群
客服邮箱
回到顶部