电脑桌面
添加小米粒文库到电脑桌面
安装后可以在桌面快捷访问

深基坑围护结构位移变形及内外力监测技术VIP免费

深基坑围护结构位移变形及内外力监测技术_第1页
1/10
深基坑围护结构位移变形及内外力监测技术_第2页
2/10
深基坑围护结构位移变形及内外力监测技术_第3页
3/10
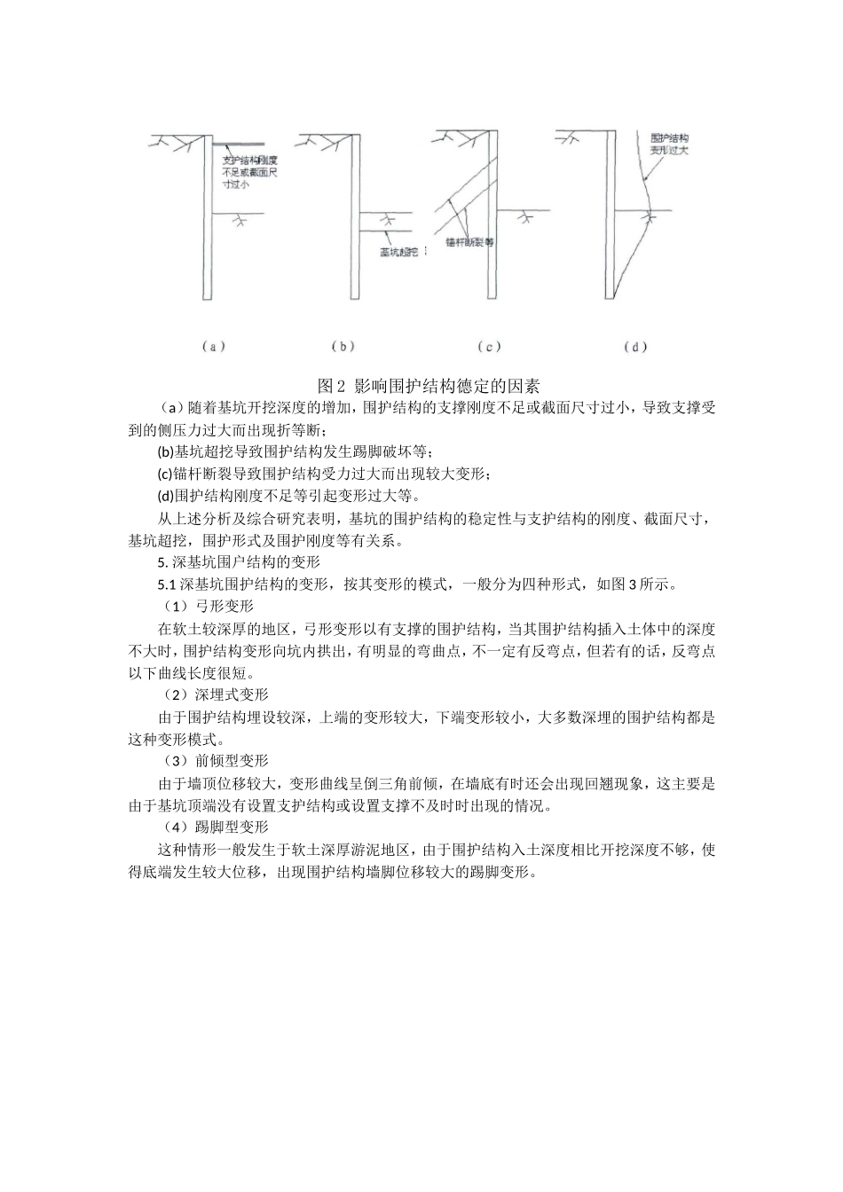
深基坑围护结构位移变形及内外力监测技术一、深基坑围护结构及其位移变形1.地铁深基坑特点地铁施工中,通常在地铁车站处采用明挖法进行,必然产生比较深的深基坑,对于有多条地铁线路相交的换乘枢纽站来说,其深度更大,。相对于一般基础工程而言,地铁深基坑工程具有许多特点,概括起来主要有以下几个方面:(1)深度大。通常在十米以上,对于有线路交叉的换乘车站其深度会更大开挖面积大,长度与宽度有的达数百米给支撑系统的设计、施工和安全保障带来较大的困难。(2)地铁往往修建在大型城市,而我国绝大部分大型城市位于沿海或滨江地带,这些区域的工程水文地质条件很差,且施工期受地表交通影响非常严重,在软弱的地层、高水位及其它复杂场地条件下开挖深基坑,极有可能会产生土体滑移、深基坑失稳、桩体变位、坑底隆起、支挡结构严重漏水、流土以至破损等病害,对深基坑工程自身及周边建筑物、地卜构筑物、市政设施和地下管线的安全造成很大威胁。(3)施工周期长,且场地受限制多。地铁深基坑沿线往往有大量已建或正在建的高层建筑、市政管线等,进行深基坑施工时除保障其本身的工程安全外,还需严格控制变形值,保障周边建构筑物的安全。(4)因地而异。不同城市、不同地点的工程及水文地质条件存在较大差别,而且施工环境及气象也各不相同,这些都直接影响深基坑施工方案的选择及安全。(5)技术要求高,涉及面广。地铁深基坑工程牵涉到土力学、岩石力学、混凝土结构、钢结构等的设计及施工监测技术,必须选择合理的设计及施工参数、方法来组织施工及安全防护。(6)施工与设计相互关联。地铁深基坑工程对技术要求高,施工与设计必须相互协调,在设计时就要对施工工艺、支护方法、支护结构变形及受力情况进行充分考虑,以施工影响设计。(7)对深基坑的支护技术要求高、方法多,深基坑支护的方法主要有、地下连续墙、预制桩、深层搅拌桩、钢木支撑、拉锚、抗滑桩、注浆、喷锚网支护法、人工挖孔桩、各种桩墙、板、管、撑同锚杆联合支护法和土钉墙法等,如何根据工程实际情况选择施工方法非常关键。(8)安全隐患多,事故多发,一。由于影响深基坑施工的安全因素很多,甚至有些是随机性的因素,使得国内外深基坑施工引起的安全事故屡屡发生。2.深基坑支护方法基坑施工方法大致可分为无支护开挖和支护开挖两大类。基坑施工中无支护开挖工艺是一种很简单又很经济的施工方法,只要在施工现场有足够的空间放坡,基坑周边环境简单,且地质条件符合要求时,往往优先采用。支护开挖则刚好相反,这种方法通常在基坑周围预先建造排桩或地下连续墙等围护结构,然后才一能开挖土方,有时为了增强围护结构的刚度,还会设置内支撑或拉锚。对变形控制严格、周边环境复杂的大型深基坑工程,必须采取支护开挖的施工方法。深基坑围护结构主要需承受侧向土压力及水压力,还有可能承受邻近建筑物基底压力、施工荷载、地面堆载、车辆荷载等周边环境引起的附加压力。按照围护结构所受土压力的性质,可将基坑支护分为被动支护和主动支护两类。深基坑围护结构被动支护是一种传统的支护方法,主要包括地下连续墙、排桩式围护墙和撑锚体系。地下连续墙适用于各种地质条件和安全等级的深基坑,并可进行逆筑法,施工,墙体既可用于深基坑施工时的临时围护墙,又能作为永久的地下结构,而且在施工时对环境影响小,因而得到了广泛的应用。地下连续墙作为深基坑的支护结构时必须先施工就位刁`能进行深基坑的开挖,其施工方法是先分段开挖一狭长深槽,再吊放钢筋笼并浇筑混凝土,从而筑成一段钢筋混凝土墙段,最后将各墙段连接起来而形成连续的地下墙壁。排桩式围护墙可采用钻孔灌注桩、人工挖孔桩、预制钢筋混凝土桩、钢板桩等桩型,围护墙就是将桩按队列式布置而组成的墙体。排桩式司护墙的布桩方式有柱列式排桩围护墙、连续排桩围护墙、双排桩围护墙等。撑锚体系包括内支撑、拉锚两大类。内支撑设于深基坑内部,山支撑、腰梁、冠梁及立柱等构件组成,通常与围护结构联合使用,作用是承受深基坑围护结构传来的水土压力并大幅增加支护结构刚度,在周边环境复杂的待开挖软土深基坑中,内支撑与围护墙联合支护具有刚度大、变形小、施工安全可靠的优势而被广泛应用。如果...

1、当您付费下载文档后,您只拥有了使用权限,并不意味着购买了版权,文档只能用于自身使用,不得用于其他商业用途(如 [转卖]进行直接盈利或[编辑后售卖]进行间接盈利)。
2、本站所有内容均由合作方或网友上传,本站不对文档的完整性、权威性及其观点立场正确性做任何保证或承诺!文档内容仅供研究参考,付费前请自行鉴别。
3、如文档内容存在违规,或者侵犯商业秘密、侵犯著作权等,请点击“违规举报”。

碎片内容

深基坑围护结构位移变形及内外力监测技术

一米阳光+ 关注
实名认证
内容提供者

爱好英语教学和互联网行业,热爱教育事业,兢兢业业

确认删除?
VIP
微信客服
  • 扫码咨询
会员Q群
  • 会员专属群点击这里加入QQ群
客服邮箱
回到顶部