电脑桌面
添加小米粒文库到电脑桌面
安装后可以在桌面快捷访问

高加运行维护手册..VIP免费

高加运行维护手册.._第1页
1/12
高加运行维护手册.._第2页
2/12
高加运行维护手册.._第3页
3/12
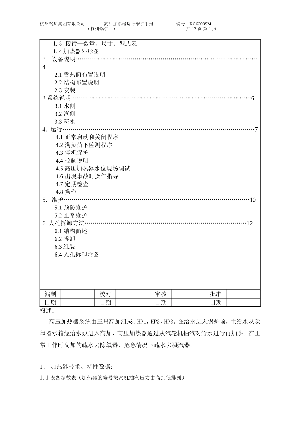
连封面共13页华电可门发电厂(2×600MW)工程型号:JG-2290-1高压加热器运行维护手册编号:RG6300SM杭州锅炉集团有限公司(杭州锅炉厂)2005年9月目录1.加热器技术特性数据…………………………………………………………………21.1设备参数表1.2结构特性表杭州锅炉集团有限公司高压加热器运行维护手册编号:RG6300SM(杭州锅炉厂)共12页第1页1.3接管--数量、尺寸、型式表1.4加热器外形图2.设备说明………………………………………………………………………………42.1受热面布置说明2.2结构布置说明2.3安装3系统说明………………………………………………………………………………63.1水侧3.2汽侧3.3疏水4.运行……………………………………………………………………………………74.1正常启动和关闭程序4.2满负荷下监测程序4.3停机保护4.4控制说明4.5高压加热器水位现场调试4.6出现事故时操作指导4.7定期检查4.8操作5.维护…………………………………………………………………………………105.1预防维护5.2正常维护6.人孔拆卸方法………………………………………………………………………126.1结构简述6.2拆卸6.3组装6.4人孔拆卸附图编制校对审核批准日期日期日期日期概述:高压加热器系统由三只高加组成:HP1,HP2,HP3。在给水进入锅炉前,主给水从除氧器水箱经给水泵进入高加,高压加热器通过从汽轮机抽汽对给水进行再加热。在正常工作时高加的疏水去除氧器,危急情况下疏水去凝汽器。1.加热器技术、特性数据:1.1设备参数表(加热器的编号按汽机抽汽压力由高到低排列)杭州锅炉集团有限公司高压加热器运行维护手册编号:RG6300SM(杭州锅炉厂)共12页第2页序号项目1#高加(HP1)2#高加(HP2)3#高加(HP3)1加热器管侧设计压力(MPa)27.53737设计温度(℃)317292246试验压力(MPa)46.2546.2546.25管侧压力降(MPa)≤0.089≤0.086≤0.0812加热器壳侧设计压力(MPa)8.095.532.49设计温度(℃)406/297348/272492/226试验压力(MPa)10.57.03.11壳侧压力降(MPa)≤0.028≤0.031≤0.0343设计管内流速(m/s)2.452.372.31管内最大流速(m/s)2.692.612.554给水端差(℃)-1.7005疏水端差(℃)5.65.65.66有效表面积(m2)218721431413每段有效表面积(m2)蒸汽冷却段凝结段疏水冷却段254183210126215852961709662777净重(kg)968009240067650运行荷重(kg)1066009860074560充水荷重(kg)119600113900888001.2结构特性表(高压给水加热器编号按汽机抽汽压力由高至低排列,单台机组)序号项目1#高加(HP1)2#高加(HP2)3#高加(HP3)1加热器数量1112加热器型式卧式U形管卧式U形管卧式U形管3加热器布置单列单列单列4壳体支撑固定和滚动固定和滚动固定和滚动5水室封头型式半球形半球形半球形封头材料SA302Gr.CSA302Gr.CSA302Gr.C6加热器壳体壳体最大外径及壁厚(mm)Ф2140×70Ф2080×40Ф2072×36最大总长(m)11.3512.0469.035壳体材料SA662Gr.CSA662Gr.CSA387Gr11CL2/SA662Gr.C冲击板材料1Cr18Ni9Ti1Cr18Ni9Ti1Cr18Ni9Ti7加热器管束杭州锅炉集团有限公司高压加热器运行维护手册编号:RG6300SM(杭州锅炉厂)共12页第3页序号项目1#高加(HP1)2#高加(HP2)3#高加(HP3)加热器管侧流程222管子与管板的连接方式焊接&胀接焊接&胀接焊接&胀接型式:(弯管或直管)弯管U形弯管U形弯管U形管子数量(根)248024802480管子材料16Mo316Mo316Mo3尺寸/壁厚(mm)Ф16×2.2Ф16×2.2Ф16×2.2备用管子10%10%10%8水室与管板水室与壳体连结方式焊接焊接焊接水室材料SA302Gr.CSA302Gr.CSA302Gr.C管板材料SA508Gr.3Cl1SA508Gr.3Cl1SA508Gr.3Cl1短接管材料15NiCuMoNb515NiCuMoNb515NiCuMoNb5管板与水室连接方式焊接焊接焊接1.3接管--数量、尺寸、型式表(高压给水加热器编号按汽机抽汽压力由高至低排列)序号项目1#高加(HP1)2#高加(HP2)3#高加(HP3)1水室入口1只/Ф508×50/BW1只/Ф508×50/BW1只/Ф508×50/BW2水室出口1只/Ф508×50/BW1只/Ф508×50/BW1只/Ф508×50/BW3壳体上的抽汽入口1只/Ф273×14.2/BW1只/Ф325×15/BW1只/Ф355.6×15/BW4壳侧疏水出口1只/Ф273×16/BW1只/Ф355.6×1...

1、当您付费下载文档后,您只拥有了使用权限,并不意味着购买了版权,文档只能用于自身使用,不得用于其他商业用途(如 [转卖]进行直接盈利或[编辑后售卖]进行间接盈利)。
2、本站所有内容均由合作方或网友上传,本站不对文档的完整性、权威性及其观点立场正确性做任何保证或承诺!文档内容仅供研究参考,付费前请自行鉴别。
3、如文档内容存在违规,或者侵犯商业秘密、侵犯著作权等,请点击“违规举报”。

碎片内容

高加运行维护手册..

确认删除?
VIP
微信客服
  • 扫码咨询
会员Q群
  • 会员专属群点击这里加入QQ群
客服邮箱
回到顶部