电脑桌面
添加小米粒文库到电脑桌面
安装后可以在桌面快捷访问

人行道及排水施工组织设计军民路VIP免费

人行道及排水施工组织设计军民路_第1页
1/15
人行道及排水施工组织设计军民路_第2页
2/15
人行道及排水施工组织设计军民路_第3页
3/15
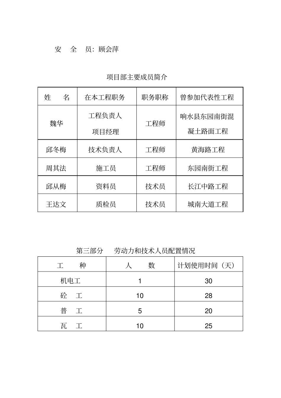
第一部分工程概况军民路南侧部分市政工程位于响水县城西南侧,道路的建成为解决两侧小区及周边居民的居住环境和交通环境,为美化响水县城,县政府决定对人行道及排水工程进行招标。军民路市政工程:东起幸福路,西止红旗路,全长283。4米,总面积为2834平方米。两侧各8。0米宽人行道(含3。0米绿化带)。人行道结构层由上而下分别为:5cm厚C30砼预制板,3cm厚1:3水泥砂浆垫层,5cm厚底标号混凝土基础.排水为DN600钢筋混凝土管道347.6米。第二部分响水县军民路市政工程项目部设置总负责人:李习春项目经理:魏华技术负责人:邱冬梅施工员:周其法质检员:王达文材料员:孙国付资料试验员:邱从梅机械员:李元才安全员:顾会萍项目部主要成员简介姓名在本工程职务职务职称曾参加代表性工程魏华工程负责人项目经理工程师响水县东园南街混凝土路面工程邱冬梅技术负责人工程师黄海路工程周其法施工员工程师东园南街工程邱从梅资料员技术员长江中路工程王达文质检员技术员城南大道工程第三部分劳动力和技术人员配置情况工种人数计划使用时间(天)机电工130砼工1028普工520瓦工1025第四部分施工方案一道路施工部分(一)路基平整1、根据设计要求,将中心线高程引放到路基两侧的固定地方,并加以保护,量好距离后进行加固。2、校核水准点:将监理部门提供的固定水准点引到施工地段,并与现有水准点进行闭合,从而确定本段施工的水准点,每隔100m在永久性建筑物上,引一相对固定的水准基点.3、放线:根据中心桩和水准点,定出施工段的线位和开挖深度,并用边线控制桩和高程控制桩加以控制.4、推土平整:路槽要求前后顺直,如遇树根等杂物必须一次清除干净,不能把易腐物质留在槽底。开挖至设计槽底,边挖边用水准仪控制纵横高程,打桩平整.挖除结束后,复测平整,用轻型压路机碾压,压实达标准.5、建立完整的排水体系,排除地表积水,雨水保持通畅。6、弱软路基处理,首先防范在先,即搞好施工排水及防雨,发现湿软较大面积,采用晾土,节约材料、工期.天气不允许时,用10%石灰土分层夯填。对道路质量不利处理软基时特别要注意做到三块:快挖、快填、快压。(二).机械碾压用8T以上压路机碾压,由两侧向中央,每次轮迹重叠1/3.碾压时采用“先轻后重,先边后中"的原则,做到无浮料、脱皮,松散现象。压实度满足轻型击实95%以上.(三)砼垫层施工为了确保工程质量符合标准要求,按期完成交付使用,方便沿线群众生活,根据气候、气温条件和工程内在特点,道路垫层采用C15砼,现场安排一个施工队,从端头施工。1、施工程序:放线→测桩→立模→砼熟料→浇筑(试块)→振捣→收光→养生。2、操作工艺(1)材料a、水泥:道路专用32.5级普通硅酸盐水泥。b、细骨料:采用粒径大于0.3mm的中粗砂。无土块及有机杂质。c、粗骨料:质地坚硬,有棱角,针片状颗粒含量小于15%,软弱颗粒含量不大于15%,级配合理,最大粒径小于5cm。d、水:饮用水标准。(2)配合比根据试验中心确定的配合比,现场施工时,过磅称重,机械拌和均匀,控制含水量,使砼坍落度,流动性符合标准.砼一般采用半干硬性的水泥砼。(3)模板a、采用钢模板,按放线位置立起,铁钉固定。支立牢固保证振捣时不倾斜,不下沉,不跑模.浇注砼前内侧要刷一层脱模剂。b、支好的模板要复测高程,检查直顺度和固定程度,不达标部分,要进行调整加固,做到高程准确,线条直顺,并能经受2KW振捣器振动30S不变移。(4)摊铺砼a、摊铺前检查底层密实和平整情况b、清理模板内杂物。c、传力杆与纵缝垂直,绑扎牢固,套好套管。d、摊铺砼时应预留坍落高度,一般为2-2。5cm。e、一块砼板必须一次边续浇注完毕,遇到雨天必须将铡浇好路面,做好覆盖保护。(5)振捣a、砼摊铺找平后,使用平板振动器,先沿四周振捣1-2遍,然后垂直路线方向振捣,行行重叠20cm左右,振捣总遍数不少于4次。再用振动棒将模板边捣实,防止蜂窝麻面。b、在平板振动器和振动棒振实后,用全幅振动器振实整平,提浆棒提浆。(6)成活养护成活后洒水,经常保持湿润,养护时间视具体气候季节而言,一般不少于3—5天.(四)人行道及路缘石铺设(1)道板铺设㈠基础混凝土初凝后开始铺砂浆找平层.砂浆严格...

1、当您付费下载文档后,您只拥有了使用权限,并不意味着购买了版权,文档只能用于自身使用,不得用于其他商业用途(如 [转卖]进行直接盈利或[编辑后售卖]进行间接盈利)。
2、本站所有内容均由合作方或网友上传,本站不对文档的完整性、权威性及其观点立场正确性做任何保证或承诺!文档内容仅供研究参考,付费前请自行鉴别。
3、如文档内容存在违规,或者侵犯商业秘密、侵犯著作权等,请点击“违规举报”。

碎片内容

人行道及排水施工组织设计军民路

确认删除?
VIP
微信客服
  • 扫码咨询
会员Q群
  • 会员专属群点击这里加入QQ群
客服邮箱
回到顶部