电脑桌面
添加小米粒文库到电脑桌面
安装后可以在桌面快捷访问

中考物理必考实验精解精练专题 实验21 探究电流与电阻规律试卷VIP免费

中考物理必考实验精解精练专题 实验21 探究电流与电阻规律试卷_第1页
1/24
中考物理必考实验精解精练专题 实验21 探究电流与电阻规律试卷_第2页
2/24
中考物理必考实验精解精练专题 实验21 探究电流与电阻规律试卷_第3页
3/24
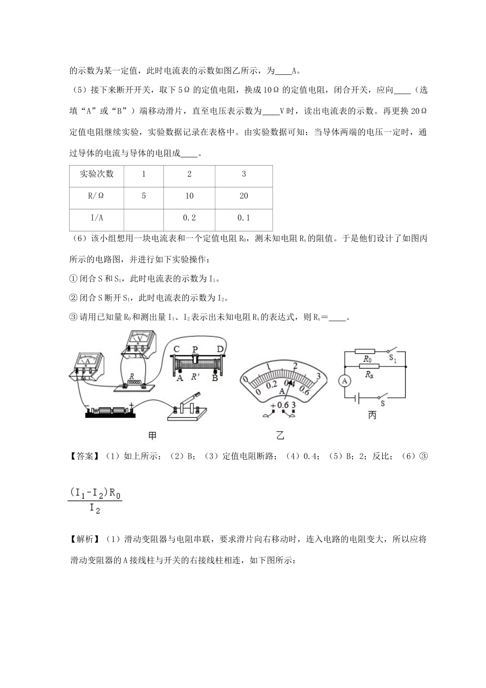
实验21探究电流与电阻规律探究课题:探究电流与电阻规律实验装置实验方法控制变量法、图像法探究过程1.按图连好电路,注意连接时开关要断开,开关闭合之前要把滑动变阻器调到阻值最大处;2.分别将5Ω、10Ω、15Ω的定值电阻连入电路,检查电路后,闭合开关,调节滑动变阻器,使电压表示数保持2V不变,分别记下电流表的示数;3.根据数据画出I-R图像;记录表格描绘图像实验结论在电压一定的情况下,通过导体的电流与导体的电阻成反比满分归纳——考点方向器材作用1.滑动变阻器的作用:①保护电路;②使电阻两端电压保持不变注意事项1.连接实验电路时,开关应断开;电压表应并联在被测电路中,电流表应串联在电路中,连接好电路后,要先用开关试触。2.如果发现电表的指针向左边偏转,说明电表的正负按线柱接反了。3.闭合开关前,发现其中一个电表指针没有指在零刻度上,出现这种现象的原因是没调零。4.闭合开关后,发现电表的指针偏转太大,或太小,那一定是电表的量程选择不合适。5.电表的量程选择得过小,会使指针偏转过大,损坏电表;选择得过大,会使指针偏转过小,测量不准确。一般来说,选择的量程,应使指针偏转到刻度盘的三分之一到三分之二之间。6.换不同规格的电阻多次测量的目的是:得出普遍规律,避免实验的偶然性7.在闭合开关前滑动变阻器应将滑片置于阻值最大端。8.在移动滑片时,发现电压表和电流表的示数始终没有任何变化,其原因是:在连接滑动变阻器时没有按照一上一下的原则连接。9.更换小电阻后如何滑动滑动变阻器的阻值:应使滑动变阻器的阻值变小,滑动变阻器分担的电压变小,保证定值电阻上分的的电压不变。1.(2019•滨州)某实验小组用图甲所示电路进行“探究电流与电阻的关系”实验。(1)请将图甲连接完整,要求滑动变阻器滑片向右移动时电阻变大。(2)闭合开关前,滑动变阻器滑片P应该位于端(选填“A”或“B”)。(3)闭合开关后,同学们发现,无论怎样调节滑动变阻器的滑片,电流表始终没有示数,电压表示数接近电源电压,原因可能是。(4)排除故障后,先将5Ω定值电阻接入电路,闭合开关,调节滑动变阻器的滑片,使电压表的示数为某一定值,此时电流表的示数如图乙所示,为A。(5)接下来断开开关,取下5Ω的定值电阻,换成10Ω的定值电阻,闭合开关,应向(选填“A”或“B”)端移动滑片,直至电压表示数为V时,读出电流表的示数。再更换20Ω定值电阻继续实验,实验数据记录在表格中。由实验数据可知:当导体两端的电压一定时,通过导体的电流与导体的电阻成。实验次数123R/Ω51020I/A0.20.1(6)该小组想用一块电流表和一个定值电阻R0,测未知电阻Rx的阻值。于是他们设计了如图丙所示的电路图,并进行如下实验操作:①闭合S和S1,此时电流表的示数为I1。②闭合S断开S1,此时电流表的示数为I2。③请用已知量R0和测出量I1、I2表示出未知电阻Rx的表达式,则Rx=。【答案】(1)如上所示;(2)B;(3)定值电阻断路;(4)0.4;(5)B;2;反比;(6)③【解析】(1)滑动变阻器与电阻串联,要求滑片向右移动时,连入电路的电阻变大,所以应将滑动变阻器的A接线柱与开关的右接线柱相连,如下图所示:(2)为保护电路,变阻器连入电路中电阻最大即B端;(3)闭合开关,移动变阻器滑片P,发现电流表无示数,电路可有断路发生,而电压表有示数,说明电压表到电源两极间是通路,所以故障原因可能是定值电阻断路;(4)同学们首先将5Ω定值电阻接入电路,将滑片P滑到b端,再闭合开关,调节滑片P,使电压表示数到达某一数值,电流表的示数如图乙所示,电流表选用小量程,分度值为0.02A,示数0.4A;(5)研究电流与电阻的关系时,要控制电压表示数不变,由欧姆定律的变形公式,电压表示数U=IR=0.4A×5Ω=2V;根据串联分压原理可知,将定值电阻由5Ω改接成10Ω的电阻,电阻增大,其分得的电压增大;探究电流与电阻的实验中应控制电压不变,即应保持电阻两端的电压不变,根据串联电路电压的规律可知应增大滑动变阻器分得的电压,由分压原理,应增大滑动变阻器连入电路中的电阻,所以滑片应向B端移动,使电压表的示数为2V,读出电流表的示数;由表格中数据...

1、当您付费下载文档后,您只拥有了使用权限,并不意味着购买了版权,文档只能用于自身使用,不得用于其他商业用途(如 [转卖]进行直接盈利或[编辑后售卖]进行间接盈利)。
2、本站所有内容均由合作方或网友上传,本站不对文档的完整性、权威性及其观点立场正确性做任何保证或承诺!文档内容仅供研究参考,付费前请自行鉴别。
3、如文档内容存在违规,或者侵犯商业秘密、侵犯著作权等,请点击“违规举报”。

碎片内容

中考物理必考实验精解精练专题 实验21 探究电流与电阻规律试卷

雨丝书吧+ 关注
实名认证
内容提供者

乐于和他人分享知识,从事历史教学,热爱教育,高度负责。

相关文档

确认删除?
VIP
微信客服
  • 扫码咨询
会员Q群
  • 会员专属群点击这里加入QQ群
客服邮箱
回到顶部