电脑桌面
添加小米粒文库到电脑桌面
安装后可以在桌面快捷访问

西安唐城宾馆餐厅及客房装饰改造工程Ⅰ标段施组424VIP免费

西安唐城宾馆餐厅及客房装饰改造工程Ⅰ标段施组424_第1页
1/166
西安唐城宾馆餐厅及客房装饰改造工程Ⅰ标段施组424_第2页
2/166
西安唐城宾馆餐厅及客房装饰改造工程Ⅰ标段施组424_第3页
3/166
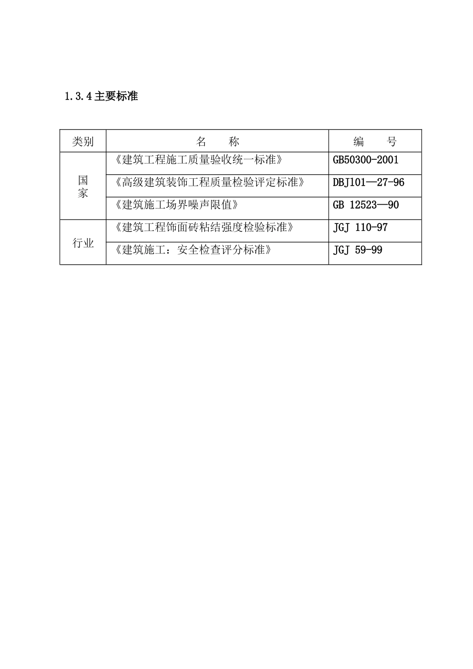
第一章工程综述1.1编制说明1.1.1感谢业主对我公司的充分信任,能够给予我公司参加“西安唐城宾馆餐厅及客房装饰改造工程Ⅰ标段”工程的投标机会!我们深知本工程的重要性,公司上下高度重视,在接到招标文件和设计图纸后,公司迅速组织专业技术人员认真阅读理解招标文件和设计图纸,对该工程的特点、重点和难点进行仔细研究和方案论证,力求使施工组织设计科学、合理、详尽,具有很强的针对性和可操作性。1.1.2我公司承建过许多类似工程项目,在工程重点和难点方面积累了较为丰富的施工经验,积累了一套成熟先进的施工技术和管理经验,为本工程的圆满完成奠定了基础。1.2招标主要范围按照招标文件,本工程招标主要范围为:Ⅰ标段包括丽苑宫、凤鸣宫、新建西餐厅、会议室、新建后厨、钢结构(含拆除)。招标范围为装饰、强弱电、给排水、暖通空调、消防、钢结构等工程。1.3编制依据1.3.1建设单位提供的施工图纸1.3.2建设单位提供的招标文件1.3.3主要规程、规范类别名称编号国家标准《工程测量规范》GB50026-93《建筑地面工程施工及验收规范》GB50209-2002《建筑给水排水与采暖工程施工质量验收规范》GB50242-2002《建筑电气安装工程施工质量验收规范》GB50303-2002《建设工程施工现场供用电安全规范》GB50194-93《建筑材料放射性核素限量》GB6566-2001《室内装饰装修材料人造板及制品中甲醛释放限量》GBl8580-2001《室内装饰装修材料溶剂型木器涂料中有害物质现量》GBl8581—2001《室内装饰装修材料内墙涂料中有害物质限量》GBl8582-2001《室内装饰装修材料胶粘剂中有害物质限量》GBl8583-2001《室内装饰装修材料木家具中有害物质限量》GBl8584-2001《室内装饰装修材料壁纸中有害物质限量》GBl8585-2001《室内装修材料聚氯乙烯卷材地板中有害物质限量》GBl8586-2001《室内装饰装修材料地毯、地毯衬及地毯胶粘剂有害物》GBl8587-2001《民用建筑工程室内环境污染控制规范》GB50325-200l《建筑内部装修设计防火规范》GB50222-95《玻璃幕墙工程技术规范》JGJ102-2003《建筑幕墙工程技术规范》DBJ08-56-96《钢结构工程施工及验收规范》GB50205《建筑装饰装修工程施工及验收规范》GB50210-2001行业标准《建筑变形测量规程》JGJ/T8-97《建筑装饰工程施工及验收规范》JGJ73—91《建筑机械使用安全技术规程》JGJ33—86《施工现场临时用电安全技术规范》JGJ46-88《建筑施工高处作业安全技术规程》JGJ80-911.3.4主要标准类别名称编号国家《建筑工程施工质量验收统一标准》GB50300-2001《高级建筑装饰工程质量检验评定标准》DBJl01—27-96《建筑施工场界噪声限值》GB12523—90行业《建筑工程饰面砖粘结强度检验标准》JGJ110-97《建筑施工:安全检查评分标准》JGJ59-99第二章工程概况2.1建筑概况本工程为西安唐城宾馆餐厅及客房装饰改造工程,工程地点为西安市含光路上,建筑物结构类型为框架结构,总建筑面积约9000㎡。2.2工期质量要求工期方面招标文件要求为90日历天,开工日期依据甲方开工通知为准。2.3质量要求本工程质量标准:合格。2.4合同价格本工程采用固定价格合同。第三章施工部署3.1项目组织机构本工程将委派具有同类工程总承包经验的国家一级项目经理和管理人员组成项目经理部,以项目经理为核心,充分发挥企业整体优势,实施“过程精品”管理,以合同管理为依据,以专业管理和计算机管理相结合的管理手段,对工程项目进程全过程、全方位的计划、组织、管理、协调与控制,高效率地实现工程项目综合目标,实现对业主的承诺。组织机构详见下图中组织机构图。项目经理项目副经理技术负责人瓦工作业队木工作业队拆除作业队油工作业队钢结构作业队电焊班作业队电气业作业队施工管理组质量检查组安全监督组材料管理组计划管理组后勤管理组幕墙作业队3.2部门职能项目经理部设六个职能部门:1、施工管理组:成立装饰、安装两个施工组,分别具体负责编制施工技术实施方案和作业指导书,并向操作人员交底,指导工人施工。负责进度计划的落实,检查施工质量等工作。工程施工管理组由专业工程师组成。2、质量检查组:具体负责施工过程的质量检查、验收和评定,质量记录的搜集、整理工作。3、安全...

1、当您付费下载文档后,您只拥有了使用权限,并不意味着购买了版权,文档只能用于自身使用,不得用于其他商业用途(如 [转卖]进行直接盈利或[编辑后售卖]进行间接盈利)。
2、本站所有内容均由合作方或网友上传,本站不对文档的完整性、权威性及其观点立场正确性做任何保证或承诺!文档内容仅供研究参考,付费前请自行鉴别。
3、如文档内容存在违规,或者侵犯商业秘密、侵犯著作权等,请点击“违规举报”。

碎片内容

西安唐城宾馆餐厅及客房装饰改造工程Ⅰ标段施组424

您可能关注的文档

确认删除?
VIP
微信客服
  • 扫码咨询
会员Q群
  • 会员专属群点击这里加入QQ群
客服邮箱
回到顶部