电脑桌面
添加小米粒文库到电脑桌面
安装后可以在桌面快捷访问

长螺旋钻孔压灌桩VIP免费

长螺旋钻孔压灌桩_第1页
1/9
长螺旋钻孔压灌桩_第2页
2/9
长螺旋钻孔压灌桩_第3页
3/9
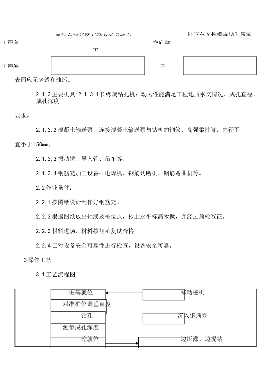
工程名称襄阳东津新区万平方米还建房工程交底部位地下车库长螺旋钻孔压灌桩工程编号日期交底内容:长螺旋钻孔压灌桩1 范围本工艺标准适用于长螺旋钻孔压灌后插钢筋笼灌注桩施工。2 施工准备2.1 材料及主要机具:采用商品混凝土,出厂时应具备砂、石、水泥、外加剂等试验证明文件及混凝土配合比试验报告。要求混凝土中的最大氯离子含量为;当使用碱活性骨料时,混凝土中的最大碱含量为;粗骨料采用连续级配,含泥量不得大于,泥块含量不得大于,细骨料含泥量不得大于,泥块含量不得大于。每方混凝土中的水泥和掺合料总量要比普通混凝土中两者的总量要高,砂率控制在之间。粗细骨料采用连续级配,粗骨料根据泵送高度选择其最大粒径,高度越高,粒径越小;细骨料要采用中砂,通过筛孔的砂不少于,另外掺入粉煤灰能使泵送混凝土的流动性显着增加,且减少拌合物的泌水和干缩,大大改善混凝土的泵送性能。泵送混凝土配合比设计要根据混凝土的原材料、运输距离、混凝土泵与输送管径、泵送距离、气温等具体施工条件试配。为增强混凝土的可泵性,在混凝土中掺入适量粉煤灰和减水剂,掺量须经过试验确定。为保证混凝土的缓凝时间达到〜,满足混凝土出机运至现场具有可泵送料条件,在混凝土中掺入适量缓凝剂。混凝土泵送坍落度控制在〜。2.1.2 钢筋:钢筋的级别、直径必须符合设计要求,有出厂证明书及复试报告,襄阳东津新区万平方米还建房地下车库长螺旋钻孔压灌工程名交底部工工程编日表面应无老锈和油污。2.1.3 主要机具:2.1.3.1 长螺旋钻孔机:动力性能满足工程地质水文情况、成孔直径、成孔深度要求。2.1.3.2 混凝土输送泵,连接混凝土输送泵与钻机的钢管、高强柔性管,内径不宜小于 150mm。2.1.3.3 振动锤、导入管、吊车等。2.1.3.4 钢筋笼加工设备:电焊机、钢筋切断机、钢筋弯曲机等。2.2 作业条件:2.2.1 按图纸设计制作好钢筋笼。2.2.2 根据图纸放出轴线及桩位点,抄上水平标高木撅,并经过预检签证。2.2.3 材料进场,材料按规范复试合格。2.2.4 已对设备安全可靠性进行检查,设备安全可靠。3 操作工艺3.1 工艺流程图:工程名称襄阳东津新区万平方米还建房工程交底部位地下车库长螺旋钻孔压灌桩工程编号日期取样留置试块养护、送检3.2 钻孔机就位:每根桩就位前应核对图纸与桩位,确保就位符合设计要求。钻机必须铺垫平稳,确保机身平整,钻杆垂直稳定牢固,钻头对准桩位。钻尖与桩点偏移不得大于10mm。垂直度控制在 1%以内。因本工...

1、当您付费下载文档后,您只拥有了使用权限,并不意味着购买了版权,文档只能用于自身使用,不得用于其他商业用途(如 [转卖]进行直接盈利或[编辑后售卖]进行间接盈利)。
2、本站所有内容均由合作方或网友上传,本站不对文档的完整性、权威性及其观点立场正确性做任何保证或承诺!文档内容仅供研究参考,付费前请自行鉴别。
3、如文档内容存在违规,或者侵犯商业秘密、侵犯著作权等,请点击“违规举报”。

碎片内容

长螺旋钻孔压灌桩

您可能关注的文档

确认删除?
VIP
微信客服
  • 扫码咨询
会员Q群
  • 会员专属群点击这里加入QQ群
客服邮箱
回到顶部