电脑桌面
添加小米粒文库到电脑桌面
安装后可以在桌面快捷访问

机械制图的基本规定VIP免费

机械制图的基本规定_第1页
1/3
机械制图的基本规定_第2页
2/3
机械制图的基本规定_第3页
3/3
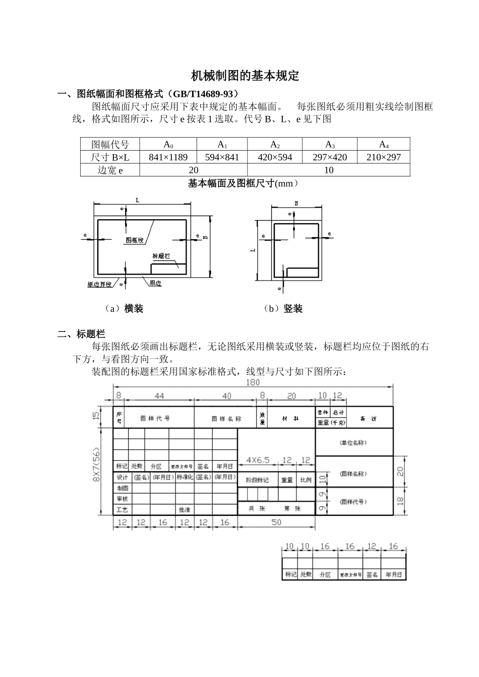
机械制图的基本规定一、图纸幅面和图框格式(GB/T14689-93)图纸幅面尺寸应采用下表中规定的基本幅面。 每张图纸必须用粗实线绘制图框线,格式如图所示,尺寸 e 按表 1 选取。代号 B、L、e 见下图图幅代号A0A1A2A3A4尺寸 B×L841×1189594×841420×594297×420210×297边宽 e2010基本幅面及图框尺寸(mm) (a)横装 (b)竖装 二、标题栏每张图纸必须画出标题栏,无论图纸采用横装或竖装,标题栏均应位于图纸的右下方,与看图方向一致。装配图的标题栏采用国家标准格式,线型与尺寸如下图所示:零件图可采用下图所示的简化标题栏。注意:1)“图号”不是指图幅代号(如 A3、A4),而是该张图纸的代号,零件图的“图号”必须与该零件在装配图中的“图样代号”对应(如装配图明细栏内序号为 17 的零件,其图样代号为“CA01-03”,则该零件的零件图图号一栏对应为“CA01-03”;2 ) 零 件 图 中 “ 材 料 ” 一 栏 应 填 写 制 造 该 零 件 所 用 材 料 的 具 体 牌 号 ( 如“HT200”),而非仅仅材料类别(如“铸铁”)。三、字体(GB/T14691—93)在图样上书写的汉字应采用长仿宋体简化汉字(宽与高之比约为 0.7)。数字和字母建议统一写成直体,不用斜体。书写必须工整、清晰。四、图线及其画法(GB/T17450—1998)图线分为粗细两种。粗实线用粗线绘制,宽度 b 应按图的大小和复杂程度在 0.5-2mm 之间选取,其它线型一般均用细线绘制,宽度约为 b/3。绘图时要注意区分粗细线型的宽度。五、尺寸标注(GB/T16675.2—1996) 1、基本规定 (1)所注尺寸数值物体的真实尺寸,与图形的大小及绘图的准确度无关; (2)以毫米为单位时不需标注计量单位,否则必须注明,如 60°、50cm 等; 2、尺寸的组成 一个完整的尺寸由尺寸线、尺寸界线、尺寸终端(箭头)和尺寸数字(包括必要的字母、图形和符号)组成。箭头形状应规范,长宽约为 4:1,如下图所示(b 为粗线宽度)。(a)正确 (b)错误 (c)错误 3、零件图的尺寸标注 (1)必须选择尺寸基准,不能任意标注,且所注尺寸应便于测量;(2)避免注成封闭的尺寸链;(3)在非圆的视图中标注直径、半径,必须在尺寸数字前加 φ、R 等符号;(4)零件图中某处的极限偏差必须与该零件在装配图中该处的配合代号对应,即先根据应用场合确定配合代号,标注于装配图上,再根据配合代号及配合处基本尺寸查表,分别得到孔、轴的极限偏差后,再标...

1、当您付费下载文档后,您只拥有了使用权限,并不意味着购买了版权,文档只能用于自身使用,不得用于其他商业用途(如 [转卖]进行直接盈利或[编辑后售卖]进行间接盈利)。
2、本站所有内容均由合作方或网友上传,本站不对文档的完整性、权威性及其观点立场正确性做任何保证或承诺!文档内容仅供研究参考,付费前请自行鉴别。
3、如文档内容存在违规,或者侵犯商业秘密、侵犯著作权等,请点击“违规举报”。

碎片内容

机械制图的基本规定

黄金阁书苑+ 关注
实名认证
内容提供者

热爱教学事业,对互联网知识分享很感兴趣

确认删除?
VIP
微信客服
  • 扫码咨询
会员Q群
  • 会员专属群点击这里加入QQ群
客服邮箱
回到顶部