电脑桌面
添加小米粒文库到电脑桌面
安装后可以在桌面快捷访问

双捻机捻股操作规程VIP专享VIP免费

双捻机捻股操作规程_第1页
1/12
双捻机捻股操作规程_第2页
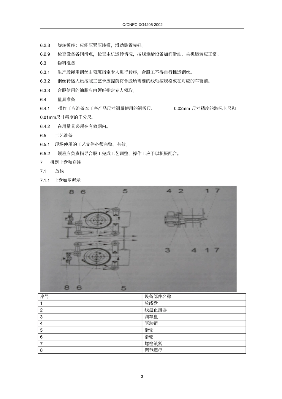
2/12
双捻机捻股操作规程_第3页
3/12
Q/CNPC-XG4205-2002 1 双捻机合股工艺操作规程1内容与范围本规程规定了双捻机合股工序的工作职责、技术要求、生产准备、生产作业、生产过程检查及信息传递等内容。本规程适用于钢丝绳生产双捻机合股岗位工作人员。2规范性引用文件下列文件中的条款通过本标准的引用而成为本标准的条款。凡是注日期的引用文件,其随后所有的修改单(不包括勘误的内容)或修订版均不适用于本标准,然而,鼓励根据本标准达成协议的各方研究是否可使用这些文件的最新版本。凡是不注日期的引用文件,其最新版本适用于本标准。APISpec 9A 石油用钢丝绳YB/T8919 制绳用钢丝JISG3525 钢丝绳GB 8918 钢丝绳3工作职责3.1做好本岗位开车前的准备工作,负责设备、工装的检查和维护。3.2 根据工艺卡片的规定进行生产。3.3对本岗位生产的产品尺寸和质量负责。3.4负责本岗位生产记录的整理和填写工作。3.5保证安全和文明生产。4技术要求4.1 制绳钢丝4.1.1制绳钢丝应符合GB/T8919、ANSI/API 9A 及其它相应的技术标准。4.1.2制绳钢丝直径是采用精度0.01mm的千分尺,按照“十字”交叉法测量确定。其允许偏差应符合表1 之规定。表 1 钢丝直径及其允许偏差公称直径允 许 偏 差光面和先镀后拉先拉后镀( A镀)mm in mm in mm in ≥0.46 ~ 0.52 ≥0.018 ~ 0.02 02.001.00008.00004.0-- -- ≥0.53 ~ 1.50 ≥0.021 ~0.059 ±0.03 ± 0.0012 注:钢丝不圆度不得大于钢丝公称直径公差之半。 Q/CNPC-XG4205-2002 2 4.1.3制绳钢丝的表面,在其全长上应平整、光滑,不得有裂纹、竹节、斑疤及锈蚀等缺陷,镀锌钢丝镀层应均匀一致,不应出现起皮等缺陷。4.1.4制绳钢丝的力学性能应符合相应产品标准要求。4.1.5 欲准备使用的钢丝,必须具有完整清楚的标识。4.2股径的尺寸测量是采用精度0.02mm 的游标卡尺,按照“十字”交叉法测量确定的。其允许偏差应为公称直径的±2.0%。4.3 油脂根据钢丝绳用途不同,捻股时应选择符合SY1578钢丝绳表面脂或其它技术标准的油脂5 交接班交接班时,交接双方应对本机台生产产品的规格、结构、质量品质、工艺文件、生产制造卡片、生产记录、设备运转记录、在制品状况及设备等情况交代清楚,并进行签字确认。6 生产准备6.1工装模具准备操作工配合领班在合股作业前对工装模具进行仔细检查和确认。检查对象包括工字轮、分线盘、压线模、矫直器等。6.1.1 工字轮:应逐个检查准备上车的工字轮。要求工字轮中心孔应光...

1、当您付费下载文档后,您只拥有了使用权限,并不意味着购买了版权,文档只能用于自身使用,不得用于其他商业用途(如 [转卖]进行直接盈利或[编辑后售卖]进行间接盈利)。
2、本站所有内容均由合作方或网友上传,本站不对文档的完整性、权威性及其观点立场正确性做任何保证或承诺!文档内容仅供研究参考,付费前请自行鉴别。
3、如文档内容存在违规,或者侵犯商业秘密、侵犯著作权等,请点击“违规举报”。

碎片内容

双捻机捻股操作规程

确认删除?
VIP
微信客服
  • 扫码咨询
会员Q群
  • 会员专属群点击这里加入QQ群
客服邮箱
回到顶部