电脑桌面
添加小米粒文库到电脑桌面
安装后可以在桌面快捷访问

液晶显示器常用“通用驱动板”介绍VIP免费

液晶显示器常用“通用驱动板”介绍_第1页
1/11
液晶显示器常用“通用驱动板”介绍_第2页
2/11
液晶显示器常用“通用驱动板”介绍_第3页
3/11
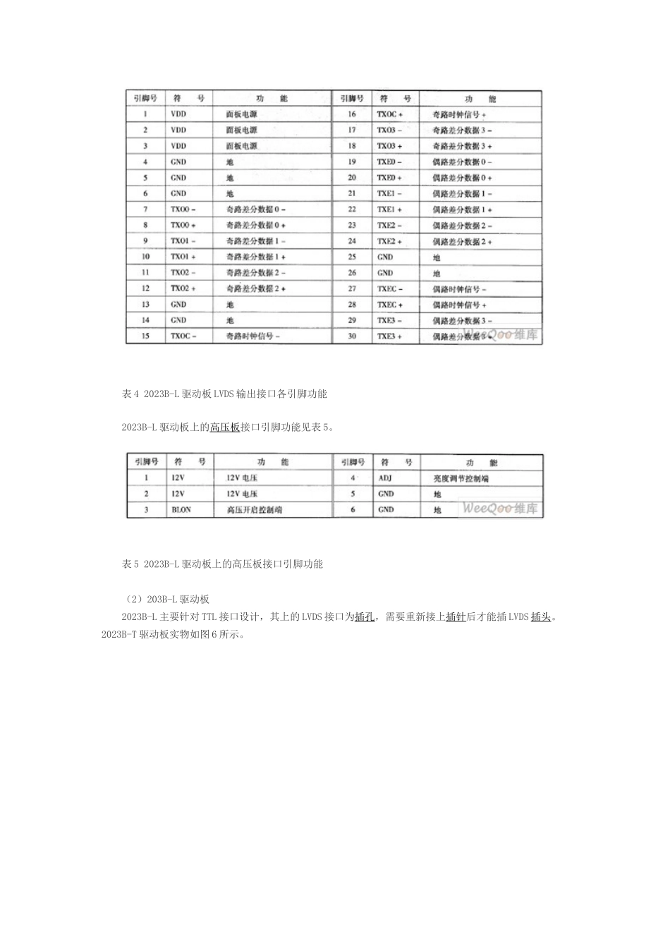
液晶显示器常用“通用驱动板”介绍 1.常用“通用驱动板”介绍广告插播信息维库最新热卖芯片:AT89C2051-24SU RHRG30120 Z84C0006VEC MX7575JN EPF6016ATC100-2 CEM9956A SN74AHC74DBR MAX799ESE C8051F120 STS4DNFS30L 目前,市场上常见的驱动板主要有乐华、鼎科、凯旋、华升等品牌。驱动板配上不同的程序,就驱动不同的液晶面板,维修代换十分方便。常见的驱动板主要有以下几种类型: (1) 2023 B-L 驱动板2023B-L 驱动板的主控芯片为 RTD2023B,主要针对 LVDS 接口 设计,实物如图 1 所示。 图 1 2023B-L 驱动板实物 该驱动板的主要特点是:支持 LVDS 接口液晶面板,体积较小,价格便宜。主要参数如下: 输入接口类型:VGA 模拟 RGB 输入; 输出接口类型:LVDS; 显示模式:640×350/70Hz~1600×1200/75Hz; 即插即用:符合 VESA DDC1/2B 规范; 工作电压:DC 12V±1.0V,2~3A; 适用范围:适用于维修代换 19in 以下液晶显示器驱动板。 2023B-L 驱动板上的 VGA 输入接口各引脚功能见表 2,TXD、RXD 脚一般不用。 表 2 VGA 插座引脚功能 2023B-L 驱动板上的按键接口可以接五个按键、两个 LED 指示灯 ,各引脚功能见表 3。 表 3 2023B-L 驱动板上的按键接口引脚功能 2023B-L 驱动板上的 LVDS 输出接口(30 脚)引脚功能见表 4。 表 4 2023B-L 驱动板 LVDS 输出接口各引脚功能 2023B-L 驱动板上的高压板接口引脚功能见表 5。 表 5 2023B-L 驱动板上的高压板接口引脚功能 (2)203B-L 驱动板 2023B-L 主要针对 TTL 接口设计,其上的 LVDS 接口为插孔,需要重新接上插针后才能插 LVDS 插头。2023B-T 驱动板实物如图 6 所示。 图 6 2023B-T 驱动板实物图 2023B-T 驱动板体积比 2023B-L 稍大,价格也相对高一些,其主要参数如下: 输入接口类型:VGA 模拟 RGB 输入; 输出接口类型:TTL; 显示模式:640×350/70Hz~1280×1024/75 Hz: 即插即用:符合 VESA DDC1/2B 规范; 工作电压:DC 12V±1.0V,2~3A; 适用范围:适用于维修代换 20in 以下液晶显示器的驱动板。 2023B-T 驱动板的 VCA 输入接口、按键接口、LVDS 输出接口、高压板接口引脚功能与前面介绍的2023B-L 驱动板基本一致。 2023B-T 驱动板的 TTL 插针 CN1(40 脚)、CN2(30 脚)用于驱动 40+30 屏线接口的液晶面板,CN1(40 脚)...

1、当您付费下载文档后,您只拥有了使用权限,并不意味着购买了版权,文档只能用于自身使用,不得用于其他商业用途(如 [转卖]进行直接盈利或[编辑后售卖]进行间接盈利)。
2、本站所有内容均由合作方或网友上传,本站不对文档的完整性、权威性及其观点立场正确性做任何保证或承诺!文档内容仅供研究参考,付费前请自行鉴别。
3、如文档内容存在违规,或者侵犯商业秘密、侵犯著作权等,请点击“违规举报”。

碎片内容

液晶显示器常用“通用驱动板”介绍

您可能关注的文档

确认删除?
VIP
微信客服
  • 扫码咨询
会员Q群
  • 会员专属群点击这里加入QQ群
客服邮箱
回到顶部