电脑桌面
添加小米粒文库到电脑桌面
安装后可以在桌面快捷访问

陕西原野绿化有限公司林绿化工程施工组织设计VIP免费

陕西原野绿化有限公司林绿化工程施工组织设计_第1页
1/58
陕西原野绿化有限公司林绿化工程施工组织设计_第2页
2/58
陕西原野绿化有限公司林绿化工程施工组织设计_第3页
3/58
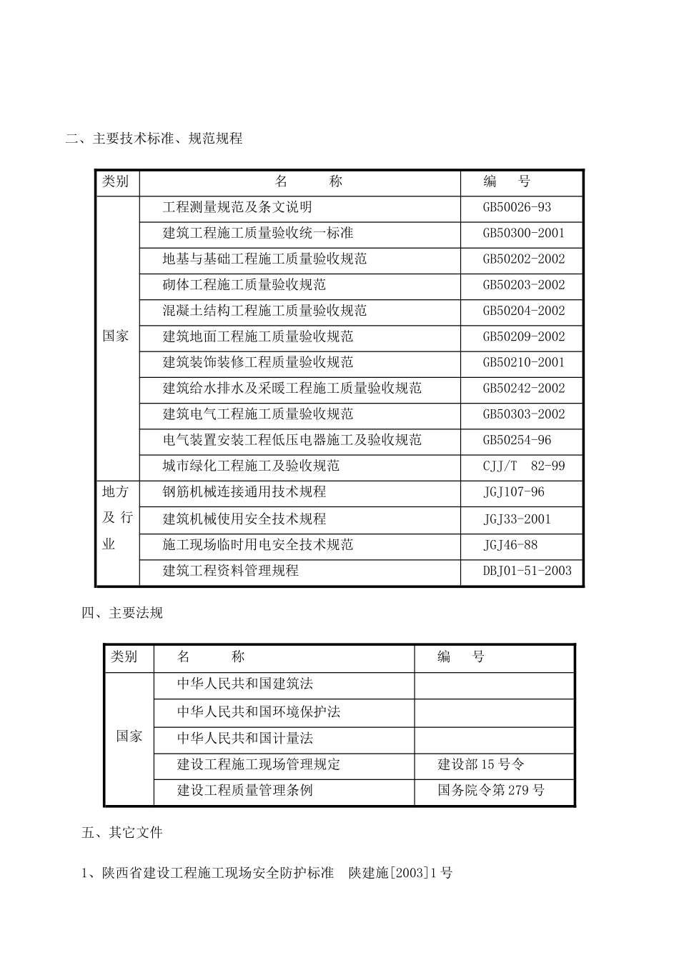
中国石油长庆石油勘探局矿区服务事业部长庆石化综合服务处生活区主干道绿化改造工程我们将在施工中进一步深化完善各单项工程施工方案,实现长庆石化综合服务处生活区主干道绿化改造工程“优质、高速、安全、低耗、环保”的施工总目标。第一章、编制依据一、主要标准图集名 称编 号建筑构造通用图集88J1-1;88J9;88J10建筑设备安装通用图集91SB 系列环境景观——室外工程细部构造03J012-1风景园林图例图示标准CJJ67-95中国园林建筑施工技术59263建筑电气通用图集92DQ 系列二、主要技术标准、规范规程 类别名 称编 号国家工程测量规范及条文说明GB50026-93建筑工程施工质量验收统一标准GB50300-2001地基与基础工程施工质量验收规范GB50202-2002砌体工程施工质量验收规范GB50203-2002混凝土结构工程施工质量验收规范GB50204-2002建筑地面工程施工质量验收规范GB50209-2002建筑装饰装修工程质量验收规范GB50210-2001建筑给水排水及采暖工程施工质量验收规范GB50242-2002建筑电气工程施工质量验收规范GB50303-2002电气装置安装工程低压电器施工及验收规范GB50254-96城市绿化工程施工及验收规范CJJ/T 82-99地方及 行业钢筋机械连接通用技术规程JGJ107-96建筑机械使用安全技术规程JGJ33-2001施工现场临时用电安全技术规范JGJ46-88建筑工程资料管理规程DBJ01-51-2003四、主要法规类别名 称编 号国家中华人民共和国建筑法中华人民共和国环境保护法中华人民共和国计量法建设工程施工现场管理规定建设部 15 号令建设工程质量管理条例国务院令第 279 号五、其它文件1、陕西省建设工程施工现场安全防护标准 陕建施[2003]1 号2、陕西省建设工程施工现场管理场容卫生标准 陕建施[2003]2 号3、陕西省建设工程施工现场环境保护标准 陕建施[2003]3 号4、陕西省建设工程施工现场保卫消防标准 陕建施[2003]4 号5、我单位的有关规定文件6、我单位编制的长庆石化综合服务处生活区主干道绿化改造工程预算资料7、施工现场及周围环境调查记录8、施工方案研讨记录第二章、工程概况一、工程简介序号项 目内 容1工程名称长庆石化小区主干道绿化改造工程2工程地点咸阳市金旭路3建设单位陕西省原野绿化有限公司4设计单位陕西省西安市王子绿化实业有限公司5质量标准合格二、建筑设计概况长庆石化小区主干道绿化改造工程三、电气工程概况景观工程配电系统。四、水文地质概况本工程地基为天然地基,标准冻土深度为 0.8m。第三章、总体施工方案一、工程目...

1、当您付费下载文档后,您只拥有了使用权限,并不意味着购买了版权,文档只能用于自身使用,不得用于其他商业用途(如 [转卖]进行直接盈利或[编辑后售卖]进行间接盈利)。
2、本站所有内容均由合作方或网友上传,本站不对文档的完整性、权威性及其观点立场正确性做任何保证或承诺!文档内容仅供研究参考,付费前请自行鉴别。
3、如文档内容存在违规,或者侵犯商业秘密、侵犯著作权等,请点击“违规举报”。

碎片内容

陕西原野绿化有限公司林绿化工程施工组织设计

状元书店+ 关注
实名认证
内容提供者

热爱教学事业,对互联网知识分享很感兴趣

确认删除?
VIP
微信客服
  • 扫码咨询
会员Q群
  • 会员专属群点击这里加入QQ群
客服邮箱
回到顶部