电脑桌面
添加小米粒文库到电脑桌面
安装后可以在桌面快捷访问

型钢悬挑脚手架盘扣式计算书45M悬挑,315m层高资料VIP免费

型钢悬挑脚手架盘扣式计算书45M悬挑,315m层高资料_第1页
1/17
型钢悬挑脚手架盘扣式计算书45M悬挑,315m层高资料_第2页
2/17
型钢悬挑脚手架盘扣式计算书45M悬挑,315m层高资料_第3页
3/17
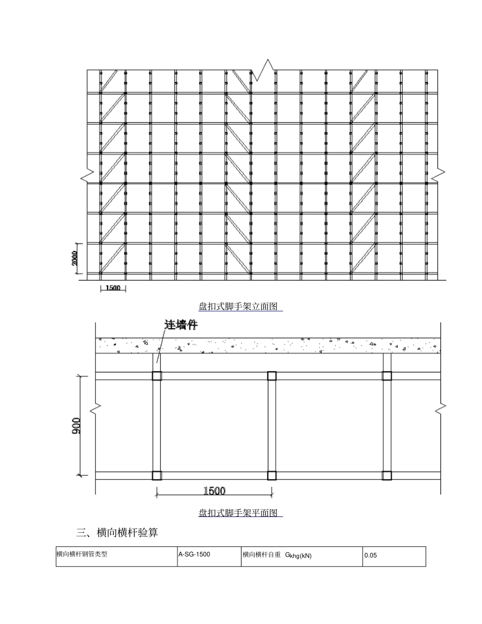
型钢悬挑脚手架 (盘扣式 )计算书计算依据1、《建筑施工承插型盘扣式钢管支架安全技术规程》JGJ231-2010 2、《建筑施工扣件式钢管脚手架安全技术规范》JGJ130-2011 3、《建筑结构荷载规范》 GB50009-2012 4、《钢结构设计规范》 GB50017-2003 5、《混凝土结构设计规范》GB50010-2010 架体验算一、脚手架参数脚手架架体高度H(m) 19.4 脚手架沿纵向搭设长度L(m) 25 立杆纵向间距 l a(m) 1.5 立杆横向间距 lb(m) 0.9 立杆步距 h(m) 2 脚手架总步数 n 9 顶部防护栏杆高h1(m) 1.2 纵横向扫地杆距立杆底距离h2(mm) 200 内立杆离建筑物距离a(mm) 350 二、荷载设计脚手板类型冲压钢脚手板脚手板自重标准值Gkjb(kN/m2) 0.35 脚手板铺设方式1步1设密目式安全立网自重标准值Gkmw(kN/m2) 0.01 挡脚板类型冲压钢脚手板挡板栏杆与挡脚板自重标准值Gkdb(kN/m) 0.17 挡脚板铺设方式1步1设结构脚手架作业层数njj1 结构脚手架荷载标准值Qkjj (kN/m2) 3 风荷载标准值 ωk(kN/m2)(连墙件、 立杆稳定性 ) 基本风压 ω0(kN/m2) 0.5 0.549,0.5 风荷载高度变化系数 μz(连墙件、立杆稳定性 ) 1.077, 0.98 风荷载体型系数μs1.02 搭设示意图盘扣式脚手架剖面图盘扣式脚手架立面图盘扣式脚手架平面图三、横向横杆验算横向横杆钢管类型A-SG-1500 横向横杆自重 Gkhg(kN) 0.05 纵向横杆钢管类型B-SG-1500 纵向横杆自重 Gkzg(kN) 0.043 横向横杆抗弯强度设计值(f)(N/mm 2) 205 横向横杆截面惯性矩I(mm4) 92800 横向横杆弹性模量E(N/mm 2) 206000 横向横杆截面抵抗矩W(mm3) 3860 承载力使用极限状态q=1.2 ×(Gkhg/l b+Gkjb*l a)+1.4 ×Qkjj ×l a=1.2 ×(0.050/0.9+0.35×1.5)+1.4×3.0 ×1.5=6.997kN/m 正常使用极限状态q'=(Gkhg/l b+Gkjb×la)+Qkjj ×la =(0.050/0.9+0.35×1.5)+3.0×1.5=5.081kN/m 计算简图如下1、抗弯验算M max=qlb2/8=6.997 ×0.92/8=0.708kN ·m σ =Mmax/W=0.708 ×106/3860=183.53N/mm2≤[f]=205N/mm2 满足要求。2、挠度验算Vmax=5q'lb4/(384EI)=5×5.081 ×9004/(384 ×206000×92800) =2.27mm ≤[ ν ]=min[l b/150,10] = min[900/150,10] =6mm 满足要求。3、支座反力计算承载力使用极限状态R1=R2= qlb/2=6.997 ×0.9/2=3.149kN 正常使用极限状态R1'=R2'= q'lb/2=5.081 ×0.9/2=2.286kN 四、荷载计算立杆钢管类型B-LG-2000(...

1、当您付费下载文档后,您只拥有了使用权限,并不意味着购买了版权,文档只能用于自身使用,不得用于其他商业用途(如 [转卖]进行直接盈利或[编辑后售卖]进行间接盈利)。
2、本站所有内容均由合作方或网友上传,本站不对文档的完整性、权威性及其观点立场正确性做任何保证或承诺!文档内容仅供研究参考,付费前请自行鉴别。
3、如文档内容存在违规,或者侵犯商业秘密、侵犯著作权等,请点击“违规举报”。

碎片内容

型钢悬挑脚手架盘扣式计算书45M悬挑,315m层高资料

文库当当响+ 关注
实名认证
内容提供者

该用户很懒,什么也没介绍

相关文档

确认删除?
VIP
微信客服
  • 扫码咨询
会员Q群
  • 会员专属群点击这里加入QQ群
客服邮箱
回到顶部