电脑桌面
添加小米粒文库到电脑桌面
安装后可以在桌面快捷访问

4.08-1包装评价验证表VIP免费

4.08-1包装评价验证表_第1页
1/2
4.08-1包装评价验证表_第2页
2/2
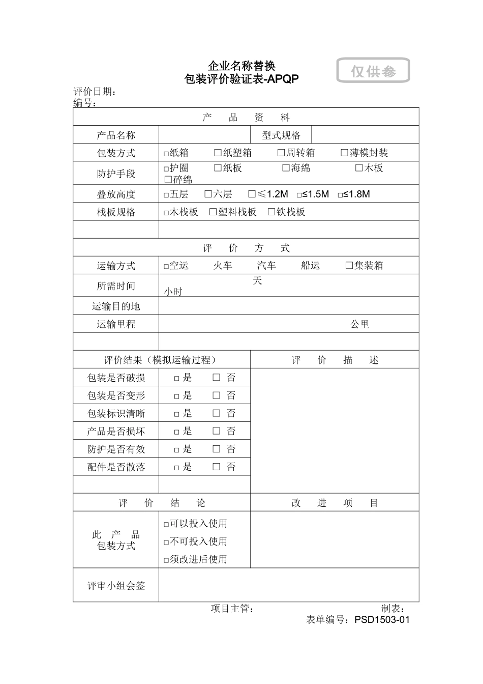
企业名称替换包装评价验证表-APQP评价日期: 编号:产品资料产品名称型式规格包装方式□纸箱 □纸塑箱 □周转箱 □薄模封装防护手段□护圈 □纸板 □海绵 □木板 □碎绵叠放高度□五层 □六层 □≤1.2M □≤1.5M □≤1.8M栈板规格□木栈板 □塑料栈板 □铁栈板评价方式运输方式□空运 火车 汽车 船运 □集装箱所需时间 天 小时运输目的地运输里程 公里评价结果(模拟运输过程)评价描述包装是否破损□ 是 □ 否包装是否变形□ 是 □ 否包装标识清晰□ 是 □ 否产品是否损坏□ 是 □ 否防护是否有效□ 是 □ 否配件是否散落□ 是 □ 否评价结论改进项目此 产 品包装方式□可以投入使用□不可投入使用□须改进后使用评审小组会签项目主管: 制表: 表单编号:PSD1503-01仅供参

1、当您付费下载文档后,您只拥有了使用权限,并不意味着购买了版权,文档只能用于自身使用,不得用于其他商业用途(如 [转卖]进行直接盈利或[编辑后售卖]进行间接盈利)。
2、本站所有内容均由合作方或网友上传,本站不对文档的完整性、权威性及其观点立场正确性做任何保证或承诺!文档内容仅供研究参考,付费前请自行鉴别。
3、如文档内容存在违规,或者侵犯商业秘密、侵犯著作权等,请点击“违规举报”。

碎片内容

4.08-1包装评价验证表

确认删除?
VIP
微信客服
  • 扫码咨询
会员Q群
  • 会员专属群点击这里加入QQ群
客服邮箱
回到顶部