电脑桌面
添加小米粒文库到电脑桌面
安装后可以在桌面快捷访问

高电压课件 第五章 电气设备绝缘试验(一)VIP免费

高电压课件 第五章 电气设备绝缘试验(一)_第1页
1/6
高电压课件 第五章 电气设备绝缘试验(一)_第2页
2/6
高电压课件 第五章 电气设备绝缘试验(一)_第3页
3/6
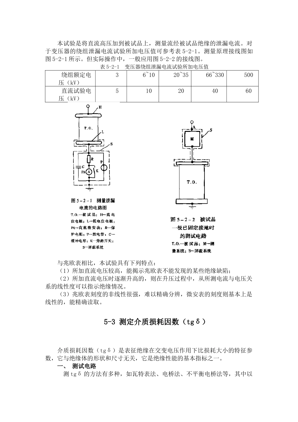
第五章 电气设备绝缘试验(一)电气设备绝缘试验可分为两大类:(1) 耐压试验(破坏性试验):模仿设备绝缘在运行过程中可能受到的各种电压,对绝缘施加与之相等的或更为严格的电压,从而考研绝缘耐受这类电压的能力,称为耐压试验。对绝缘考察严格,但容易造成不必要的绝缘损坏。(2) 检查性试验(非破坏性试验):测定绝缘某些方面的特性,并据此间接地判断绝缘的状况,称为检查性试验。这类试验一般在较低的电压下进行,通常不会导致绝缘的击穿损坏。由此可见,上述两类试验时互为补充,而不能相互代替的。当然,应先做检查性试验,据此再确定耐压试验的时间和条件。5-1 测定绝缘电阻绝缘电阻是反映绝缘性能的最基本的指标之一,通常都用兆欧表测量绝缘电 阻 。 其 工 作 原 理 图 可 参 考 图 5-1-1 。 通 常 兆 欧 表 的 量 程 为500V、1000V、2500V、5000V 等。图 5-1-1 兆欧表原理电路图 如图 5-1-2 是用兆欧表测套管绝缘的接线图,兆欧表对外有三个接线端子,测量时,线路端子(L)接被试品的高压导体;接地端子(E)接被试品外壳或地;屏蔽端子(G)接被试品的屏蔽环或别的屏蔽电极。图 5-1-2 用兆欧表测套管绝缘的接线图如前所述,一般电介质都可以用图 1-4-2 所示的等效电路图来表示。图中,串联之路 RP—CP代表电介质的吸收特性,如绝缘良好,则最终 Rlk和 RP的值都很大,稳定的绝缘电阻值也很高。反之,绝缘受潮时,则不仅最后稳定的电阻很低,而且还会很快达到稳定值。因此,也可以用绝缘电阻随时间而变化的关系来反映绝缘的状况。通常用时间为 60s 和 15s 时所测得的绝缘电阻值之比,称为吸收比 K,即K=R60/R15 如绝缘良好,则此值应大于 1.3~1.5。对于某些容量较大的电气设备,其绝缘的极化和吸收的过程很长,上述的吸收比 K 还不能充分反映绝缘吸收过程的整体。此时可增测极化指数 PP=R10min/R1min如绝缘良好,则此值应大于 1.5~2.0。测量绝缘电阻可以有效发现下列缺陷:(1) 总体绝缘质量欠佳;(2) 绝缘受潮;(3) 两极间有贯穿性的导电通道;(4) 绝缘表面情况不良。测量绝缘电阻不能发现下列缺陷:(1) 绝缘中的局部缺陷(如非贯穿性的局部损伤、含有气泡等)(2) 绝缘的老化测量绝缘电阻时应注意:(1)试验前将被试品接地放电一定时间。(2)高压测试连接线应尽量保持架空;(3)测吸收比和极化指数时,应待电源电压达到稳定后再接入被试品。(4)每次测...

1、当您付费下载文档后,您只拥有了使用权限,并不意味着购买了版权,文档只能用于自身使用,不得用于其他商业用途(如 [转卖]进行直接盈利或[编辑后售卖]进行间接盈利)。
2、本站所有内容均由合作方或网友上传,本站不对文档的完整性、权威性及其观点立场正确性做任何保证或承诺!文档内容仅供研究参考,付费前请自行鉴别。
3、如文档内容存在违规,或者侵犯商业秘密、侵犯著作权等,请点击“违规举报”。

碎片内容

高电压课件 第五章 电气设备绝缘试验(一)

文泉书屋+ 关注
实名认证
内容提供者

热爱教学事业,对互联网知识分享很感兴趣

相关文档

确认删除?
VIP
微信客服
  • 扫码咨询
会员Q群
  • 会员专属群点击这里加入QQ群
客服邮箱
回到顶部