电脑桌面
添加小米粒文库到电脑桌面
安装后可以在桌面快捷访问

XGN2-12(Z)固定式高压开关柜的结构与参数及操作程序VIP免费

XGN2-12(Z)固定式高压开关柜的结构与参数及操作程序_第1页
1/8
XGN2-12(Z)固定式高压开关柜的结构与参数及操作程序_第2页
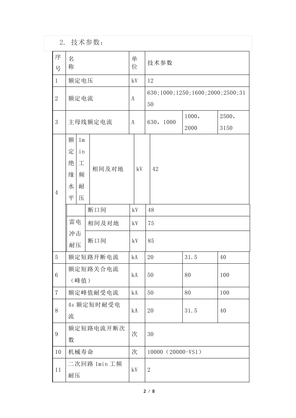
2/8
XGN2-12(Z)固定式高压开关柜的结构与参数及操作程序_第3页
3/8
1 / 8 XGN2-12(Z)固定式高压开关柜 结构与参数及操作程序 XGN2-12(Z)固定式高压开关柜,简称开关柜;图3-4 外形图。适用于3~10kV 三相交流50Hz 系统中作为接受与分配电能之用,并具有对电路进行控制、保护和检测等功能。 特别适用于频繁操作的场所,其母线系统为单母线,并可派生出单母线带旁路和双母线结构。 经过多年的改进完善,产品最大额定电流可做到4000A;可在海拔4000m 以下正常运行。 本开关柜既可采用ZN28A-12 分体式真空断路器,还可配用ZN28D-12、VS1-12、ZN12-12、ZN65-12 等整体式真空断路器;隔离开关主要采用旋转式GN30-12(D),大电流柜也可采用GN25-12,GN22-12 等隔离开关。 由于该产品电流等级大,母线结构多样,所以在变电站得到广泛应用。 1.产品型号含义: 2 / 8 2. 技术参数: 序号 名 称 单位 技术参数 1 额定电压 kV 12 2 额定电流 A 630;1000;1250;1600;2000;2500;3150 3 主母线额定电流 A 630,1000 1000,2000 2500,3150 4 额定绝缘水平 1min工频耐压 相间及对地 kV 42 断口间 kV 48 雷电冲击耐压 相间及对地 kV 75 断口间 kV 85 5 额定短路开断电流 kA 20 31.5 40 6 额定短路关合电流(峰值) kA 50 80 100 7 额定峰值耐受电流 kA 50 80 100 8 4s 额定短时耐受电流 kA 20 31.5 40 9 额定短路电流开断次数 次 30 10 机械寿命 次 10000(20000-VS1) 11 二次回路1min 工频耐压 kV 2 3 / 8 12 外壳防护等级 IP2X 13 母线系统 单母线、单母线带旁路、双母线 14 操作方式 电磁式、弹簧储能式 3.隔离开关:GN30-12(D)型的基本参数,表3-4: 项目 单位 GN30-12(D)/1250-40 GN30-12(D)/630-20 GN30-12(D)/1000-31.5 GN30-12/2000-50 GN30-12/3150-50 开关柜额定电压 kV 12 雷电冲击耐受电压(额定绝缘水平) kV 75(相对地及相间)85(隔离断口) 额定电流 A 1250 630 1000 2000 3150 额定峰值耐受电流 kA 100 50 80 125 125 额定短时耐受电流(4S) kA 40 20 31.5 50 50 4.开关柜外形尺寸: *小电流柜电缆进出线及联络柜标准方案: 宽1100×深1200×高2650。 *小电流架空进出线柜标准方案: 宽1100×深(1200+400)×高2650。 *大电流柜电缆进出线及联络柜标准方案: 宽1200×深1200×高2650。 *大电流架空进出线柜标准方案: 宽1200×深(1200+600)× 4 / 8 高2650...

1、当您付费下载文档后,您只拥有了使用权限,并不意味着购买了版权,文档只能用于自身使用,不得用于其他商业用途(如 [转卖]进行直接盈利或[编辑后售卖]进行间接盈利)。
2、本站所有内容均由合作方或网友上传,本站不对文档的完整性、权威性及其观点立场正确性做任何保证或承诺!文档内容仅供研究参考,付费前请自行鉴别。
3、如文档内容存在违规,或者侵犯商业秘密、侵犯著作权等,请点击“违规举报”。

碎片内容

XGN2-12(Z)固定式高压开关柜的结构与参数及操作程序

确认删除?
VIP
微信客服
  • 扫码咨询
会员Q群
  • 会员专属群点击这里加入QQ群
客服邮箱
回到顶部