电脑桌面
添加小米粒文库到电脑桌面
安装后可以在桌面快捷访问

01M火力发电厂基本建设工程启动及竣工验收规程实施管理规定0513VIP免费

01M火力发电厂基本建设工程启动及竣工验收规程实施管理规定0513_第1页
1/47
01M火力发电厂基本建设工程启动及竣工验收规程实施管理规定0513_第2页
2/47
01M火力发电厂基本建设工程启动及竣工验收规程实施管理规定0513_第3页
3/47
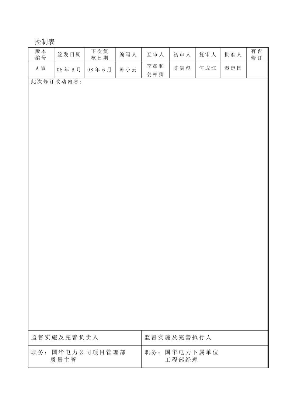
基建管理系统 调试管理子系统 火力发电厂基本建设工程启动及 竣工验收规程实施管理规定 GHDJ-09-01(M) 控制表 版本 编号 签发日期 下 次 复 核 日期 编写 人 互 审 人 初 审 人 复 审 人 批 准 人 有 否 修 订 A 版 08 年 6 月 08 年 6 月 韩 小 云 李 耀 和 姜 柏 卿 陈 寅 彪 何 成 江 秦 定 国 此 次 修 订 改 动 内 容 : 监 督 实 施 及 完 善 负 责 人 监 督 实 施 及 完 善 执 行 人 职 务 : 国 华 电 力 公 司 项 目 管 理 部 质 量 主 管 职 务 : 国 华 电 力 下 属 单 位 工 程 部 经 理 目 录 第一章 总 则 ......................................................... 1 第二章 引用标准 ....................................................... 1 第三章 机构及职责 ..................................................... 2 第四章 分部试运阶段 ................................................... 9 第五章 整套启动试运阶段 .............................................. 11 第六章 机组的考核期 .................................................. 13 第七章 工程竣工验收 .................................................. 14 第八章 附 则 ......................................................... 18 附录A :分部试运后签证验收卡 .......................................... 19 附录B: 机组移交生产交接书 ............................................ 20 附录C :分部试运技术措施编制计划表 .................................... 25 附录D: 设备及系统代保管签证卡 ........................................ 26 附录E :整套启动试运技术经济指标记录表 ................................ 27 附录F: 整套启动试运过程记录表 ........................................ 28 附录F: 汽轮发电机振动情况记录表 ...................................... 29 附录H: 热工自动控制投入情况统计表 .................................... 30 附录I: 化学监督指标统计表 ............................................ 31 附录J: 满负荷主要运行参数记录表 .................................

1、当您付费下载文档后,您只拥有了使用权限,并不意味着购买了版权,文档只能用于自身使用,不得用于其他商业用途(如 [转卖]进行直接盈利或[编辑后售卖]进行间接盈利)。
2、本站所有内容均由合作方或网友上传,本站不对文档的完整性、权威性及其观点立场正确性做任何保证或承诺!文档内容仅供研究参考,付费前请自行鉴别。
3、如文档内容存在违规,或者侵犯商业秘密、侵犯著作权等,请点击“违规举报”。

碎片内容

01M火力发电厂基本建设工程启动及竣工验收规程实施管理规定0513

您可能关注的文档

确认删除?
VIP
微信客服
  • 扫码咨询
会员Q群
  • 会员专属群点击这里加入QQ群
客服邮箱
回到顶部