电脑桌面
添加小米粒文库到电脑桌面
安装后可以在桌面快捷访问

巴歇尔槽构造图(附有CAD图)VIP免费

巴歇尔槽构造图(附有CAD图)_第1页
1/7
巴歇尔槽构造图(附有CAD图)_第2页
2/7
巴歇尔槽构造图(附有CAD图)_第3页
3/7
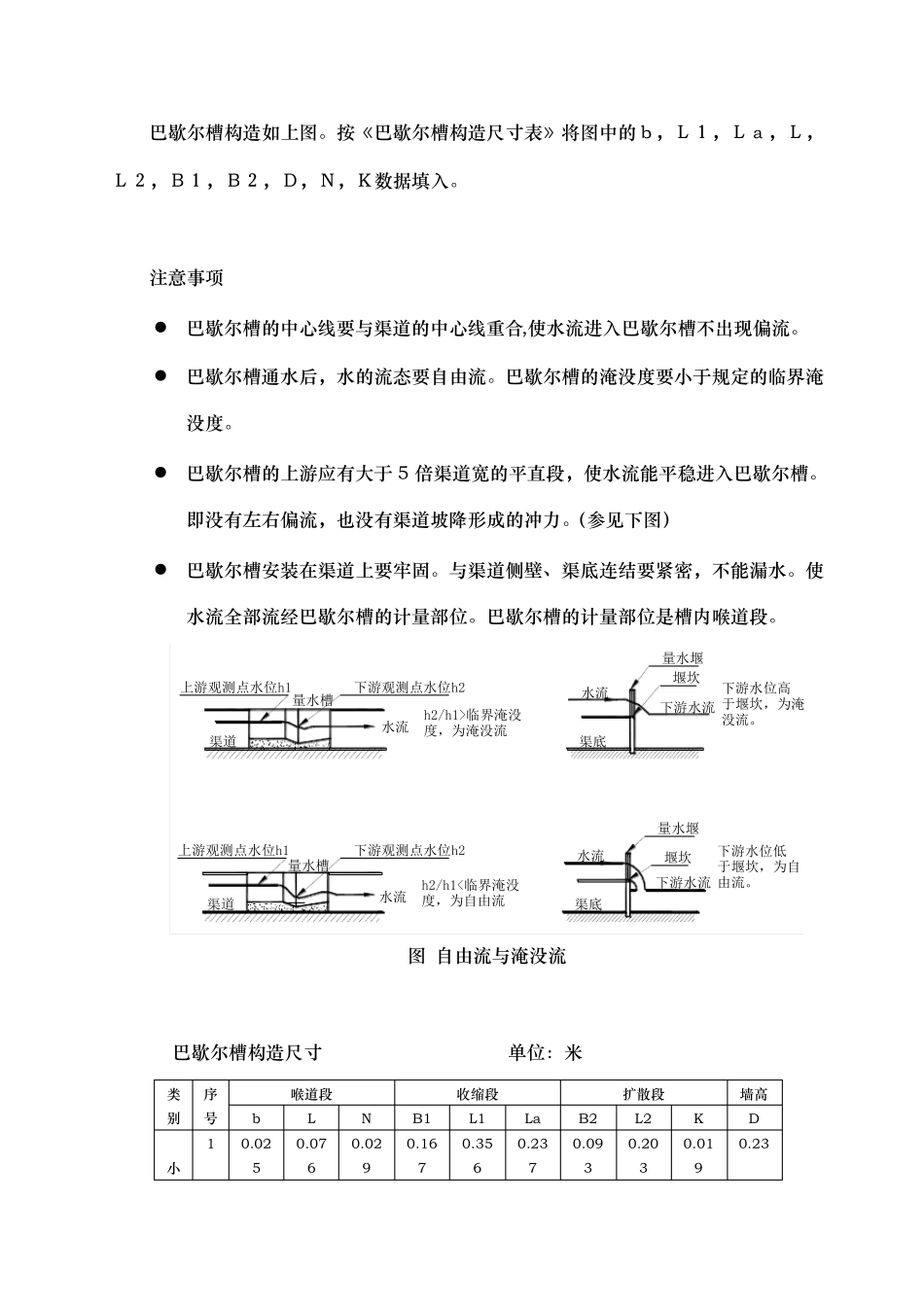
巴歇尔槽构造如上图。按《巴歇尔槽构造尺寸表》将图中的b,L1,La,L,L2,B1,B2,D,N,K数据填入。 注意事项  巴歇尔槽的中心线要与渠道的中心线重合,使水流进入巴歇尔槽不出现偏流。  巴歇尔槽通水后,水的流态要自由流。巴歇尔槽的淹没度要小于规定的临界淹没度。  巴歇尔槽的上游应有大于 5 倍渠道宽的平直段,使水流能平稳进入巴歇尔槽。即没有左右偏流,也没有渠道坡降形成的冲力。(参见下图)  巴歇尔槽安装在渠道上要牢固。与渠道侧壁、渠底连结要紧密,不能漏水。使水流全部流经巴歇尔槽的计量部位。巴歇尔槽的计量部位是槽内喉道段。 渠道量水槽量水槽渠道水流上游观测点水位h1下游观测点水位h2水流上游观测点水位h1下游观测点水位h2h2/h1>临界淹没度,为淹没流度,为自由流h2/h1<临界淹没渠底量水堰堰坎水流下游水流下游水位低于堰坎,为自由流。没流。于堰坎,为淹下游水位高渠底水流下游水流堰坎量水堰 图 自由流与淹没流 巴歇尔槽构造尺寸 单位:米 类别 序号 喉道段 收缩段 扩散段 墙高 b L N B1 L1 La B2 L2 K D 小 1 0.025 0.076 0.029 0.167 0.356 0.237 0.093 0.203 0.019 0.23 型 2 0.051 0.114 0.043 0.214 0.406 0.271 0.135 0.254 0.022 0.26 3 0.076 0.152 0.057 0.259 0.457 0.305 0.178 0.305 0.025 0.46 4 0.152 0.305 0.114 0.400 0.610 0.407 0.394 0.610 0.076 0.61 5 0.228 0.305 0.114 0.575 0.864 0.576 0.381 0.457 0.076 0.77 标 准 型 6 0.25 0.60 0.23 0.78 1.325 0.883 0.55 0.92 0.08 0.80 7 0.30 0.60 0.23 0.84 1.350 0.902 0.60 0.92 0.08 0.95 8 0.45 0.60 0.23 1.02 1.425 0.948 0.75 0.92 0.08 0.95 9 0.60 0.60 0.23 1.20 1.500 1.0 0.90 0.92 0.08 0.95 10 0.75 0.60 0.23 1.38 1.575 1.053 1.05 0.92 0.08 0.95 11 0.90 0.60 0.23 1.56 1.650 1.099 1.20 0.92 0.08 0.95 12 1.00 0.60 0.23 1.68 1.705 1.139 1.30 0.92 0.08 1.0 13 1.20 0.60 0.23 1.92 1.800 1.203 1.50 0.92 0.08 1.0 14 1.50 0.60 0.23 2.28 1.95 1.303 1.80 0.92 0.08 1.0 15 1.80 0.60 0.23 2.64 2.10 1.399 2.10 0.92 0.08 1.0 16 2.10 0.60 0.23 3.00 2.25 1.504 2.40...

1、当您付费下载文档后,您只拥有了使用权限,并不意味着购买了版权,文档只能用于自身使用,不得用于其他商业用途(如 [转卖]进行直接盈利或[编辑后售卖]进行间接盈利)。
2、本站所有内容均由合作方或网友上传,本站不对文档的完整性、权威性及其观点立场正确性做任何保证或承诺!文档内容仅供研究参考,付费前请自行鉴别。
3、如文档内容存在违规,或者侵犯商业秘密、侵犯著作权等,请点击“违规举报”。

碎片内容

巴歇尔槽构造图(附有CAD图)

确认删除?
VIP
微信客服
  • 扫码咨询
会员Q群
  • 会员专属群点击这里加入QQ群
客服邮箱
回到顶部