电脑桌面
添加小米粒文库到电脑桌面
安装后可以在桌面快捷访问

家装验收标准71550VIP专享VIP免费

家装验收标准71550_第1页
1/11
家装验收标准71550_第2页
2/11
家装验收标准71550_第3页
3/11
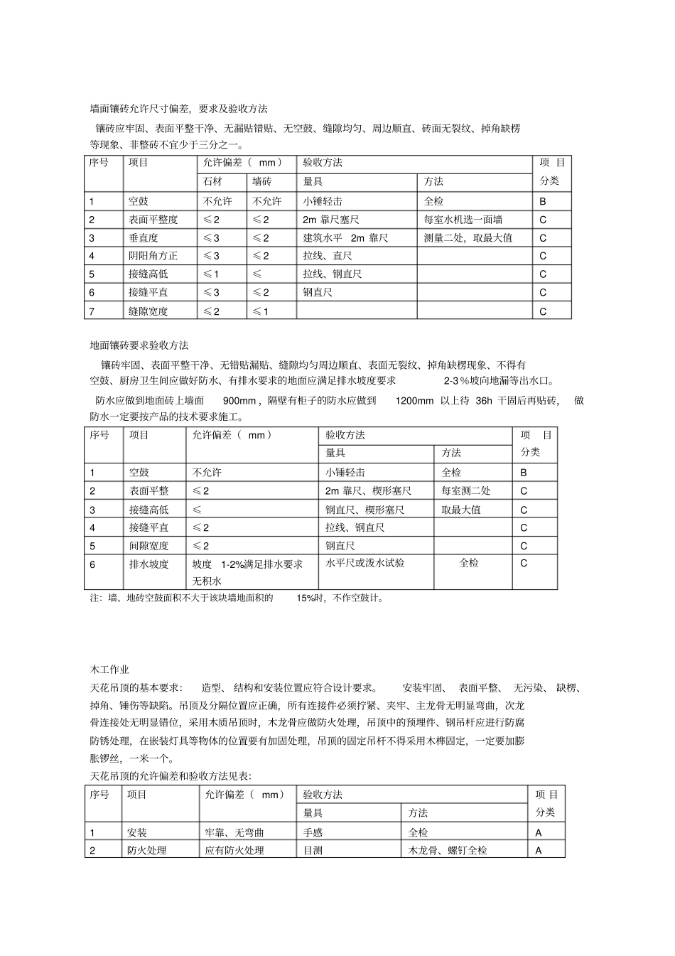
一、 范围本标准规定了装饰装修的基本原则,文明施工、泥瓦工、木工、油漆、煽灰、电工、水工等工种各项施工工程的质量要求、验收方法及验收判定。基本原则装饰装修应遵守国家法律、法规和有关规定,并应遵循安全、实用、美观的基本原则,在设计与施工中必须贯彻执行国家、行业和地方有关安全、防火、环保、建筑、电气、煤气、给排水等现行标准和技术规范:装饰设计施工发布确保建筑物原有安全性、整体性,不得任意改变建筑物承重结构,不得随意破坏建筑外立面,若需开安装孔洞在设备安装后应尽力按原有外墙装饰效果修整:装饰应在业主的幢户,分户门以内的住户面积范围内进行,不得占用公用空间,不得因装饰影响邻房屋的安全及使用环境:对装饰材料质量应符合该产品有关标准质量要求和设计要求,成品供货单位应提供产品质保书或检验报告。施工前必须对材料进行验收,合格后方可施工:装饰时不得随意改变给排水主管、一般不得改变地漏、便器的位置,不得随意增设卫浴设施;厨房装饰时严禁移动燃气表具,燃气管道不得暗敷,不得穿越卧室、穿越吊顶内的燃气管道,不得有接头。文明施工1、施工现场必须张贴文明施工、安全施工条例及防水防潮施工工艺与工程进度计划表;2、凡公司员工必须在工地挂牌上岗;3、施工现场灭火器必须放在明显位置;4、施工现场不得带小孩进入,并做到无闲杂人员;5、施工现场不得有打赤膊穿拖鞋的人;6、施工现场材料应分类堆齐;7、当天应清理施工现场保持清洁卫生;8、易燃材料应放在安全位置;9、严禁在施工现场吸烟及煮饭;10、严禁在施工现场随意大小便;11、不准在业主的床上及家具上睡觉;12、不准站在家具上或洁具上施工;13、不准站在天那水及油漆桶上施工;14、打墙、拆除时应采取安全保护措施;15、不得在施工场地吵嘴打架或辱骂业主;16、不得在施工现场聚众赌博;17、严禁在阳台堆放垃圾及杂物;18、完工成品必须严格做好保护(不能刮痕、碰伤、柜内不能堆放杂物,并保持洁净)。各工种施工质量要求和验收方法泥瓦工作业砌墙质量允许尺寸偏差及验收方法项目允许偏差( mm )验收方法项 目分类量具测量方法垂直度口每层5 2m 靠尺和托线板每室测量不少于二处C 表面平整度全高 5m 以下5 2m 靠尺和托线板每室测量不少于二处,取最大值C 清水墙柱3 2m 靠尺和楔形塞尺每墙测量二处取最大值B 混水墙柱4 2m 靠尺和楔形塞尺每墙测量二处取最大值C 水平灰缝直度清水墙 10m 以内7 用拉线和尺量每墙测...

1、当您付费下载文档后,您只拥有了使用权限,并不意味着购买了版权,文档只能用于自身使用,不得用于其他商业用途(如 [转卖]进行直接盈利或[编辑后售卖]进行间接盈利)。
2、本站所有内容均由合作方或网友上传,本站不对文档的完整性、权威性及其观点立场正确性做任何保证或承诺!文档内容仅供研究参考,付费前请自行鉴别。
3、如文档内容存在违规,或者侵犯商业秘密、侵犯著作权等,请点击“违规举报”。

碎片内容

家装验收标准71550

确认删除?
VIP
微信客服
  • 扫码咨询
会员Q群
  • 会员专属群点击这里加入QQ群
客服邮箱
回到顶部