电脑桌面
添加小米粒文库到电脑桌面
安装后可以在桌面快捷访问

小型水库资料表020306VIP免费

小型水库资料表020306_第1页
1/5
小型水库资料表020306_第2页
2/5
小型水库资料表020306_第3页
3/5
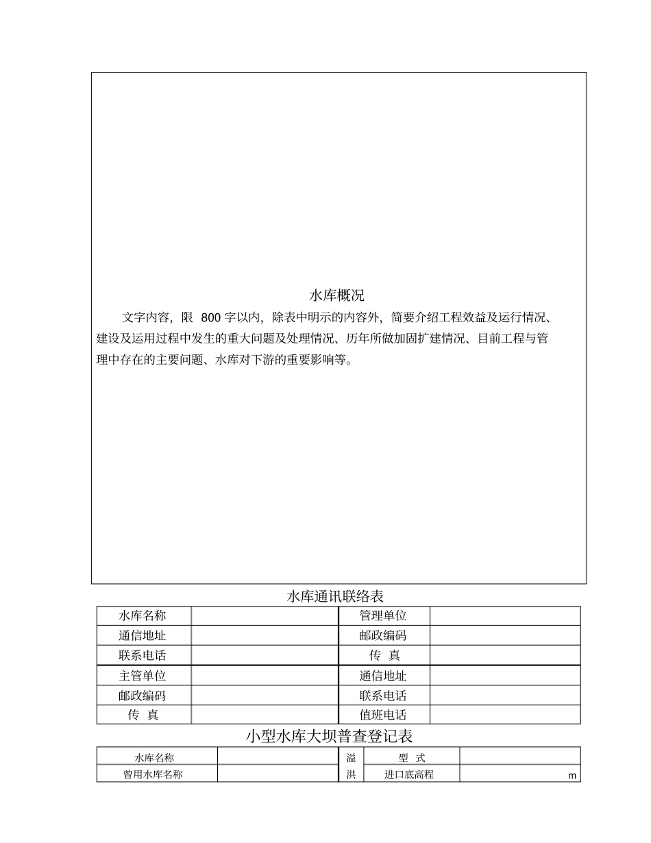
小型水库大坝基本资料登记表水 库 名 称 :工 程 规 模 :填 表 单 位 :填 表 日 期 :水利部大坝安全管理中心编制小型水库填表说明表中动态资料,以2003 年 6 月底数据为准。为便于汇总统计,要求选择填写的栏目请选择其一填写,不符时选较为接近的一种填写,完全不符的选择“其它”。水库名称:填水库全称,如填“黄石水库”,不要填“黄石” 。曾用水库名称:填水库曾经用过的主要曾用名。工程规模:选择填写,按库容及工程规模填写,在“小(1)型、小( 2)型、其它”中选择。填表单位:可由水库管理单位、水库代管单位、乡镇水管站等承担,相应的审查单位由县水利局承担,要实现两级审查。填表日期:本次的实际填表日期。水库概况:按提示内容反映水库的概况,限800 字。联系电话或传真:填写区号和电话号码或传真号码,如025-5828198。所在河流:支流上的水库应追溯到《中国河流名称代码SL249-1999 》中所列河流。所属部门或系统:选择填写, 填水库归属部门或行业,在“水利 (含建设兵团、 农场)、电力(国家和地方电力部门) 、建设、工业、旅游、其它”中选择。建设时间:指原工程或主体工程建设时间,填到×年×月×日,日期不详的填写×年×月1 日。大坝地理位置:填最大坝高断面与坝轴线交会处的经纬度,可填工程设计资料,原无资料的可在大比例地形图上量测,有条件的可用GPS 定位。工程总投资:指原工程建设的投资总和,不含后期的除险加固投资。累计加固投资:建成后投入的加固扩建等投资总和。历史最高水位:水库运行历史上所达到过的最高库水位。实际防洪能力:经安全鉴定或专题论证得出的水库实际抗御非常运用洪水的重现期。已淤积库容: 2003 年 6 月资料不明的, 可填 2002 年底资料, 或填最近测量的基本能反映目前淤积情况的资料。主坝坝型:选择填写,在“均质土坝、粘土心墙坝、粘土斜墙坝、混合型土坝;混凝土面板堆石坝、沥青面板堆石坝、沥青心墙堆石坝;混凝土重力坝、混凝土宽缝重力坝、混凝土拱坝、混凝土连拱坝、混凝土支墩坝、碾压混凝土坝;浆砌石重力坝、浆砌石拱坝;其它”中选择。对主坝由多种坝型构成的和水库有两座主坝的等按最大坝高坝(段)的坝型填写。坝基防渗型式:土坝可填“截水槽、不完全截水槽(指未截断覆盖层的)、混凝土防渗墙、板桩、粘土铺盖等” ,混凝土坝可填防渗帷幕等。泄洪洞或输水洞型式:反映材质形状和承压,如“混凝土圆形有压隧洞、浆...

1、当您付费下载文档后,您只拥有了使用权限,并不意味着购买了版权,文档只能用于自身使用,不得用于其他商业用途(如 [转卖]进行直接盈利或[编辑后售卖]进行间接盈利)。
2、本站所有内容均由合作方或网友上传,本站不对文档的完整性、权威性及其观点立场正确性做任何保证或承诺!文档内容仅供研究参考,付费前请自行鉴别。
3、如文档内容存在违规,或者侵犯商业秘密、侵犯著作权等,请点击“违规举报”。

碎片内容

小型水库资料表020306

您可能关注的文档

确认删除?
VIP
微信客服
  • 扫码咨询
会员Q群
  • 会员专属群点击这里加入QQ群
客服邮箱
回到顶部