电脑桌面
添加小米粒文库到电脑桌面
安装后可以在桌面快捷访问

土壤压实度(管沟类)试验记录VIP免费

土壤压实度(管沟类)试验记录_第1页
1/24
土壤压实度(管沟类)试验记录_第2页
2/24
土壤压实度(管沟类)试验记录_第3页
3/24
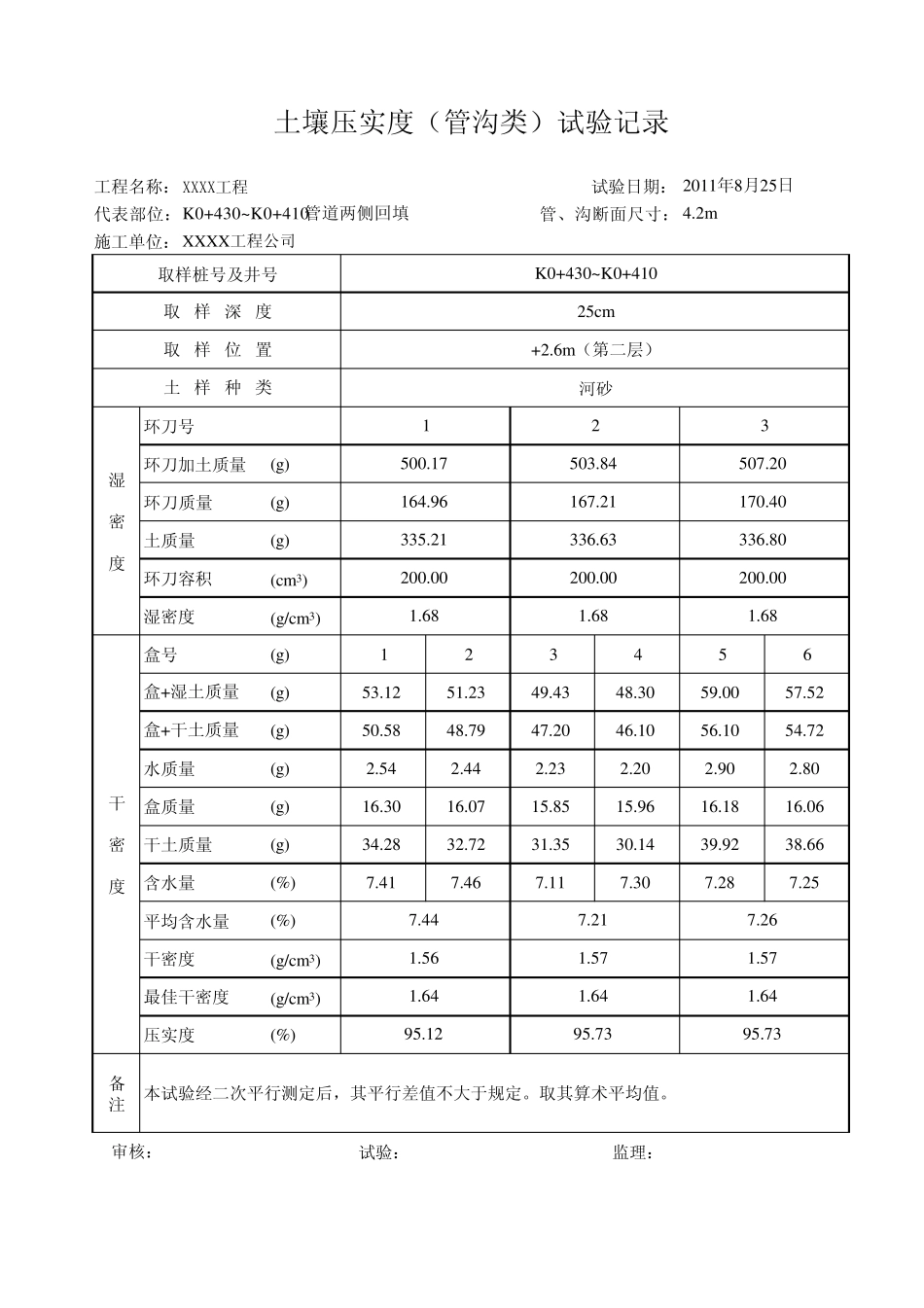
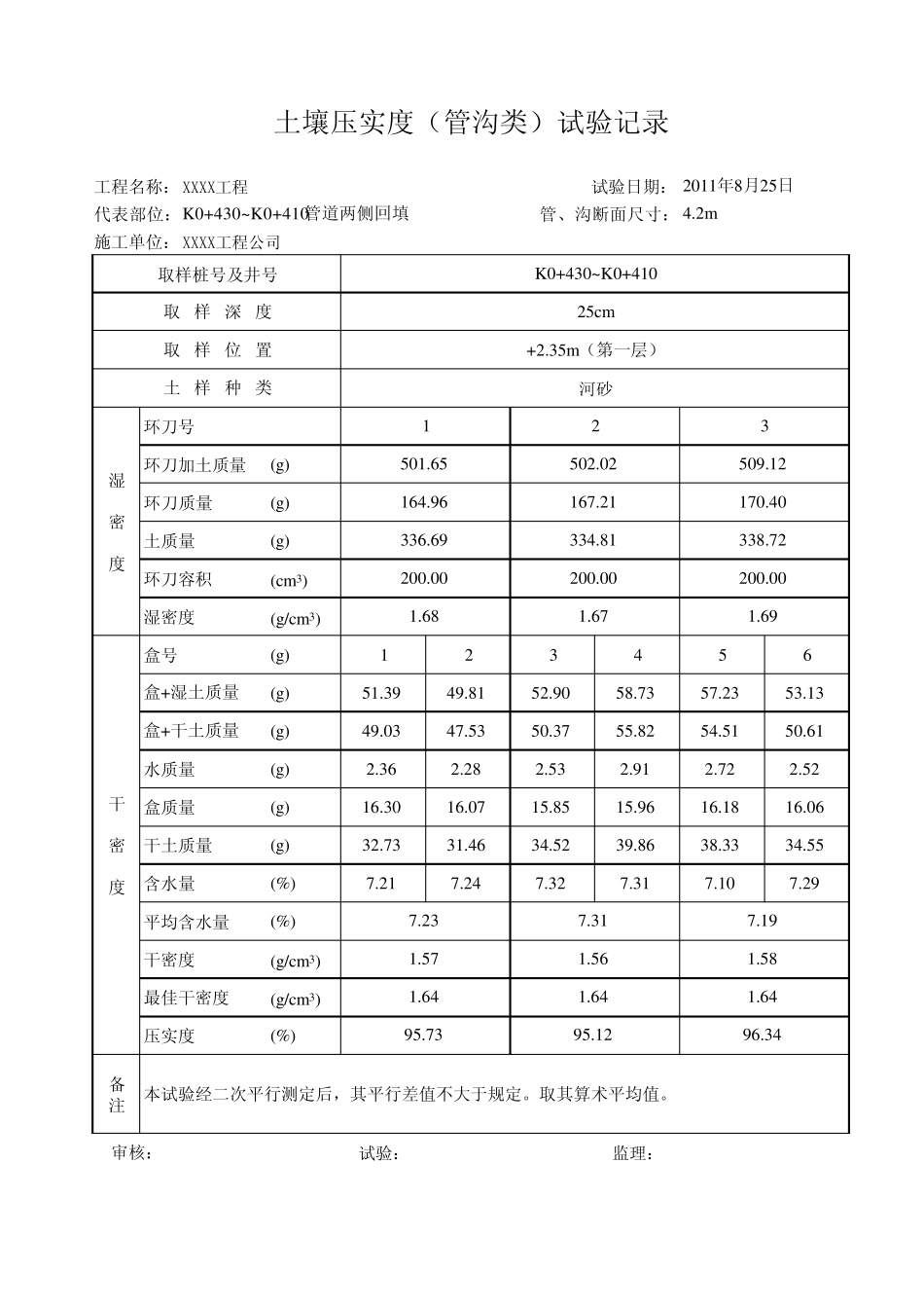
(g)(g)(g)(cm3)(g/cm3)(g)123456(g)51.3949.8152.9058.7357.2353.13(g)49.0347.5350.3755.8254.5150.61(g)2.362.282.532.912.722.52(g)16.3016.0715.8515.9616.1816.06(g)32.7331.4634.5239.8638.3334.55(%)7.217.247.327.317.107.29平均含水量(%)(g/cm3)(g/cm3)(%)备注试验:监理:土壤压实度(管沟类)试验记录代表部位:K0+430~K0+410管道两侧回填管、沟断面尺寸:4.2m工程名称:XXXX工程试验日期:2011年8月25日取样桩号及井号K0+430~K0+410施工单位:XXXX工程公司取 样 位 置+2.35m(第一层)取 样 深 度25cm湿密度环刀号123环刀加土质量501.65502.02509.12土 样 种 类河砂环刀质量164.96167.21170.40环刀容积200.00200.00200.00土质量336.69334.81338.72干密度盒号盒+湿土质量盒+干土质量湿密度1.681.671.69水质量含水量干土质量盒质量干密度1.571.561.587.237.317.19压实度95.7395.1296.34最佳干密度1.641.641.64审核:本试验经二次平行测定后,其平行差值不大于规定。取其算术平均值。(g)(g)(g)(cm3)(g/cm3)(g)123456(g)53.1251.2349.4348.3059.0057.52(g)50.5848.7947.2046.1056.1054.72(g)2.542.442.232.202.902.80(g)16.3016.0715.8515.9616.1816.06(g)34.2832.7231.3530.1439.9238.66(%)7.417.467.117.307.287.25平均含水量(%)(g/cm3)(g/cm3)(%)备注试验:监理:土壤压实度(管沟类)试验记录代表部位:K0+430~K0+410管道两侧回填管、沟断面尺寸:4.2m工程名称:XXXX工程试验日期:2011年8月25日取样桩号及井号K0+430~K0+410施工单位:XXXX工程公司取 样 位 置+2.6m(第二层)取 样 深 度25cm湿密度环刀号123环刀加土质量500.17503.84507.20土 样 种 类河砂环刀质量164.96167.21170.40环刀容积200.00200.00200.00土质量335.21336.63336.80干密度盒号盒+湿土质量盒+干土质量湿密度1.681.681.68水质量含水量干土质量盒质量干密度1.561.571.577.447.217.26压实度95.1295.7395.73最佳干密度1.641.641.64审核:本试验经二次平行测定后,其平行差值不大于规定。取其算术平均值。(g)(g)(g)(cm3)(g/cm3)(g)123456(g)56.2250.3654.5251.9652.9150.71(g)53.4548.0651.9049.5150.4448.33(g)2.772.302.622.452.472.38(g)16.3016.0715.8515.9616.1816.06(g)37.1531.9936.0533.5534.2632.27(%)7.457.197.287.317.227.36平均含水量(%)(g/cm3)(g/cm3)(%)备注试验:监理:土壤压实度(管沟类)试验记录代表部位:K0+410~K0+390管道两...

1、当您付费下载文档后,您只拥有了使用权限,并不意味着购买了版权,文档只能用于自身使用,不得用于其他商业用途(如 [转卖]进行直接盈利或[编辑后售卖]进行间接盈利)。
2、本站所有内容均由合作方或网友上传,本站不对文档的完整性、权威性及其观点立场正确性做任何保证或承诺!文档内容仅供研究参考,付费前请自行鉴别。
3、如文档内容存在违规,或者侵犯商业秘密、侵犯著作权等,请点击“违规举报”。

碎片内容

土壤压实度(管沟类)试验记录

您可能关注的文档

确认删除?
VIP
微信客服
  • 扫码咨询
会员Q群
  • 会员专属群点击这里加入QQ群
客服邮箱
回到顶部