电脑桌面
添加小米粒文库到电脑桌面
安装后可以在桌面快捷访问

SHT3508质量评定表格填写示例.VIP专享VIP免费

SHT3508质量评定表格填写示例._第1页
1/10
SHT3508质量评定表格填写示例._第2页
2/10
SHT3508质量评定表格填写示例._第3页
3/10
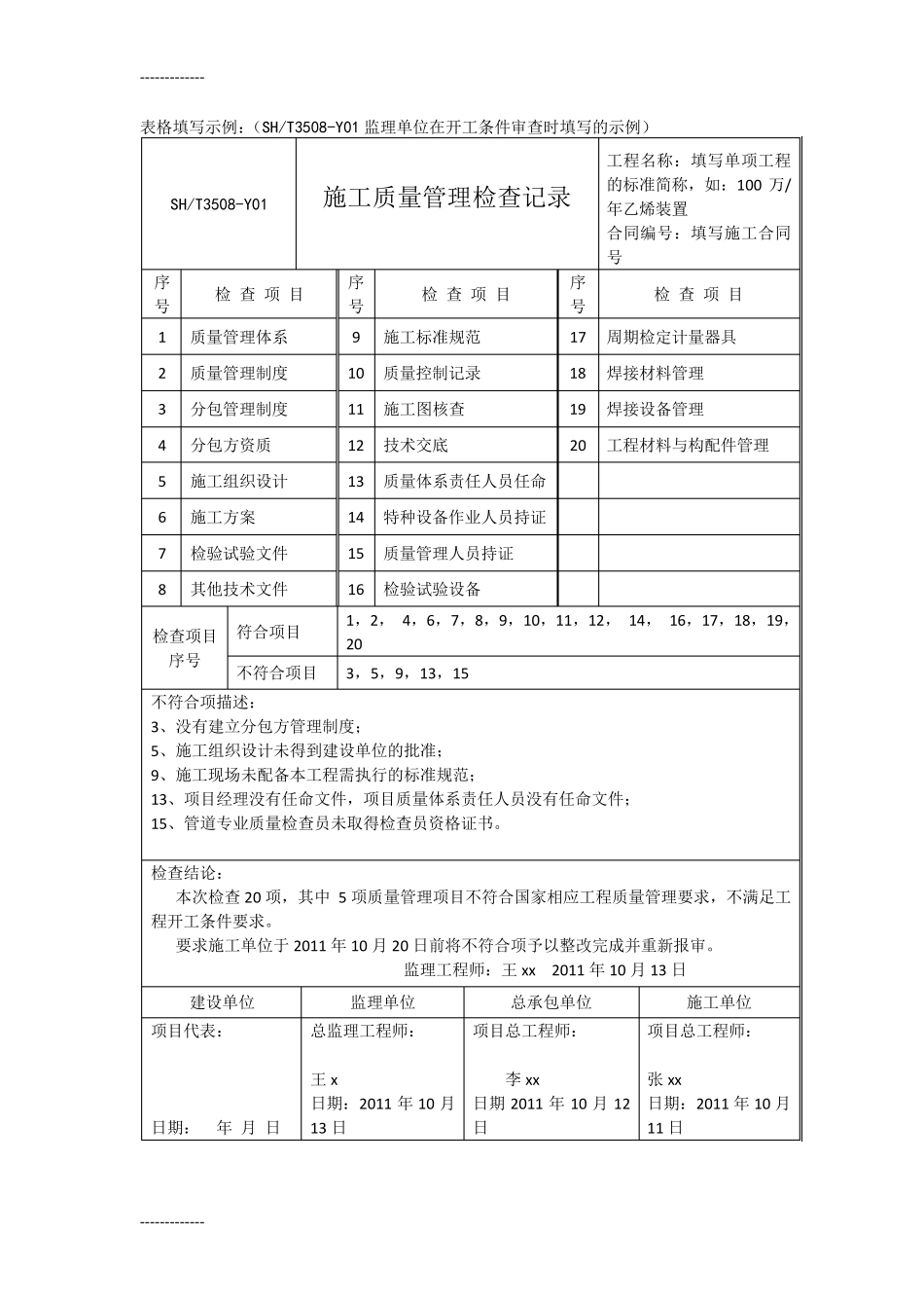
------------- ------------- 表格填写示例:(SH/T3508-Y01 监理单位在开工条件审查时填写的示例) SH/T3508-Y01 施工质量管理检查记录 工程名称:填写单项工程的标准简称,如:100 万/年乙烯装置 合同编号:填写施工合同号 序号 检 查 项 目 序号 检 查 项 目 序号 检 查 项 目 1 质量管理体系 9 施工标准规范 17 周期检定计量器具 2 质量管理制度 10 质量控制记录 18 焊接材料管理 3 分包管理制度 11 施工图核查 19 焊接设备管理 4 分包方资质 12 技术交底 20 工程材料与构配件管理 5 施工组织设计 13 质量体系责任人员任命 6 施工方案 14 特种设备作业人员持证 7 检验试验文件 15 质量管理人员持证 8 其他技术文件 16 检验试验设备 检查项目序号 符合项目 1,2, 4,6,7,8,9,10,11,12, 14, 16,17,18,19,20 不符合项目 3,5,9,13,15 不符合项描述: 3、没有建立分包方管理制度; 5、施工组织设计未得到建设单位的批准; 9、施工现场未配备本工程需执行的标准规范; 13、项目经理没有任命文件,项目质量体系责任人员没有任命文件; 15、管道专业质量检查员未取得检查员资格证书。 检查结论: 本次检查20 项,其中 5 项质量管理项目不符合国家相应工程质量管理要求,不满足工程开工条件要求。 要求施工单位于2011 年10 月20 日前将不符合项予以整改完成并重新报审。 监理工程师:王xx 2011 年10 月13 日 建设单位 监理单位 总承包单位 施工单位 项目代表: 日期: 年 月 日 总监理工程师: 王x 日期:2011 年10 月13 日 项目总工程师: 李xx 日期2011 年10 月12日 项目总工程师: 张 xx 日期:2011 年10 月11 日 ------------- ------------- 表格填写示例:(SH/T3508-Y01 监理对不符合项复查时填写示例) SH/T3508-Y01 施工质量管理检查记录 工程名称:100 万/年乙烯装置 合同编号:填写施工合同号 序号 检 查 项 目 序号 检 查 项 目 序号 检 查 项 目 1 质量管理体系 9 施工标准规范 17 周期检定计量器具 2 质量管理制度 10 质量控制记录 18 焊接材料管理 3 分包管理制度 11 施工图核查 19 焊接设备管理 4 分包方资质 12 技术交底 20 工程材料与构配件管理 5 施工组织设计 13 质量体系责任人员任命 6 施工方案 14 特种设备作业人员持证 7 ...

1、当您付费下载文档后,您只拥有了使用权限,并不意味着购买了版权,文档只能用于自身使用,不得用于其他商业用途(如 [转卖]进行直接盈利或[编辑后售卖]进行间接盈利)。
2、本站所有内容均由合作方或网友上传,本站不对文档的完整性、权威性及其观点立场正确性做任何保证或承诺!文档内容仅供研究参考,付费前请自行鉴别。
3、如文档内容存在违规,或者侵犯商业秘密、侵犯著作权等,请点击“违规举报”。

碎片内容

SHT3508质量评定表格填写示例.

确认删除?
VIP
微信客服
  • 扫码咨询
会员Q群
  • 会员专属群点击这里加入QQ群
客服邮箱
回到顶部