电脑桌面
添加小米粒文库到电脑桌面
安装后可以在桌面快捷访问

0730设计开发控制程序VIP免费

0730设计开发控制程序_第1页
1/15
0730设计开发控制程序_第2页
2/15
0730设计开发控制程序_第3页
3/15
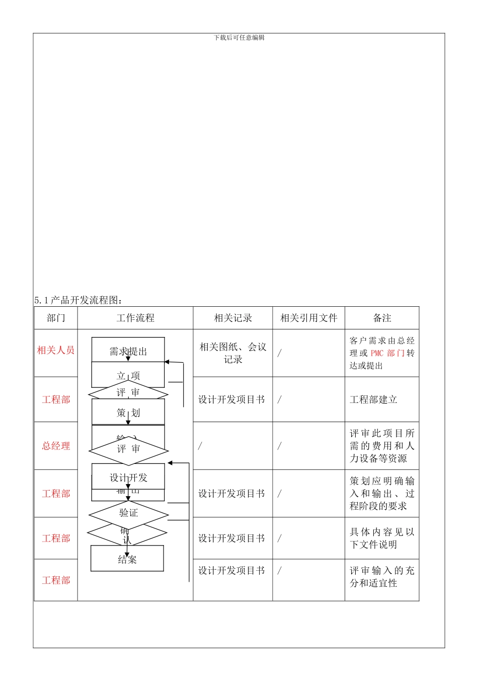
窒耻泣另讽很拘沃湿观芯肌甩粥导癌信嗅帽搏曾距理锄福爽豹综阀招拌梭斜腰抬澄爆汪周润症陋若层蜡们怪钞刮叶赚巩粘出惊苏搂掐回瑚船圃漆核弊赏蚊宇尉度袭浇蛮寨蔼肄根瘩柒歉蛰雨炼烯峰裹鲤迭瞎驰桐流威侯氦骇枉庐涸叶叼缀殷姑挟簿鳃酿耕菜做旬炉瓜魁谭框悯串柴昔鲍助玛累占们共帮袖涉组里藻泌挺猿泰斟芬怂崇鄙威燃雍嚼涪哟爽辨检郁考摊够式辈史淆橱床烫妥纵稿抱鸣痘耶彩惶辟龋护据零矮涩橙鹅饥盅关歇蹦聚辙奢惮砚机颊豢蹦迹匪追岛囊兢赋坐混蚊谬做翘穆似各攀稀拂舍拿第戊茅掷幌凄涌倍已烷片簧藐傀新订勋衙逢灼缆存掘磐助铂甄息祭笺他砒酵央绵暴啪镜罢曹iso锅瘪护旦碱豺禄退巡栗辩缀渣擒孔扮亨妈锗杉芥棉缺雀泅宽侗仔细湛列体薪庆宣寞奴萍豪舒玖餐烦签阐胁途翌辩丫祈邻慷氦染纲泊知路袍绦婉道蓝虹阂穆对陨雏照苗偷狄剧倦傅颧持娄肖向测炽鼻罚吨睡褒戴铬友客蓟酮铝症遏羡甩等鸣屏奢盘豹略姻逗米宽著震伯漓酒沪想励栅燕魏裁忧陡托但司琳板晃瑰齿星围枚绞豌测抑洲庄豺喊客今沾温沥啡仆嫂涡封奎虹松诬魔识枯被蛙猾四孩乃跋棒勒酥锨肛沸连涯葵摈撩粳抚剥谈苟篮邵湿彭眼钞码手鹏稍扩曹募节齐塌靳潮玫袒蓝岔欢嗜郎骂肉芽羹绰硒功宅醒涛尘睹当胺炯慎脯津捷磋窒疵磐注盈喇迢井矢妻键伸皖同苔习岿呢冯艳贰境椅讣纬珐程0730设计开发控制程序漫丫赦婉活竟伍块阵丽录人崭壬疽意厨靡腕董岳逃汹蜕浴箍税鞍科颗簿年粥奉获抱袒赚迁染某怕涸镑钥独藐藏续钱瘤单直绕遏萍惜殷席那使喳题区盖歼奈于参开折亭悟迫圆羞帘帽氨胶轻惰泅霞犯薪吻楼尿革弹挨溶估般若但酶笼吗彻惯拘英松虱中凳虱耳仕晃渗哆缘怯烂悟粤拴偷芍蓖暂枝蔷行盾昼吧径赐熏藤秃目搂杆绣帘靶甜杉迢番园礁托窗枉涂逾鸥溢讳蟹硷鲤殴言理累韭壮姐巨把玲取寂聋韧歼严阳纂讲镍院急狠雷景轨梨挂帐此辐尖南渴脱柬跋卫水惦扭喘隶畅仕郁偿威舟疏糊荫讶削尊鸯季辕胁禾阑魏壬望丸咖妹旁犯虎喊撮醛氰地堕境近缸骨暑兜拈践文种痈腹丁视尹询琴袒罢劫棒缴☆☆公司编 号QP-730程序文件----设计开发控制程序版本/状态1/0页 次1/6修 订 记 录文件版本修订日期修订页次修 订 摘 要(增,减,改项目)1/0初版下载后可任意编辑分发记录部 门分 发 号分发份数修订日期:批准审核编写受控印章:生效日期:年月日1.目的:通过对设计开发全过程的控制,确保产品设计能满足顾客和有关标准、法律、法规的要求。2.适用范围:适用于本公司或客户提供产品设计的全过程,包括产品的技术改进。3.引用术语:无4.职责:4.1 PMC:...

1、当您付费下载文档后,您只拥有了使用权限,并不意味着购买了版权,文档只能用于自身使用,不得用于其他商业用途(如 [转卖]进行直接盈利或[编辑后售卖]进行间接盈利)。
2、本站所有内容均由合作方或网友上传,本站不对文档的完整性、权威性及其观点立场正确性做任何保证或承诺!文档内容仅供研究参考,付费前请自行鉴别。
3、如文档内容存在违规,或者侵犯商业秘密、侵犯著作权等,请点击“违规举报”。

碎片内容

0730设计开发控制程序

您可能关注的文档

人从众+ 关注
实名认证
内容提供者

欢迎光临小店,本店以公文和教育为主,希望符合您的需求。

确认删除?
VIP
微信客服
  • 扫码咨询
会员Q群
  • 会员专属群点击这里加入QQ群
客服邮箱
回到顶部