仅供参考 [整理 ] 第 1 页 共 5 页安全管理文书特殊焊接作业安全要求日期: __________________单位: __________________仅供参...
1 1-4 特殊条件焊接裂纹特殊条件焊接裂纹,主要讨论:层状撕裂,低温下焊接时的裂纹,水下焊接时的裂纹。一. 层状撕裂:层状撕裂 ----...
1 大型塔式容器现场组装焊接工法 工法编号:R JGF(闽)—03—2008 完成单位:福建省工业设备安装有限公司 主要完成人:官家培 何积忠...
大口径螺旋焊管焊接施工方案 1 工程概况 该工程是雅安市二、三水厂输水管网灾后恢复重建工程。材质为螺旋焊管,壁厚分别为10m m 和8m ...
回 流 焊 无 铅 焊 接 的 特 点 和 对 策 一 、 无 铅 焊 接 技 术 的 现 状 无 铅 焊 料 合 金 成 分 的...
新美亚通讯设备有限公司通用工艺文件 回流焊接工艺规范(Vitronics) H3C-WI-ST-028 A 拟 制: 审 核: 批 准: 共12页 2010-07...
下载后可任意编辑超低碳不锈钢焊接工艺及操作模板12024 年 4 月 19 日下载后可任意编辑304L 超低碳不锈钢焊接标准及工艺焊接标准: 1...
下载后可任意编辑超低碳不锈钢焊接标准与工艺模板12024 年 4 月 19 日下载后可任意编辑304L 超低碳不锈钢焊接标准及工艺焊接标准:...
下载后可任意编辑试谈不锈钢管道焊接工艺模板12024 年 4 月 19 日下载后可任意编辑316L 不锈钢管道焊接工艺焊接工艺 ( 1) 焊接...
下载后可任意编辑论陶质衬垫单面焊双面成型焊接工艺法律规范模板12024 年 4 月 19 日下载后可任意编辑CO2 陶质衬垫单面焊双面成型...
下载后可任意编辑论船舶舱室设备底座焊接工艺法律规范模板12024 年 4 月 19 日下载后可任意编辑船舶舱室设备底座焊接工艺法律规范 ...
下载后可任意编辑冬季焊接施工方案12024 年 4 月 19 日下载后可任意编辑冬季焊接施工方案编制人:审核人:22024 年 4 月 19 日下...
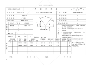
百度文库- 让每个人平等地提升自我1 海洋建工设备安装公司焊接工艺卡工艺001 共6 页第1 页产 品 工 号万顺加气站工程坡口、焊接层...
目录1.工程概况 .....................................................................................................................
熔化焊接与热切割作业人员安全技术培训大纲和考核标准1. 范围本标准规定了熔化焊接与热切割作业人员的基本条件、安全技术理论和实际操作的...
焊钉(栓钉)焊接工程检验批质量验收记录(Ⅱ)010901□□020401□□单位(子单位)工程名称分部(子分部)工程名称验收部位施工单位项目经...
表 R01焊钉(栓钉)焊接工程检验批质量验收记录编号:单位(子单位)工程名称李先生加州牛肉面大王物资生产配送中心1 号车间分项工程名称...
D45 焊缝焊接质量检查记录表工 程名称工程编号部位焊接材料型号Q235-B 规格δ =20炉批号20 φ 57×3.5焊接位置平焊焊接方法焊条电弧...
仅供参考 [整理 ] 第 1 页 共 4 页安全管理文书焊接防火技术措施日期: __________________单位: __________________仅供参考 ...
焊接钢管理论重量表正规版(正式版资料,可直接使用可编辑,推荐下载)焊接钢管理论重量表外径 (毫米 ) 壁厚(毫米)2.5 3 3.5 4 4.5...

