山亭区冯卯镇 2015 年大中型水库库区移民后期扶持结余资金(第二批)项目CB18单元工程施工质量报验单(恒立水利[2016]质报号)工程名称...
有限责任公司2015 年安全标准化系统持续改进工作评定报告编制:审核:批准:2015 年 9 月 30 日发布2015 年 9 月 30 日实施、材...
宾馆饭店消防安全标准化管理评定细则(试行)序号项目分值评定内容(方法)评定标准备注得分1消防安全职责10建立消防安全管理体系,落实逐级...
附件 1《血站质量管理法律规范》督导检查表1.根据卫生部《关于组织对采供血机构质量管理法律规范贯彻实施情况进行督导检查的通知》精神,...
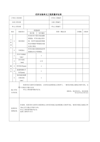
表 6。9。1 蝴蝶阀单元工程安装质量验收评定表填 表 说 明填表时必须遵守“填表基本规定”,并符合本部分说明及以下要求:1。单元工程...
薪酬体系及考核薪酬评定办法(草案)第一章 总则第十三条 目的根据公司进展战略和管理模式,为法律规范公司薪酬管理,建立该体系。第十四...
工程报验申请表项目名称:波密县寺庙饮水安全工程 合同编号: XZLZBM—SMYS—2024-04 致:四川江阳工程项目管理有限公司我单位已完成了...
病人提供的主观整体营养状况评量表Scored Patient-Generated Subjective Global Assessment (PG-SGA)PG—SGA 评分工作表工作表-1 ...
产品评定表菜肴品称: 制作人: 品鉴人 日期: 、 、 主料(份量)辅料(份量)调料(份量)口味制作方法(操作注意事项)第一步:第二步...
药品 GMP 认证检查评定标准——生产管理(十) (检查核心) 生产必须严格遵循第七章所述的各种文件,以确保所生产药品的质量。 (检查...
树木种植单元工程质量评定表单位工程名称单元工程量分部工程名称施工单位单元工程名称、部位评定日期 年 月 日项次工 序 名 称工 序...
硬聚氯乙烯(PVC—U)给水管道安装单元工程质量评定表单位工程名称单元工程量 分部工程名称施工单位 单元工程名称、编号施工日期年 月 ...
孤独症评定量表(内部资料)目 录A:测题及补充测试步骤………………2—27B:测试材料……………………………28—29C:仿画部分评发标准…...
自闭症 CARS 评定量表一、人际关系1 分,与年龄相当;与年龄相符的害羞、自卫及表示不同意。2 分,轻度异常:缺乏一些眼光接触,不同意,...
自测健康评定量表(SRHMS) (Self-rated Health Measurement Scale Version1。0)自测健康是指您本人对自己健康状况的主观评价的期望...
自动化仪表安装工程质量检验评定标准 GBJ131-90目 录第一章 总则第二章 质量检验评定方法与质量等级的划分第三章 取源部件的安装第一...
自动化仪表安装工程质量检验评定标准 GBJ131—90目 录第一章 总则第二章 质量检验评定方法与质量等级的划分第三章 取源部件的安装第一...
第十章 脑卒中评定量表 附录Ⅰ 脑血管疾病分类(1995 年)(全国第四届脑血管病学术会议通过) 一、短暂性脑缺血发作( 435) (一)...
脑卒中评定及量表1.肌力评定(MMT)MRC 分级法分级表现5能对抗的阻力与正常相应肌肉的相同,且能作全范围的活动5-能对抗的阻力与 5 级相...
武汉大学人民医院 湖北省人民医院肩关节功能评价量表姓名 性别 年龄 科别 住院号 评价人 : 项目评分标准得分小计1.痛苦(30 分)无...

