通信工程架空光缆线路施工法律规范目录第一节 杆路 …………………………………………………………1第二节 吊线 …………………………...
杆线知识题库 一、推断题1.用作拉线的钢绞线规格为:7/2.0mm、7/2.2mm、7/2.6mm、7/3.2mm。答案:错2.杆路设备指: 电杆、电杆的支持加固...
架空光缆杆路工程施工工艺标准(讨论稿)一、工程施工前的准备工作;1、施工单位根据施工图纸做出施工材料单。(1)线路施工前,施工单位应根...
通信工程架空光缆线路施工规范目录第一节杆路…………………………………………………………1 第二节吊线………………………………………...
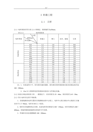
安广 2 杆路工程 2.1 立杆 2.1.1 电杆洞深应符合表2.1.1 的规定,洞深偏差为±50mm。 表2.1.1 电杆洞深表 电杆类别 分类 洞深(...
架空光缆杆路工程施工工艺标准 (讨论稿) 一、工程施工前的准备工作; 1、施工单位根据施工图纸做出施工材料单。 (1)线路施工前,施...
严格按《通信建设工程安全生产操作规范》施工。 1.施工测量 ⑴通信线路工程在勘察测量施工时,应对路由经过的沿线环境进行详细的调查,如...
架空线路建设施工规范 一.杆路施工 1.支承杆的选择 光缆架空敷设用支承杆一般选用水泥杆,在对混泥土腐蚀较严重地区可选用经防腐处理的...
下载后可任意编辑电力杆路安全协议书甲方:沙河市电力局乙方:中国电信股份有限公司沙河分公司下载后可任意编辑电力杆塔加挂光缆工程安全协...
下载后可任意编辑1、 电杆立杆质量检查参加单位:监理单位、施工单位、物资设备厂家责任单位:施工单位文档输出:文档名称文档类型格式责...
通信管道与杆路基础知识
下载后可任意编辑通信杆路迁改割接施工合同发包方(甲方): 承包方(乙方): 根据《中华人民共和国合同法》及通信工程建设的有关法律、...
下载后可任意编辑电力杆路安全协议书甲方:沙河市电力局乙方:中国电信股份有限公司沙河分公司下载后可任意编辑电力杆塔加挂光缆工程安全协...
架空线路建设施工规范一. 杆路施工1. 支承杆的选择光缆架空敷设用支承杆一般选用水泥杆,在对混泥土腐蚀较严重地区可选用经防腐处理的木...
通信杆路工程施工课件目录•通信杆路工程施工概述•通信杆路工程施工流程•通信杆路工程施工技术•通信杆路工程施工安全与质量保障•通信杆...
1、电杆立杆质量检查参与单位:监理单位、施工单位、物资设备厂家责任单位:施工单位文档输出:文档名称文档类型格式责任单位整改通知单纸...
第三章第三章通信杆路工程施工与监理通信杆路工程施工与监理通信杆路基本知识3.1通信杆路工程施工与监理3.2通信杆路工程验收检查3.3【本章...
3、布放吊线布放吊线时,应先把已选择好的钢绞线盘放在具有转盘装置的放线架上,然后转动放线架上的转盘即可开始放线,布放吊线一般米用下...
架空光缆杆路工程施工工艺标准(讨论稿)一、工程施工前的准备工作;1、施工单位根据施工图纸做出施工材料单。(1)线路施工前,施工单位应...
通信杆路施工技术交底记录工程编号工程名称参加人员交底人交底日期交底内容严格按《通信建设工程安全生产操作规范》施工。1.施工测量(1)....

