一、工程概况该工程位于新野县文化广场西侧,北距书院西路约 100 米左右,拟建建筑物共 4 栋, 1#楼高 25 层,2#楼高 19 层,均...
班组班前安全教育记录表工程名称: 西藏金桥水电站引水隧洞、调压井及压力管道土建工程施工班组名称支护班参加人数 人作业部位1#施工支洞...
宗地 14 住宅项目基坑工程施工方案编 制:审 核:审 批:编制时间:施工单位:武汉江城基础工程有限公司二零一三年五月二十五日第一章...
目 录一、编制依据- 2 —二、工程概况 2 2 。 1 设计概况 2 2.1.1 主要构件设计要求 2 2 。 1 。 2 主要材料设计情况 2...
郑州市轨道交通 1 号线二期工程土建施工 02 标段【铁炉站站】支护结构分部工程验收自评报告中铁隧道集团有限公司郑州轨道 1 号线二期...
安全技术交底记录工程名称:晋阳商座施工单位:四川省第一建筑工程公司 编号:项目技术负责人: 项目专业施工员: 项目专业质量检查员:...
掘进工作面临时支护作业流程为进一步法律规范掘进工作面临时支护作业流程,提高顶板管理水平,经与相关领导结合,现对掘进工作面临时支护作...
长沙火车南站周边区域(磁浮站)排水整治工程临时泵站钢板桩支护专项施工方案编制单位:编制单位:长沙春华建筑工程有限公司 长沙春华建筑...
0荆 州 大 道 改 造 工 程( K4+180—K4+682 )钢 板 桩 支 护 施 工 方 案编 制 人 :审 核 人 :审 批 人 :荆...
沅江市污水处理厂扩建工程(二期)污水收集系统二标段污水管道钢板桩支护方案工程名称沅江市污水处理厂扩建工程 ( 二期)污水收集系统二...
黄家崴子道路工程第三标段排水管线沟槽支护施工方案哈尔滨市第二市政工程公司黄家崴子道路工程项目第三标段项目经理部2024 年 9 月 一...
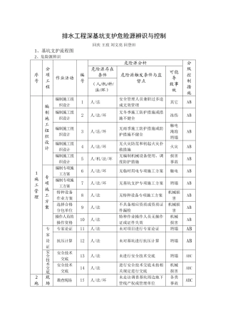
排水工程深基坑支护危险源辨识与控制回庆 王玫 刘文亮 回登田1、基坑支护流程图2、危险源辨识序号分项工程作业活动编号危险源分析分级控...
第九章(一)污水工程沟槽开挖与支护专项施工方案一、编制依据及原则1、《市政排水管渠工程质量检验评定标准》 2、《给排水构筑物工程施工...
消 防 泵 房 基 坑 支 护 方 案一 、 工 程 概 况本 工 程 位 于 安 徽 省 临 淮 岗 洪 水 控 制 管 理 局...
砂浆养护锚杆安放注 浆锚杆孔及排水孔钻进测量放线锚杆制作施工准备搭脚手架挂网锚喷支护工程施工方案一 、工程概述及工程量本高切坡切坡...
挂网锚喷支护工程施工方案一、工程概述及工程量本高切坡切坡面均采纳挂网锚喷支护。C20 喷锚砼 m3,C25 压顶梁砼 m3,挂网及压顶梁钢筋...
拉森钢板桩支护施工方案一、工程概况:1、工程简述:本工程位于宁波市中心粮库项目一期工程南外侧,宁慈公路北侧.本工程涉及桥梁两座,结构...
片区排水改造工程槽钢、拉森钢板桩支护专项施工方案编制: 审核:片区排水改造工程项目经理部2024 年 4 月 25 日目录一、工程概况 2...
桂 林 市 西 二 环 路 道 路 建 设 工 程 排 水 管 道深 基 坑 开 挖 施 工 方 案 计 算 书一 、 工 程 概...
绣水街(矬口方沟)污水处理厂铺设污水管线工程钢板桩支护专项施工方案 编制人:审核人:审批人:邢台东明建筑安装有限公司二零一九年八月目...

