目录一、设计说明书...................................................................................................................
汽动给水泵调试方案汽动给水泵启动调试方案目录1、系统概述及主要设备规范2、编制依据3、调试范围4、试运行组织与分工5、调试程序与工艺6、...
水泵联合试运转报告记录2————————————————————————————————作者:——————————————————...
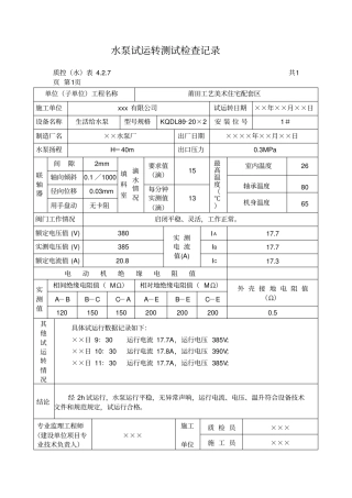
水泵试运转测试检查记录质控(水)表4.2.7共1页第1页单位(子单位)工程名称莆田工艺美术住宅配套区施工单位xxx有限公司试运转日期××年×...
Ⅴ标潜水排污泵采购技术条款1机械设备技术要求1.1潜水排污泵1.1.1总述本节规定了潜水排污泵的设计、制造、工厂试验的技术要求。总则:标准...
1目录一、工程概况....................................................................................................................
水泵试运转测试检查报验申请表工程名称:江南水都七期(飞快)地块一2#地下室编号:01致:福建省中福建设工程监理有限公司(监理单位)我单...
1/5水泵调试方案一、工程概况调试内容包括:CO2压缩站循环水站、全场加压泵站、污、废水处理站、2#空压站循环水站、蒸发循环水站共27台水泵...
水泵选型的原则及步骤一、选用原则水泵是一种面大量广的通用型机械设备,它广泛地应用于石油、化工、电力冶金、矿山、选船、轻工、农业、民...
水泵试运转记录编号:05-05/(08-14)□□□单位工程名称分部工程名称分项工程名称项目经理施工执行标准名称及编号施工图号试验日期试验电...
111水泵的选型设计一:设计的原始资料和任务1.设计的原始资料⑴正常排水量Q=520m3/h⑵排水高度H=400m2.设计任务⑴确定排水系统⑵选择排...
水泵试运行调试记录表GB50242-2002工程名称广厦·中州国际消防系统安装工程子分部工程名称室内给水系统分项工程名称自动喷水灭火系统设备名...
水泵试题一.填空1.在相同功率和转速下,泵比风机的几何尺寸小是因为()。答案:泵的流体介质密度较大。2.在泵或风机的工况调节中,比较...
水泵扬程的计算公式A水泵扬程的计算公式估算方法1:暖通水泵的选择:通常选用比转数ns在130~150的离心式清水泵,水泵的流量应为冷水机组额...
水泵检修初级工试题(答案解析+试题)一、选择题(请将正确答案的代号填入括号内,每题1分,共100题)1(La5A1001).直线或平面垂直于投影面时,...
上海东方泵业(集团)有限公司自动变频控制设备上海东方泵业(集团)有限公司上海东方泵业(集团)有限公司1目录一、概述..........................
技术交底记录表C2-1编号001工程名称北京雁栖湖国际会都市政配套工程-锅炉房工程交底日期2012-9-28施工单位北京城建安装工程有限公司分项工...
水泵站课程设计任务书及指导书班级:水文1班姓名:学号:天津农学院水利工程学院二O一五年十二月(3组)一、设计任务根据所提供资料完成莘...
水泵及水泵站(单项选择题)1.水泵按其作用和工作原理可分为(A)三大类。A.叶片式水泵、容积式水泵、其他水泵B.大流量水泵、中流量水泵、...
第一章水泵定义:是输送和提升液体的机器,他把原动机的机械能转化为输送液体的能量分类:叶片式,容积式,其他类。发展趋势:大型化大容量...

