项目编码:oioioioo6ooi 项目名称:管沟土方 y【例 13】 如图 1-1-12 所示为管沟断面图,设管沟长度为 6m,试计算管沟土方的清 单和...
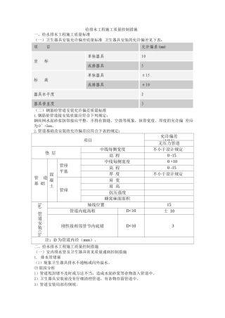
给排水工程施工质量控制措施一、给水排水工程施工质量标准(一)卫生器具安装允许偏差质量标准 卫生器具安装的允许偏差见下表:(二)钢筋...
给排水工程施工方法本工程的给排水工程主要包括生活给水系统、污雨水排放系统等几个系统。主要的施工方法1、预留预埋预留预埋是给排水专业...
给排水工程混凝土管道安装施工方案及工艺方法1、施工工艺测量放线 T 沟槽开挖 T 垫层 T 管道安装 T 管道基础混凝土施工 T 检查井...
给排水工程施工方案本工程的给排水工程主要包括给水系统、排水系统、消火栓给水系统。主要的施工方法1、预留预埋:预留预埋是给排水专业在...
给排水工程施工方案管道工程管道涉及种类多,包括孔网钢带复合塑料管、双壁波纹管、PP-R 管、UPVC 管、镀锌钢管等,连接方式包括热熔连接...
给排水工程监理要点给排水工程监理要点(1)难点分析:① 根据不同系统对设备和不同材质的要求,严把选型 和定货关,比较多个厂家品牌,最...
给排水工程施工方案一、测量放线1、总体测量工作程序测点交接-测点复测-建立施工导线网 T 布置水准控制点-测定管道控制线 T局部放样。2...
给排水工程施工方案1.1 室内给排水系统生活给水管及热水管为衬塑钢管,管件连接。管道阀门采纳铜截止阀。排水管选用机制离心排水铸铁管。...
给排水工程本项目给排水工程主要有排水管、雨水管、给水管等。既有管道及线路调查:管道施工前对地下既有管线进行调查,对有保护要求的管线...
给排水工程施工方案一)、给水管道安装室内给水管道采纳塑料管材热熔连接,管道与金属管配件,如阀门、水表、龙头等的连接应采纳专用配件螺...
给排水工程施工技术措施配合土建预留a)接到图纸后认真看图、审图,首先看好图纸说明,然后根据平面图、系统图认真核对,参照土建结构图和...
给排水工程施工方案一、给水管道系统安装1、施工要点1)给水管道必须采纳与管材相适应的管件。生活给水系统所涉及的材料必须达到饮用水卫生...
给排水工程施工方案(1)PE 管施工顺序图纸会审一一材料准备一一测量放线一一管沟开挖一一管基密实度试验一一材料进场一一管道安装一一焊...
登汝高速房建工程汝州东服务区给排水施工方案编制单位:中交第一公路工程局有限公司北京建筑分公司登汝高速房建项目部 编制时间: 编 制...
给排水工程6.10.1 给排水工程概况给排水工程包括预留预埋、管道安装、配件安装、管道试压、管道冲洗、穿墙套管安装。(1)生活给水系统本工...
给排水工程施工专项方案1 给排水管道安装要求1、除设备间管道明装外,其余均在管进、吊顶、墙体内安装。2、排水管坡度除注明者外,当未注...
1.给排水工程施工工艺及技术保证措施安装施工组织及施工部署本工程工作面较大,分项项目多,技术要求较高,为此项目部专设安装组,由公司技...
给排水、采暖、燃气工程一、室内给水管道定额得套用及工程量得计算工程量计算总得顺序由入(出)口起,先主干,后支管;先进入,后排出;先...
给排水工程塑料管1、PP-R 管材的运输:搬运管材和管件时,应小心轻放,避开油污,严禁剧烈撞击与尖锐物品碰触 和抛、摔滚、拖。管材和管...

