苏滁现代产业园 2025 年度第三批市政工程 路基填筑施工技术方案编制: 审核: 审批: 江苏新景源建设集团有限公司路基土方填筑工程施...
北京市建设工程技术企业标准 QB 编 号:QGD—0 10-2025 备案号:JQB—056—2 005轨 道 交 通路基工程施工质量验收标准Standa...
毕业设计论文兰新高铁铁路路基施工组织设计目 录第一章 绪论..............................................................1第二章 ...
第一章 总体施工组织布置及规划(一)工程概况(1)工程名称:(2)工程位置:(3)工程质量:工程交工验收的质量达到合格,竣工验收的质量...
G320 盘县火铺至胜境关公路改扩建工程填方路基专项施工方案编 制: 审 核: 审 批: 山东省路桥集团有限公司贵州六盘水建养一体化 ...
京 沪 高 速 铁 路路 基 施 工 实 施 细 则铁道部京沪高速铁路建设总指挥部京沪高速铁路股份有限公司二○○八年二月前 言为法...
路基压实度测定方法及其操作规程灌砂法1 目得和适用范围1、1 本试验法适用于在现场测定基层(或底基层)、砂石路面及路基土得各种材料压实...
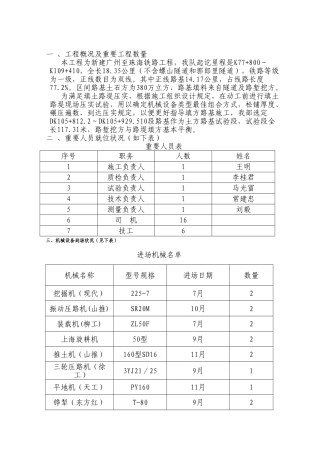
一 、工程概况及重要工程数量本工程为新建广州至珠海铁路工程,我队起讫里程是K77+800~K109+410,全长18.35公里(不含螺山隧道和郭郎里隧...
路基工程路基干湿类型:最不利季节的干湿类型,分干燥、中湿、潮湿、过湿四种。既有路基:分界稠度,或分界相对含水量; 新建公路,路基临...
路桥过渡段路基路面施工中的要点问题探究路桥过渡段路基路面施工中的要点问题探究 【摘要】随着我国社会经济的快速进展,交通运行车辆急剧...
路基路面工程一、名词解释1. 路基临界高度:不利季节路基处于某种临界状态时(干燥、中温、潮湿)上部土层(路床顶面以下 80cm)距地下水...
路基施工技术问题的探讨路基施工技术问题的探讨 【摘要】公路路基是公路路面的基础,与公路路面共同承载着过往车辆的重量。因此,路面长时...
论公路施工中的土石混填路基施工技术论公路施工中的土石混填路基施工技术 姚团结朱姣姣 摘 要:新时期,我国经济得到了快速的进展,推动...
新编路基路面工程课后习题答案 新编路基路面工程课后习题参考答案 (刘,陆,程,同济大学出版社) 第一章 路基和路面在道路上各起什么...
探讨市政道路中的路基沉降问题探讨市政道路中的路基沉降问题 摘要:文章首先对市政公路中常常出现的路基沉降的原因进行了分析,接着介绍了...
探讨公路工程路基施工中的质量问题与防治措施探讨公路工程路基施工中的质量问题与防治措施 摘要:路基的质量对公路工程的质量有着重要的影...
常见公路路基工程质量问题及防治措施常见公路路基工程质量问题及防治措施 摘要:公路路基施工是整个公路工程施工的重中之重,路基施工质量...
对公路施工中填石路基技术相关问题的探讨对公路施工中填石路基技术相关问题的探讨 摘 要:公路工程填石路基施工关键技术面临的工艺难度和...
对公路路基施工压实度异常问题的探讨对公路路基施工压实度异常问题的探讨 中图分类号; U416.1 文献标识码:A 文章编号: 摘要:在道路...
公路路基设计中的常见问题分析公路路基设计中的常见问题分析 摘要: 公路路基的质量直接决定了道路质量的好坏,也决定着车辆行驶时人们的...

