美术商务对接方案摘要随着社会的进展,美术行业在国内日益成熟和进展。作为一个充满艺术氛围的行业,从创作到推广,都需要各种不同的商务对...
电商产业促进论坛暨产品对接会策划方案一、方案说明1、名称首届电子商务产业促进论坛暨产品对接会2、论坛主题促进 沟通 进展3、时间:待...
煤矿采面对接后初采初放安全技术措施一、概述我队回采的戊 9-10—16080 采面,随工作面回采推动即将回采至上段外切眼对接处,为了进一步...
区长在产学研合作对接会上的讲话同志们,朋友们:今天,我们召开这次产学研合作对接会,目的是搭建一个交流合作的平台,推动我区企业、高校...
在全市 2025 年企业供需对接暨营商环境优化会议讲话同志们:今天,我们在这里召开全市企业供需对接暨营商环境优化会议,主要任务是深入总...
一、广告服务内容第一项、项目全程广告企划(一)广告市场调查与分析广告营销环境分析广告竞争对手分析广告目标客户群分析(二)广告定位市场...
宁波市东部新城中央广场工程新老雨污管道顺接专项方案编制人: 职务(称): 编制日期: 审核人: 职务(称): 审核日期: 批准意见: 批准...
工作面对接安全措施一、工程概况6012 工作面走向总长度为 985.1 米,6102 综采工作面在回风顺槽掘进到 825 米处,由于受地质条件影响...
品牌商家与商业地产的对接操作手册•品牌经营是让商业地产腾飞的翅膀•在规划设计之时便准备集中众多品牌商家,并在全国主要城市铺开的 网...
人力资源部岗位工作对接流程图人力资源部 薪酬绩效 社保公积金及其他 招聘培训及其他 苏治宇郑赛男 何雪娜李世凤节点AB CD 1 考勤2...
xx 企业焊 接 工 艺 评 定 编 号: PQR158-GTAW/SMAW-Fe1-5.9 编 制: 审 核: 批 准: 目 录一、焊接工艺评估任务书 (共 ...
*****企业焊 接 工 艺 评 定 编 号: XXX-PQR-005 编 制: xxx 审 核: xxx 批 准: xxx 目 录一、焊接工艺评估汇报 (共...
第1章 前言Q345 钢是一种低合金钢(W(C)<0.2%),具有较高屈服强度、韧性高、良好的焊接性与冷加工性能,在船舶、压力容器、建筑钢结构...
目 录1 前言11.1 背景及意义11.2 超声波检测的进展与现状11.2.1 国际超声波检测技术的进展历程与现状11.2.2 国内超声波检测技术的进...
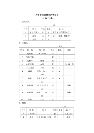
对接电杆得排杆及焊接工艺一、施工准备1、 劳动组织 表1序号项 目单位数量备 注1施工负责人人1负责施工质量及安全2运杆人6运杆、排杆...
某某专业合作社农超对接试点项目建设方案第一章 项目概要1.1 项目承建单位简介某某县绿之洲果蔬专业合作社位于许昌市某某县某某某乡尚庄...
“农超对接”农民专业合作社示范项目可行性讨论报告目 录第一章 总论...................................................................
某某专业合作社农超对接试点项目建设方案第一章 项目概要1.1 项目承建单位简介某某县绿之洲果蔬专业合作社位于许昌市某某县某某某乡尚庄...
某某专业合作社农超对接试点项目建设方案第一章 项目概要1.1 项目承建单位简介某某县绿之洲果蔬专业合作社位于许昌市某某县某某某乡尚庄...
银企对接会主持词格式为大家整理了《银企对接会主持词格式》,希望以下这些内容可以帮到您! 【篇一】 尊敬的各位领导、各位行长、各位老...


