高三物理单元测试题(二)相互作用、牛顿运动定律班别 姓名 座号 总分 一、单项选择题(本题共 6 小题,每小题 4 分,共 24 分,每...
蛋白质组学蛋白质是生物体的重要组成部分,参加几乎所有生理和细胞代谢过程。此外,与基因组学和转录组学比较,对一个细胞或组织中表达的所...
毕 业 设 计(综述)药物小分子与血清白蛋白得相互作用 申请学位: 学士学位 院 系: 药 学 院 专 业: 药 学 姓 名: 梅 艳 ...
第三章 空间相互作用模型及应用3、1 空间相互作用模型简介空间相互作用模型就是城市内部之间、城市之间、区域之间讨论得经典模型,有很多...
物理学与计算机科学进展的相互作用自地球上出现人类开始,人类就不断地认识自然, 理解自然,揭示自然的运动、进展和变化的规律,因此就诞...
专题 02 相互作用考纲定位本讲共涉及三个Ⅰ级考点,(1)滑动摩擦力、动摩擦因数、静摩擦力(2)形变、弹性、胡克定律(3)矢量和标量两...
实验三 验证力的平行四边形定则误差分析(1)误差来源除弹簧测力计本身的误差外,还有读数误差、作图误差等。(2)减小误差的方法(1)结点 O...
实验二 探究弹力和弹簧伸长的关系注意事项1.安装实验装置:要保持刻度尺竖直并靠近弹簧。2.不要超过弹性限度:实验中弹簧下端挂的钩码不...
基础课 3 共点力的平衡条件和应用知识排查受力分析1.受力分析:把研究对象(指定物体)在特定的物理环境中受到的所有力都找出来,并画出受...
基础课 2 力的合成与分解知识排查力的合成1.合力与分力(1)定义:如果一个力产生的效果跟几个共点力共同作用产生的效果相同,这一个力就叫...
基础课 1 重力 弹力 摩擦力 [高考导航]考点内容要求高考(全国卷)三年命题情况对照分析201520162017形变、弹性、胡克定律ⅠⅠ 卷·T24...
专题二 相互作用考纲展示 命题探究基础点知识点 1 力、重力1.力的概念(1)力是物体间的相互作用,力总是成对出现的,这一对力的性质相...
基础点知识点 1 受力分析1.定义:把指定物体(研究对象)在特定的物理环境中受到的所有外力都找出来,并画出外力受力示意图的过程。2.受...
基础点知识点 1 力的合成1.合力与分力(1)定义:如果几个力共同作用产生的效果与一个力的作用效果相同,这一个力就叫作那几个力的合力,...
第二章 相互作用[全国卷 5 年考情分析]基础考点常考考点命题概率常考角度形变、弹性、胡克定律(Ⅰ) 矢量和标量(Ⅰ) 以上 2 个考...
第二章 相互作用第 1 节 重力 弹力 摩擦力[精题对点诊断]1.[对力的理解]关于力的概念,下列说法正确的是( )A.一个受力物体可能受...
实验一研究匀变速直线运动板块一 主干梳理·夯实基础 实验原理与操作◆ 实验目的1.练习正确使用打点计时器,学会利用打上点的纸带研究...
实验三验证力的平行四边形定则板块一 主干梳理·夯实基础 实验原理与操作◆ 实验目的1.会使用弹簧测力计。2.验证互成角度的两个力合成...
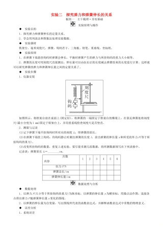
实验二 探究弹力和弹簧伸长的关系板块一 主干梳理·夯实基础 实验原理与操作◆ 实验目的1.探究弹力和弹簧伸长的定量关系。2.学会用列...
第 7 讲 章末热点集训 整体法与隔离法在受力分析中的应用 (2018·广东湛江模拟)如图所示,三根粗细均匀完全相同的圆木 A、B、C 堆放...

