质量管理体系培训教材(一)博思美亚科技进展公司目 录公司标准软件过程体系文件导读 1软件生命周期模型 15秘 密仅限于内部使用业务需...
第一太平戴维斯物业管理质量体系第一太平戴维斯物业管理优质管理体系目录5.3.1 第一太平戴维斯物业管理优质管理体系1.1 质量方针1.2 质...
**汽车股份顾客特别要求与 ISO/TS16949:2024 结合使用1、围ISO/TS16949:2024 和本文件为**汽车股份(以下简称**公司)的供应商定义了...
小议质量体系审核的探析 随着我国加入 wto,以及全球经济一体化的迅猛进展,企业国际化的趋势成为不可避开。根据国际化的要求,转换企业...
颁发部门 对主要物料供应商质量体系评估制度接收部门生效日期管理标准---质量制定人制定日期文件编号 审核人审核日期文件页数共 2 页批...
国际食品安全质量体系标准介绍目录1. EUREPGAP2. SQF2000CM3. BRC4. HACCP 认证5. ORGANIC 有机食品6. FAMIQS7. IFS8. ISO220009...
一、目的1. 确保组织机构适宜于公司质量体系正常有效的运行。2. 确保从事与质量有关的管理、执行和验证工作的人员均有明确、合理的职责、...
物业管理企业质量手册及程序目 录质量手册修订页………………………………………………………………………1目 录……………………………...
附件 2:医疗器械质量体系管理法律规范植入性医疗器械实施指南(征求意见稿)第一章 总则第一条 根据《医疗器械监督质量体系管理法律规...
出口产品企业质量体系评审表出口玩具生产企业质量体系评审表说明一. 本评审表是根据《出口玩具质量许可证管理办法》的有关规定制定的,用...
出口产品企业质量体系评审表出口玩具生产企业质量体系评审表说明一. 本评审表是根据《出口玩具质量许可证管理办法》的有关规定制定的,用...
部 质 量 体 系 审 核 员 培 训案 例 练 习市 xx 信管理顾问案例一:标准的理解一、填空题(1):1、ISO9001 主要由 、 ...
部审计实务标准本文目录:部审计师协会职业道德规审实务标准简介IIA 颁布《部审计实务标准》修订本的补充实务公告部审计师协会职业道德规1...
部质量审核员教程第一章 概 述 (一).质量审核1. 质量审核定义:确定质量活动和有关结果是否符合计划的安排,以与这些安排是否有 效地...
+Supplier Quality System Assessment 供应商质量体系评审Use the ED12695 Quality System Assessment Scoring Form to docum...
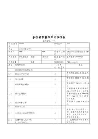
供应商质量体系评估报告报告编号:****供 应 商 名称*****许可证号***地址*****路 57 号***联系人******质量认证情况2024 年 6 月...
体外诊断试剂生产企业质量体系考核程序与申报资料要求一、办事依据:《体外诊断试剂质量管理体系考核实施规定》(试行)、《体外诊断试剂管...
质量体系审核要 求(本页空白)项 目 #1 管理层责任Q91Q92RMNRNRNR1-1. 管理层应制定组织的质量方针和质量承诺,并使之文件化。最高管理...
部质量体系审核检查表编号:01 受审核部门:公司领导 日期:要素检查容和方法检查结果4.1总要求询问总经理公司质量管理体系是依据哪些标...
东风汽车车轮有限公司质量体系诊断报告(依据 ISO/TS16949:2024 标准)诊断日期:2024 年 3 月 22 日至 2024 年 3 月 23 日诊...

