1、机械名称:裱纸机2、防护装置名称:红外线3、防护部位:上肢4、防护作用:防止肢体卷入损害事故5、实际需求:请参阅图片说明.1、机械设备...
机械安全 防护装置 固定式和活动式防护装置设计与制造一般要求GB/T 8196—2024前 言本标准修改采纳国际标准 ISO14120:200N 机械安全...
技师原则职业功能工作内容技能规定有关知识工 艺操作(一)开车准备1 能完毕开车流程确实认工作 2 能完毕开车化工原材料旳准备工作 3...
旭化成、氯工程、北化机三种电解装置的比较一、工艺比较目前,旭化成、氯工程、北化机三家最新推出电槽均为高密度、低电耗运行的复极式电槽....
施工升降机附着安装方案目 录一、编制依据 2 二、工程概况 2 2 。 1 工程简介 2 2.2 施工升降电梯主要技术参数 2 三、施工电...
110kV 变故障录波装置改造项目可行性讨论报告说明书(收口)项目名称:110kV 变故障录波装置改造项目单位:编制单位:二零一四年八月批 准...
放射科射线装置的管理制度X 线检查设备属大型贵重精密医疗设备,为保持 X 线检查设备正常运转,提高其使用效率和延长使用寿命,加强 X ...
核技术利用单位放射性同位素与射线装置安全和防护状况年 度 评 估 报 告(年度)单位名称:(盖章)编制日期:编写说明1、年度评估报告...
核技术利用单位放射性同位素与射线装置安全和防护状况年 度 评 估 报 告(二 O 一五年度)单位名称:编制日期:编写说明1、年度评估...
环境保护部令部令 第 18 号放射性同位素与射线装置安全和防护管理办法 《放射性同位素与射线装置安全和防护管理办法》已由环境保护部 ...
放射性同位素与射线装置安全许可管理办法中华人民共和国环境保护部令第 3 号《关于修改〈放射性同位素与射线装置安全许可管理办法〉的决...
放射性同位素与射线装置安全许可管理办法中华人民共和国环境保护部令第 3 号《关于修改<放射性同位素与射线装置安全许可管理办法〉的决定...
【发布单位】环境保护部【发布文号】环境保护部令第 3 号【发布日期】2024-12—06【生效日期】2024-12—06【失效日期】【所属类别】国家...
放 射 源 与 射 线 装 置 安 全 和 防 护 状况评 估 报 告 编 写 要 求一、报告格式(一) 报告名称:××××(单位)...
放射性同位素与射线装置安全和防护年度评估报告( 年度)单位名称:编制日期:黑龙江省环境保护厅制单位基本信息表单位名称(盖章)法定代表...
摇台及缓冲托罐装置安装分项工程质量验收记录MJJ304053□□□单位工程名称分部工程名称施工单位名称项目经理监理单位名称总监理工程师分包...
提高住宅和公共建筑物照明装置的电气安全 作者:任元会 上传时间:2024-9—10 11:38:43 1 994年,俄罗斯标准化委员会、建筑工程部、...
控制装置与仪表课程设计课程设计报告( 2024—— 2024 年度第二学期)名称:控制装置与仪表课程设计题目:炉膛压力系统死区控制系统设计院...
接地装置的施工工艺标准1、镀锌钢材品种规格应符合设计要求,当设计无要求时, 人工接地装置,接地干线、支持件、螺栓等金属钢材全部采纳...
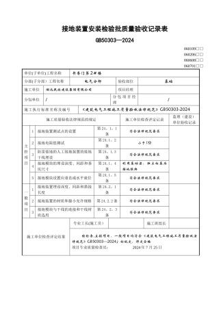
接地装置安装检验批质量验收记录表GB50303—2024060109□□060206□□060608□□060701□□单位(子单位)工程名称书香门第 2#楼分部(子分...

