1 第1章 试题库 一、填空题(建议较易填空每空 0.5 分,较难填空每空 1 分) 1、电流所经过的路径叫做 电路 ,通常由 电源 、...
电路分析 试题(Ⅰ) 二. 填空 (每题1 分,共10 分) 1.KVL 体现了电路中 守恒的法则。 2.电路中,某元件开路,则流过它的电...
2.2 第2 章习题解析 2-1 求图示电路(a)中的电流i 和(b)中的i1 和i2。 题2-1 图 解 根据图(a)中电流参考方向,由KCL,有 i = ...
1 电路分析 试题(Ⅰ) 二. 填空 (每题1 分,共10 分) 1.KVL 体现了电路中 守恒的法则。 2.电路中,某元件开路,则流过它的...
电路分析 试题(Ⅰ) 一.单项选择题(将正确答案的号码填入括号内.每小题2 分,共30 分) 1. 一个元件的电压电流为关联参考方向,若电...
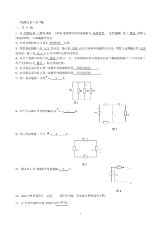
1 《电路分析》练习题 一、 填 空 题 1、由 理想电路 元件构成的、与实际电路相对应的电路称为 电路模型 ,这类电路只适用 集总...
1 《电路分析》练习题 一、 填 空 题 1、由 理想电路 元件构成的、与实际电路相对应的电路称为 电路模型 ,这类电路只适用 集总...
电路分析常见的方法 电路图是电学的重要内容。许多电学题一开头就有一句“如图所示的电路中”如果把电路图辨认错了,电路中的电流强度、电...
1 《电路分析实验》目录 一、基尔霍夫定律的验证……………………………………………………………………1 二、叠加原理的验证……………...
电路分析复习习题 一、判断题 1. 在电压近似不变的供电系统中,负载增加相当于负载电阻减少。 [ ] 2. 换路定则仅用来确定电容的起始...
1 《电路分析基础》试题库 第一部分 填空题 1. 对于理想电压源而言,不允许 路,但允许 路。 2. 当取关联参考方向时,理想电容元...
1 第1章 试题库 “电路分析基础”试题(120 分钟)—III 一、 单项选择题(在每个小题的四个备选答案中,选出一个正确答案,并将正确答...
电路分析基础第四版课后习题答案
“电路分析基础”试题(120 分钟) 一、 单项选择题(在每个小题的四个备选答案中,选出一个正确答案,并将正确答案的号码填入提干的括号...
5-1.已知正弦函数 40sin 31445f tt ,求:(1)函数的最大值,有效值,角频率,频率,周期和初相。(2)画出波形图。 ...
《电路分析基础》知识归纳 一、基本概念 1. 电路:若干电气设备或器件按照一定方式组合起来,构成电流的通路。 2. 电路功能:一是实现...
1 I I. 组 织 教 学 起 立 、清点人数 向各位同学致以新春的问好,同时祝贺同学们新的一年,新春快乐,学习进步,事事顺心。向...
1 电路分析基础实验指导书 (电工123 实验指导书节录) 目 录 电路实验须知 实验室安全用电知识 实验一 认识实验 实验二 元件伏...
电路分析基础知识 第 一章 1. 参考电压和参考电流的表示方法。 (1)电流参考方向的两种表示: A)用箭头表示:箭头的指向为电流的参考...
d ( )d ( )( )( )( )ddq tu tq tC u ti tCtt第一章 1. 参考电压和参考电流的表示方法。 (1)电流参考方向的两种...

