探究功与物体速度变化的探究功与物体速度变化的关系关系实实验:验:探探究究做做功功与与小小车车速速度度变变化化的的关关系系实验目的:...
好地掌握小数加法的竖式计算,让学生再次品尝探索成功的喜悦。活动二:探究小数减法你和妈妈的早餐谁的贵一些,贵多少呢?你能用竖式算一算...
小学语文合作探究学习学生情况调查问卷学校:班级:亲爱的小朋友们,你好!为了更好地了解你们目前合作探究学习语文的现状更好地对你们进行...
父母的心父母的心川端康成川端康成学习目标学习目标1、整体感知课文,揣摩人物心理。2、理解文章在情节安排上“一波三折,跌宕起伏”的特点...
ABOBPOACED活动二:角的平分线的性质Ⅰ、做一做如图,将∠AOB对折,再折出一个直角三角形(使第一条折痕为斜边),然后展开.观察两次折叠形...
------------------------------------------------------------------------------------------------------课题:探究凸透镜成像规律一﹑...
究实验报告一:蜡烛及其燃烧的探究探究实验的名称:蜡烛及其燃烧的探究探究实验的目的:理解掌握蜡烛的有关性质知识实验用品:蜡烛、火柴、...
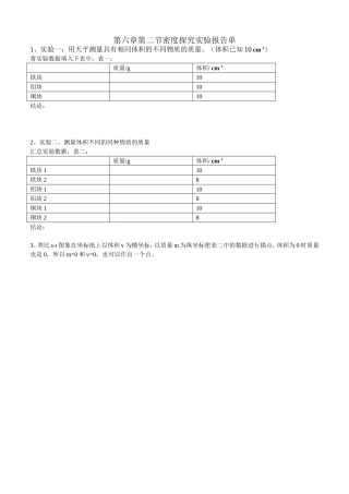
第六章第二节密度探究实验报告单1、实验一:用天平测量具有相同体积的不同物质的质量。(体积已知10cm3)将实验数据填入下表中,表一:质量...
作者笔下的动物为什么这么可爱,作者为什么能从它们身上获得无限的乐趣?【问题探究】因为冰心始终以一种平等的态度对待它们,与它们深交,...
户外游戏材料和幼儿探究活动的关系下蜀中心幼儿园李颖【摘要】:随着学期教育改革步伐的迈进,各大幼儿园都在积极推进课程游戏化,倡导创造...
营造自主探究的氛围——小学数学《平行四边形的面积》教学课例千祥镇中心小学楼青《标准》指出:“学生的数学学习内容应当是现实的、有意义...
走进物理世界——现代物理学探究之旅西北大学物理学系田来科目录•现代物理探究之旅第一章世纪之交物理学的发展第二章19世纪的三大发现第三...
小学语文合作探究学习学生情况调查问卷亲爱的小朋友们,你好!为了更好地了解你们目前合作探究学习语文的现状更好地对你们进行语文自主合作...
一、温度是用什么测量的?同桌一组观察温度计。1、从温度计上你看到了什么?2、你知道一个小格表示多少吗?3、红色液柱越高说明什么?液柱...
http://lihua.enteach.net第二节科学探究:液体的压强第八章压强潜水员在深浅不同的水域,为什么要使用不同的潜水服?无器具潜水氧气瓶可潜...
二、新授1、课件出示:例5下面是李叔叔后四天的行程计划。第四天城市A→B第五天城市B→C第六天城市C→D第七天城市D→EA→B115千米B→C132千...
“相似基本图形”探究“相似基本图形”探究ABCD(1)如图,在△ABC中,D是AB上的定点,过点D作直线DE交另一边AC于点E,所截得的三角形与原...
2、探究串联电路中电压的特点:(1)、课前回顾:串联电路的电流特点:(2)、串联电路中电压也会有同样的特点吗?猜想:(3)请画出测量A...
虞美人李煜语文组:王凤鸣学习目标:对比鉴赏诗歌,欣赏诗歌的意蕴美。自主学习,合作探究:关于“愁情”,关于“愁情”,《《虞美人虞美人》...
提出问题:口腔内刷牙前的细菌和刷牙后的细菌哪一个多?探究题目:口腔内刷牙前的细菌和刷牙后的细菌多少设计实验:准备;两个培养皿、无菌...

