1《互换性与技术测量实验》实验指导书互换性与技术测量教研组编机械工程学院2014年08月班级:学号:姓名:2目录实验一长度测量...............
《互换性与测量技术》课程整体教学设计(2016-2017学年第二学期)一、管理信息课程名称:互换性与测量技术课程代码:4848学分:4学时:36课...
《互换性与测量技术》课程教学大纲课程名称:互换性与测量技术课程代码:4848课程类型:专业必修课学分:4总学时:72理论学时:64实训学时...
第一章P1互换性:某一产品(包括零件,部件,构件)与另一产品在尺寸、功能上能够彼此相互替换的性能。互换性的基本要求:满足装配互换和功...
互换性与测量技术第一章绪论判断题(对的填上“√”,错的填上“×”)1、为了使零件具有互换性,必须使其几何尺寸完全一致。(×)2、只要...
欢迎共阅《互换性与测量技术基础》习题参考解答(第3版)第二章光滑圆柱体结合的公差与配合1.孔或轴最大极限尺寸最小极限尺寸上偏差下偏差...
一、实验目的1、学习常规计量器具的使用和常规测量方法;2、学习对典型的几何精度项目进行测量。二、实验项目检测项目如下:1、用立式光学...
西南大学网络与继续教育学院课程考试试题卷类别:网教专业:机电一体化技术2016年12月课程名称【编号】:互换性与测量技术基础【0930】A卷...
1.基准制的选择原则是什么?优先选用基孔制,在满足使用要求的前提下,尽量降低IT的等级。当基本尺寸小于500时,孔的公差等级要低于轴的公...
1.将下列技术要求标注在图上(1)圆锥面的圆度公差为mm,圆锥素线直线度公差为mm。(2)圆锥轴线对φd1和φd2两圆柱面公共轴线的同轴度为m...
百度文库-让每个人平等地提升自我2互换性与技术测量试题库尺寸公差与形位公差习题一、判断题〔正确的打√,错误的打X〕1.公差可以说是允许...
《互换性与测量技术基础》第三版沈阳大学周兆元南京工程学院李翔英主编教材课后习题答案第一章习题及答案1-1什么叫互换性?它在机械制造中...
《互换性与测量技术基础》第三版周兆元李翔英主编教材课后习题答案第一章习题及答案1-1什么叫互换性?它在机械制造中有何重要意义?是否只...
第1章习题答案1.在机械制造中,按互换性原则组织生产有什么优越性?是否在任何情况下按互换性原则组织生产都有利?答:在设计方面,缩短设...
百度文库-让每个人平等地提升自我1第一章绪论思考题1-1广义互换性的定义是什么?机械产品零部件互换的含义是什么?1-2互换性与公差的关系是...
第1章习题答案1.在机械制造中,按互换性原则组织生产有什么优越性?是否在任何情况下按互换性原则组织生产都有利?答:在设计方面,缩短设...
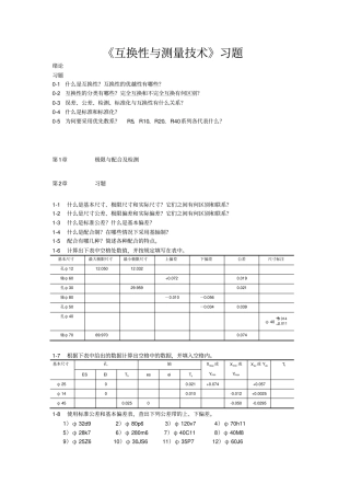
《互换性与测量技术》习题绪论习题0-1什么是互换性?互换性的优越性有哪些?0-2互换性的分类有哪些?完全互换和不完全互换有何区别?0-3误...
互换性与测量技术基础复习与练习第二部分综合练习一、判断题1.(T)为使零件的几何参数具有互换性,必须把零件的加工误差控制在给定的范围...
一、判断题(请判断下列各小题中的叙述是否正确,正确的请在题后的括号中打√,错误的打×,每题1分,计15分)1.加工误差只有通过测量才能...
《互换性与技术测量》试题三一、是非题(正确的在括号中画“√”,错误的画“×”)(每小题1分,共10分)1.()几何量公差是指零件尺寸、...

