第 2 节 电路 闭合电路欧姆定律知识点一| 电路的串联、并联1.特点对比串联并联电流I=I1= I 2=…= I nI=I1+ I 2+…+ I...
实验八 测定金属的电阻率(同时练习使用螺旋测微器)1.实验原理(如图 1 所示)由 R=ρ 得 ρ=,因此,只要测出金属丝的长度 l 、横...
实验十 练习使用多用电表1.了解电表改装的原理与方法.2.了解多用电表的构造和原理,掌握多用电表的使用方法.3.会使用多用电表测电压、电流...
第 1 节 电流 电阻 电功及电功率知识点一| 电流、电阻、欧姆定律1.电流(1)定义:自由电荷的定向移动形成电流。(2)方向:规定为正电...
一、选择题满分策略选择题在高考中属于保分题目,只有“选择题多拿分,高考才能得高分”.选择题主要考查对物理概念、物理现象、物理过程和...
实验十二 传感器的简单使用板块一 主干梳理·夯实基础1◆ 实验步骤1.按下图连接好电路,将热敏电阻绝缘处理。2.把多用电表置于“欧姆...
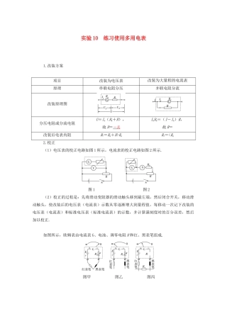
实验 10 练习使用多用电表1.改装方案项目改装为电压表改装为大量程的电流表原理串联电阻分压 并联电阻分流改装原理图分压电阻或分流电阻...
章末总结【p138】电场【p138】本章是电学的基础知识,是历年高考的重点之一.近几年高考中对本章知识的考查命题频率较高,且有相当难度的问...
四、计算题满分策略(2)“善于折分,大题小做”计算题通常被称为“大题”,其原因是:此类试题一般文字叙述量较大,涉及多个物理过程,所给...
测定电源的电动势和内阻实验过程1.连接电路:电流表用 0.6 A 量程,电压表用 3 V 量程,按实验电路图连接好电路。2.测量与记录:(1)把变...
第 4 讲章末热点集训 交变电流的产生和描述 (多选)如图所示,面积为 S、匝数为 N、电阻为 r 的正方形导线框与阻值为 R 的电阻构...
实验 9 测定电池的电动势和内阻1.实验原理闭合电路欧姆定律.2.实验器材电池、电压表、电流表、滑动变阻器、开关、导线、坐标纸和刻度尺.3...
三、计算题满分策略(1)——细心审题,做到一“读”二“思”“三”析1.读题“读题”是从题目中获取信息的最直接方法,一定要全面、细心,读...
第 3 讲 实验:传感器的简单应用微知识 1 实验目的1.了解传感器的工作过程,掌握敏感元件的特性。2.学会传感器的简单使用。微知识 ...
验证力的平行四边形定则实验过程1.仪器安装:(1)用图钉把白纸钉在水平桌面上的方木板上。(2)用图钉把橡皮条的一端固定在 A 点,橡皮条的另...
实验 8 描绘小灯泡的伏安特性曲线1.实验原理(1)测多组小灯泡的 U、I 的值,并绘出 I-U 图象;(2)由图线的斜率反映电流与电压和温...
第 3 节 电容器 带电粒子在电场中的运动考点一 电容器对应学生用书 p1341.电容器(1)组成:由两个彼此__绝缘__又相互__靠近__的导体...
二、实验题满分策略“一明”、“二看”、“三提取”1.明——明确考查的知识范围现在物理实验题涉及力学、电(场、路)磁(场、感)学等知识....
第 3 讲 传感器的简单使用 一、实验目的1.了解传感器的工作过程,探究敏感元件的特性.2.学会传感器的简单使用.二、实验原理闭合电...
实验三 验证力的平行四边形定1.验证力的平行四边形定则2.掌握探究性实验和验证性实验的基本原理和实验方法 【实验目的】1.学会用弹簧测...

