胃癌风险的分层研究及其在早期胃癌筛查的应用蒋叶华江苏省原子医学研究所卫生部核医学重点实验室胃癌全球:恶性肿瘤发病率第四位致死率...
脑卒中早期康复策脑卒中早期康复策略略1谢明,主任医师,教授,博士,硕士生导师,南华大学附一医院神经内科主任。中国康复医学会理事,中...
社区儿童发育性髋关节异常的早期筛查流行病学特点最常见的髋关节疾患:发病率为1~3.4‰男:女之比为1:4.75或1:8习惯背婴儿的民族发...
1精神分裂症早期诊断与干预精神分裂症早期诊断与干预内容精神分裂症的起病到首次发作是个连续的过程多种危险因素作用下,患者出现前驱期...
急性缺血性脑卒中超早期治疗烟台毓璜顶医院神经内科魏红春主要内容介绍局部脑缺血脑损害的类型•24/10/23完全缺血区(中心坏死区)不全...
1极早期火灾探测系统极早期火灾探测系统2极早期火灾探测器产品极早期火灾探测器产品极早期火灾探测器主要应用于需要对火灾进行极早期预报...
股骨头坏死的早期症状、股骨头坏死的早期症状、诊断、治疗诊断、治疗田金木据世界卫生组织统计,目前,全世界股骨头坏死患者3000万人以上,...
高危儿早期神经发育筛查湖南省妇幼保健院吴虹目的•从高危儿人群中早期发现脑发育异常小儿,而进一步进行发育障碍或脑损伤的诊断和早期干预...
高危儿是指在胎儿期、分娩时、新生儿期具有各种可能导致脑损伤高危因素的婴儿,他们可能在婴儿期表现出临床异常,但还不足以诊断脑性瘫痪...
肺癌的早期诊断与防治芜湖二院肿瘤内二科1肺癌已成为癌症头号杀手什么是肺癌?对于肺癌,大家普遍的认识就是照片子,肺部有个阴影。这说...
.儿童孤独症的早期筛查及评价.1943年Kanner首先描述了儿童孤独症.1982年陶国泰教授在中国大陆首次报道1982年陶国泰教授在《中国神经学...
儿科危重症的早期识别•儿童常见危重状态•极低与超低体重儿•血液系统疾病•重症外科急诊•重症呼吸系统疾病•心血管系统疾病•重症脑损伤...
居民常见恶性肿瘤筛查和预防推荐张婷2020/08VM目录Contents1癌症早期筛查的意义2癌症的早期筛查3癌症的预防为什么要进行早期筛查什么是癌症...
特殊儿童早期干预华中师范大学第十一章多动症儿童早期干预第二节特殊儿童的早期发现第三节特殊儿童的早期诊断23让我看看菲利普是否能成为一...
创伤的早期急救流程宜昌市第二人民医院急诊科徐内卫概论创伤创伤急救是指各种物理、化学和生物等致伤因素作用于机体,造成组织结构完整性损...
Wednesday,October23,2024ICU病人早期活动实施方案与流程主要内容一、早期活动的必要性二、背景与现状三、早期活动的实施方案与流程0...
提高认知,加强互动,使农村幼儿养成早期阅读好习惯盘城中心幼儿园周荣荣摘要:3-8岁是儿童书面语言发展的关键期,美国一家机构对6岁左右儿...
农村初中英语早期学困生地成因及转化策略摘要:农村学校在使用新目标英语过程中,两极分化现象比较突出,学困生人数明显增加,给英语教案目标...
早期非小细胞肺癌立体定向放疗中国专家共识•立体定向体部放射治疗(SBRT)已成为早期非小细胞肺癌的重要根治性手段,尤其在不可手术或拒绝...
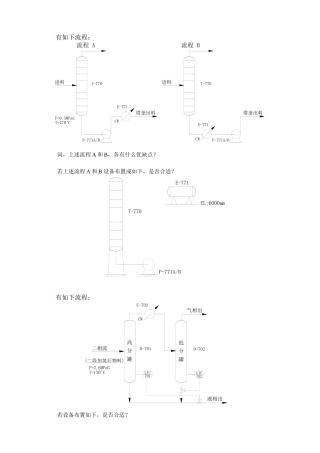
有如下流程:流程A进料CW塔釜出料流程B进料CW塔釜出料P=0.5MPaGT=170C°T-770T-770P-771A/BP-771A/BE-771E-771问,上述流程A和B,各有什么...

